EasyManua.ls Logo

Teac X-10 - Page 61

Teac X-10
66 pages
Print Icon
To Next Page IconTo Next Page
To Next Page IconTo Next Page
To Previous Page IconTo Previous Page
To Previous Page IconTo Previous Page
Loading...
TE
AC
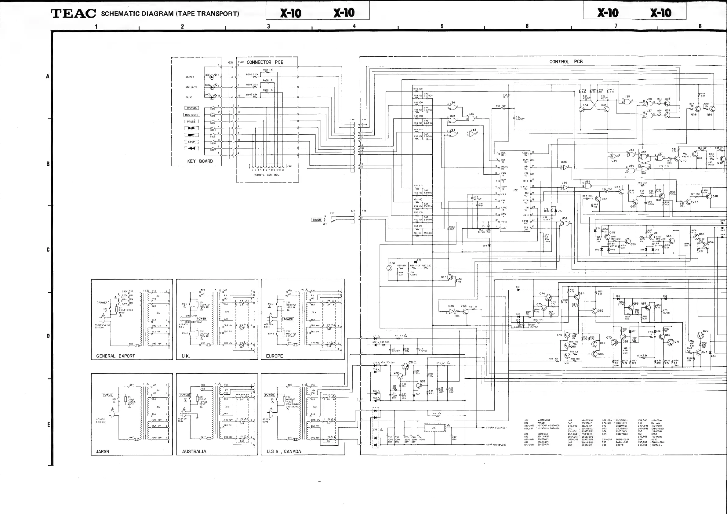
6‘scHEmatic
DIAGRAM
(TAPE
TRANSPORT)
1
2 3
4
5
6
7
8
——
ae
Se
ee
ee
ee
ro
es:
rane
|
ai
CONNECTOR
PCB
|
CONTROL
PCB
3
+
R6O!
18k
080%
|
i
R602
2.2k
A
RECORD
oe
—W
ST
|
oe,
18k
|
REOS
2.2x
+
+7
+
|
+
4
REC
MUTE
WW
Reba:
R46
100
R42
RAGSR45
Ra3
naa
33k
18x
518k
33k
ate
R605
18k
R63
|
R54
10k|
3.3/50V
cél
cee
U35
3.3k
PAUSE
Wy
—+—
[ree]
8
tore
22/10v
Bey
10
6
1p
¥35
RIS
O36
10k
R47
100
U34
9
p
NI
am)
R77
R79
—o
We
=
6
R62
100
34
Q35,
Bg
100k
10k
RECORD
gaa
(i
KC
R55
10k|
3.3/50
«)
2
U37
RTS
Q37
Ys
Ra
Kk
U33
q
3
2
REC
MUTE
R48
100
2
¥33
Ed
8
52
uu
[)
«)
P34
u
0
T
3.3/50V
c45
3
PAUSE
3
R56
10k}
3.3/50
>>
3
:
>
5
R49
100
2
33
U33
.
a
4
I
C
{tf
ST
C46,
1
3
+[
>8
aa
3
R57
10k}
3.3/50V
ji
6
19
8
4
It
Rec
PAUSE
INH
out
808
10
J
Rec
PLAY
ie
B
KEY
BOARD
i
4%
st
vse
9 9
|
pause
REC
72
0.01
|
123456789
101112
|
IN
ouT
10
8
J
FWO
cap.
ie
[
REMOTE
CONTROL
7 i
IN
our
|
REV
16
ae
-
zl
1N
OER
u36
13034
R90.
33k
R50
100
2
W
6
STOP
OD
PLAY
ww
oI
ouT pag
10x
44
R94
ca7
u32
{K)
S83!
rez
R93
Bare
R86
R58
10k
|
3.3/50V
Ga
BRK
Os
47k
100
100k
100K
out
R87
100k
€)
RSI
100
le
4
BR
STOP
)
043
AW
Tes
IN
ouT
C48
|
ae
R88
R59
10k
|
33/50V
ak
3_J
erwo
‘47k
+
whee
q
433
P33
am
IN
our
LY
$32
2
REW
Nog
Ws
s
omea
ai
cr
3
TIMER
t
~?
REO
10k}
3.3/50V
24
F.FWO
48
ouT
rw
Ey
T
+Vee
ouT
R53
100
Ris2
ae
REW
aa
om
Wr
100 54.
C55
out
A
SfOO
RIO
RI06
47
RG!
10k
|
C50
OO]
BeNOW,
0.01
*
Joao
am
LOS!
4m
has2
pas
(e')
RIO!
e)
rio7
053
e)
R99
SS/
1501/72)
©)
Rios
SY
15001720)
@)
OS/r108
10k
10k
150
ele
ces
X/a50
ced
Bs
R104.
Www
039
22/ov
SRIOZ
22/10V
SRIO9
10k
i
|
22k
22k
C
043
044
045
p46
40
a
a
Q56
e
R65
47k
|
R66
100k
|
RE7 220
ey
H
R64
56
22k
10/35V
57
(2
Q
ss
|
Qe?
dase
aie
ce
4
10k
+
051
ca
ee
TY
Lal
R123
2.2k
055 056
231
R26
yok
Q66
67
231
ooov
ae
Be
U35
5B
gis
tx
2
@)
ey
sine
O.0ipF
+3000.
K
A
|
t
3
C7
Q65
Qe
prize
Bs
70
400V
2
>
K)
sak
RT
‘Ge
Dee
10/63v
A
100k
+4
\
POWER
o
[POWER
053
RI22
47k
iL
AC100V~v240V
ORG
12v
coax
Aces
50/60Hz
o
re)
1
LT
3.3/50V.
2.2/50V
o
6
0.0047
pF
0.0047yF
D
gov
AC
250V
AC
6
O3t
A
aa
2
id
nies
mn
pi
e
1
RIIG
10k
RG
WHT
ORG
lav
F
WHT
032
4,832
390
ORG
tev
—o-
444
AM
a
eee"
cai
R33
c32
;
Ts7onev
F680
470/16V
RIT
10k
GENERAL
EXPORT
EUROPE
t
RUIZ
33k
j
033
A
R34
3.3(2W)
2.0314
raoz2
AN
4
AMW—+
4
>
ny)
+
034
al
SS
2
R37
Q32
3.9k
R38
=
GA
=
isk
|
Q33
a
R36
DQ
R35
S
10k
Si
Sa
8
738
[POWER]
“eh
33
C34
037
Fa
ay
ed
POWER|
ay
T
ig00
100
$31
0.033pF
2
036
Al
Vv
35V
A
A
+1200
ap
USA
125VAC
CND
250VAC
A A
q
R4I
10k
ACiOOV
z
ened
v3!
NuM78M05A
046
2SA733(P)
068,069
©
2SC13I8(S)
039,040
1$2473HJ
E
50/60Hz
u32
AN6251
047
2SC536(F)
070,071
2SD313(E)
pa!
Not
used
<j
U33~VU35
~~
HO7400P
or
SN7400N
048,049
2SA733(P)
72
2SB507(E)
D42uD46
1S2473HJ
to
Pint*14
at
U33-VU37
U36,U37__-HO7402P
or
SN7402N
50
2SCl061(C)
Q73
2SCI318(S)
0474049
ERBI2-0261
051,052
2SA733(P)
074
280313(E)
050
1S2473HJ
031
2S0313(E)
053,054
2SCIO6I(C)
075
2sa72010)
05!
uosc
ORG
ZV
4
c37
Jc38
fc39_|cao
[cai
C42
032
2sci3ia(s)
056.061
2SC536(F)
052,053
1S2473HN
o-
1000
|1000
—_|2200
|2200
|
1/50v
0.01
033-4041
2SC536(F)
062.065
—2SA733(P)
0314036
ERBI2-0261
054
vose
sov
|sov
|25v
|25v
042
25A733()
66
28C1318(S)
037
EQAoI-06s
055,056
ERBI2Z~02G!
to
Pin®7
at
U33VU37
043.045
2SC536(F)
067
2SC536(F)
038
Mac-51
057,058
=
1S2473HJ
AUSTRALIA
U.S.A.,
CANADA

Other manuals for Teac X-10

Related product manuals