EasyManua.ls Logo

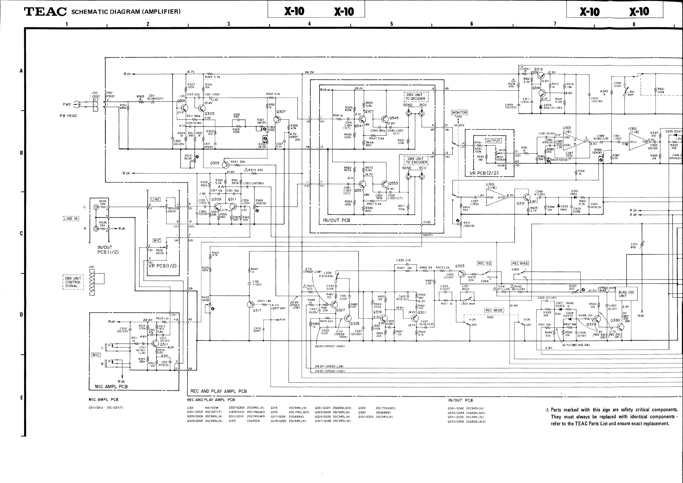
Teac X-10 - TEAC SCHEMATIC DIAGRAM (AMPLIFIER); MIC AMP PCB; REC AND PLAY AMPL PCB; IN;OUT PCB

Teac X-10
66 pages
Print Icon
To Next Page IconTo Next Page
To Next Page IconTo Next Page
To Previous Page IconTo Previous Page
To Previous Page IconTo Previous Page
Loading...
TE
AC
scHEMmaTIC
DIAGRAM
(AMPLIFIER)
1
3
|
|
J
A
PB
HEAD
B
[LINE
IN}
C
eee
|
OBX
UNIT
|
CONTROL
|
|
SIGNAL
|
ORs
eee
D
E
=
———
ooo
a
—_
=
SS
ees
Aga
9313
Rch—
16.7V
-24.0V
4X
12.3V
R343
3.
343
3.3k
_
~
ie
Rad
Xf)
2.2k
R307
R319
=
=
R374
R413
R414
meee
100k
10k
Bee
20.2V
ae
470
9314
e
Ik
18k
L
:
J301
P30I
rao
R393
L301
(3302)
e302)
R305
C3
igy|C3!3
22p_
|
C321
1750v
R337
4.7k
DBx
UNIT
CP
6.8V
i
eo
2
ik
10/16V(D.T)
(LR)
'TO
DECODER
!
call R4I5
Cale
Q301
joa
(Er
cee
gee
4
1/50V
2.2k
100/16V
'
R301.
.
SEND
RCV
C449
0309
680k
{)
{K)
L
i}
]
100/25V
EQA-O1-06S
9303
319
OD
i
iad
RBIT
390k
|
Oy
SHe
OV
4
15
2)
(18)
:
- =
R309]
R3I1|
R32I
|
ate
;
=
C38!
1O6Vo
py
389
|
lovi6v
(LR)
€329
R551
H
OUTPUT
!
C383
|
St
:
ees
a}
[sue
[OUTPUT
|
\
47/6.3V
ont
iia)
!
(17)
R531
¢
raul
sl
R385
1L3v
100/10V
i
r
!
oe
nC
ae
R395,
:
1
DBX
UNIT
:
~
i"
ic
eae
3
DBX
UNIT
9
56k
10k
a305
(Sy
Fh)
22k
1
TO
ENCODER!
|
'5k
‘ooway
=
@9|R403
50018)
o
I
SEND
RCV.
hues
Oa
id
216y
Z\R373
470
H
eae
R
ch
———
ANA
LA
|
LVR
PCB
(2/2)
ik
R365
R361
®
©)
a
2
-_—————————qx«“-
R355
5.6k
560k
>
C363
0.47/50V
MI
le
CF
\Q553
Pot
i
560k
8.2V
(ra)
(Ts)
)
e
vite)
C357
1Op
|C36!
1Op
Wd
!
C399
D301
\
oo
C555
a
1.2V
sul
7)
a7/gev
Lae
R535
cass
\|Q309
|
Q3!!
|c3s9_—
|
R369
eee
?
c397
“Si5.9v
R401
6
56k
8
1/50V
©)
eS
1/50V
L100k(B)
|
t
R567
5.6k
ps7
1/50V
5
2.7k
c4ol
Y
|
R399
40303
‘Si
R569
R405
R435
47/6.3V
I
-
c365
Sow
re
|isv
|
Jo
820
100k
56k
2.7k
lok
|
INGO
|
£803
Rech
—t—
100/25V-
R359
-
Ho
Sure
a
R536
|
tis
IN/OUT
PCB
re
O1
esr
6
56k
J
120)
=
=
-——_
100k
(B)
6
?
10)
c30l
IN/OUT
80p
PCB
(1/2)
C435
0.15
323
REC
EQ
REC
BIAS
ye
o7v
R467
18k
|
R469
15k
Ra73Z22k
ome
H
HO
(SPEED
LOW)
|
305
W-
WA
dE
.
o!
°
C433
°
9
oe
5808
5
ee
awe
Perea
Perens
ieee
erates
75
bY
R477,
6443
c429
C43i
R491
R49.
R493
;
|s0
Ara?
Sols
0.0027
820p
Ala7
oar
een
200
1
2isv
(amet
é
nas?
UNIT
Co
ree
|
€305
4.7/25V
u
R471
Ik
L303
3mH
0307
R496
R502
4.7V
1)
(Q317
ON)
i2/.4V
1$2473.
Ik
10k
ee
2.
3v
2
REC
MODE
Wi
is
a
Fiiaiy
canard
Se
|
3.4v
r
a
22k
R498
100
R525
1.2k
i
$301
i
1S2473
hy
(REC
Reh
22,9V
I
ON
oN
ON)
R513
°
OFF
o
OFF
|
R5OI
10k
Z)
c5i9
270k
100725V
noe
c437
100/25
|
roi,
46V
°
Ik
)
L
|
Sa
cs]
SS
22.0V(SPEED:
HIGH)
ney
10.7
V
(REC
SIG.
ON)
0
10/
16V
:
(LR)
R515
68k
24.0V
(SPEED.
LOW)
H
?
24.0V
(SPEED:
HIGH)
Reh
MIC
AMPL
PCB
=
ar
REC
AND
PLAY
AMPL
PCB
,
MIC
AMPL
PCB
REC
AND
PLAY
AMPL
PCB
IN/OUT
PCB
Q5117Q512
2SC1327(T)
U301
HAINI22W
Q307/Q308
2SC945L(K)
Q301/Q302
2SCi327(T)
Q309/Q310
2SCI740LNIS)
Q303/Q304
2SC945L(K)
Q311/Q312
2SCI740LNS)
Q305/Q306
2SC945L(K)
Q313
2SD400E
Q3l4
Q3Is
Q317/Q318
Q319/Q320
2SC945L(K)
2SC945L(K)
Q321/Q322
2SA826LN(S)
Q329
2SCI740LN(S)
Q323/Q324
2SC945L(K)
Q330
2SD0655(E)
Q325/Q326
2SC945L(K)
Q327/Q328
2SC945L
(kK)
2SCI740LN(S)
2SD655(E)
Q331/Q332
2SC945L(K)
Q541/Q542
2SC945L(K)
Q543/Q544
2SA826LN(S)
Q551/Q552
2SC945L(K)
Q553/Q554
2SAB26LN(S)
A
Parts
marked
with
this
sign
are
safety
critical
components.
They
must
always
be
replaced
with
identical
components
-
refer
to
the
TEAC
Parts
List
and
ensure
exact
replacement.

Other manuals for Teac X-10

Related product manuals