EasyManua.ls Logo

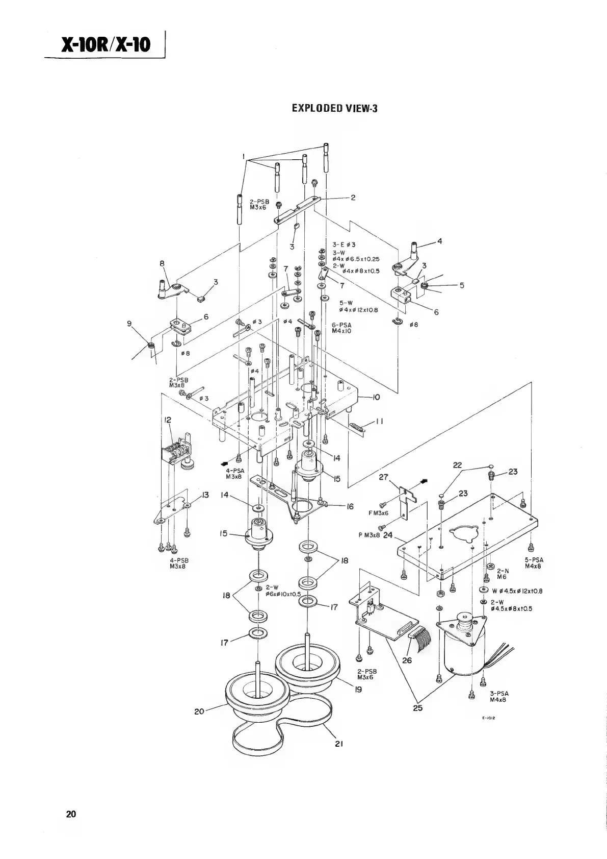
Teac X-10R - Exploded View-3 and Parts List

Teac X-10R
66 pages
Print Icon
To Next Page IconTo Next Page
To Next Page IconTo Next Page
To Previous Page IconTo Previous Page
To Previous Page IconTo Previous Page
Loading...
X-10R/X-10
EXPLODED
VIEW-3
-W
Sd,
x
oS
5-W
B4x98xtO.5
o4
7
20

Related product manuals