EasyManua.ls Logo

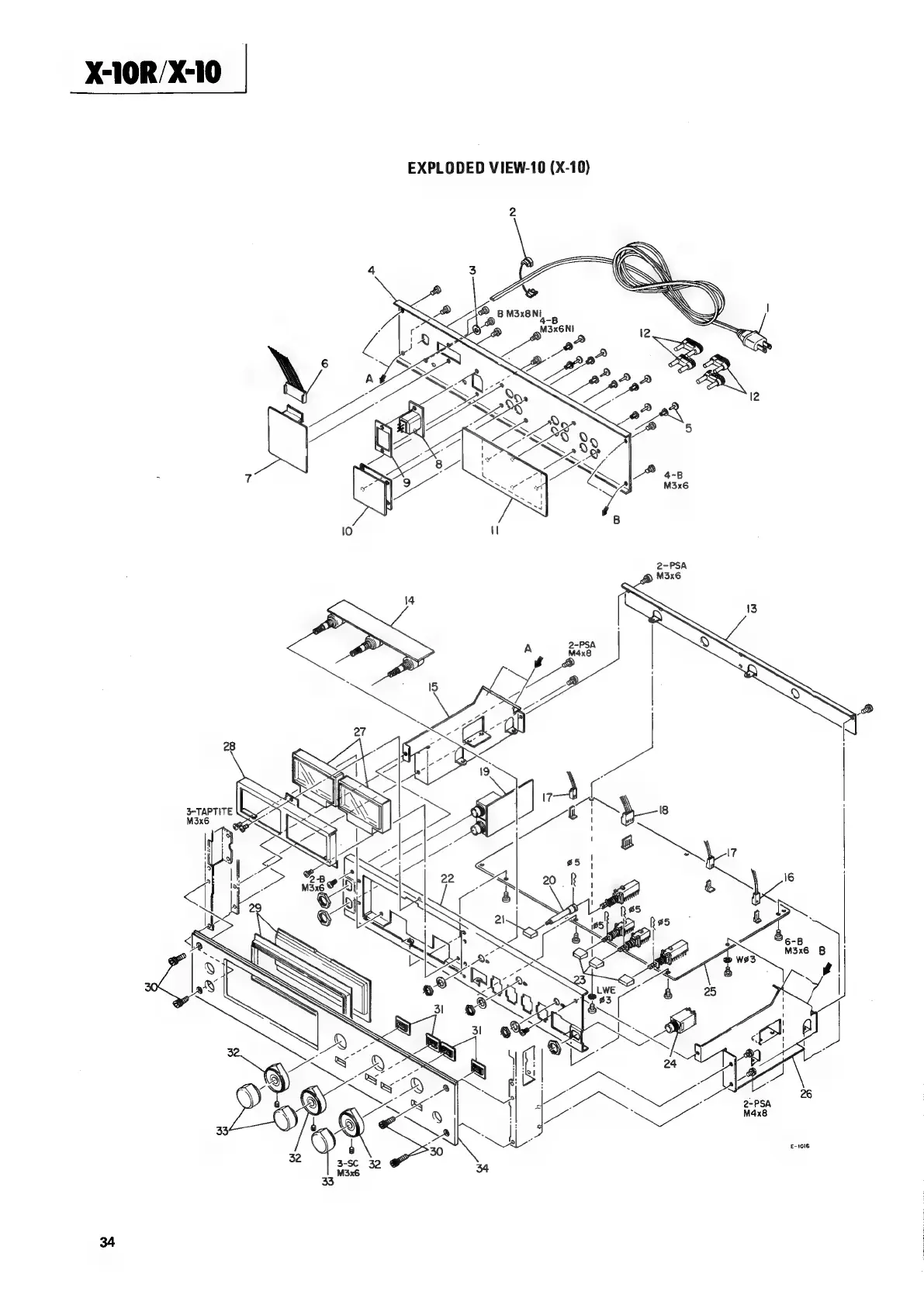
Teac X-10R - Exploded View-10 (X-10) and Parts List

Teac X-10R
66 pages
Print Icon
To Next Page IconTo Next Page
To Next Page IconTo Next Page
To Previous Page IconTo Previous Page
To Previous Page IconTo Previous Page
Loading...
X-10R/X-10
EXPLODED
VIEW-10
(X-10)

Related product manuals