EasyManua.ls Logo

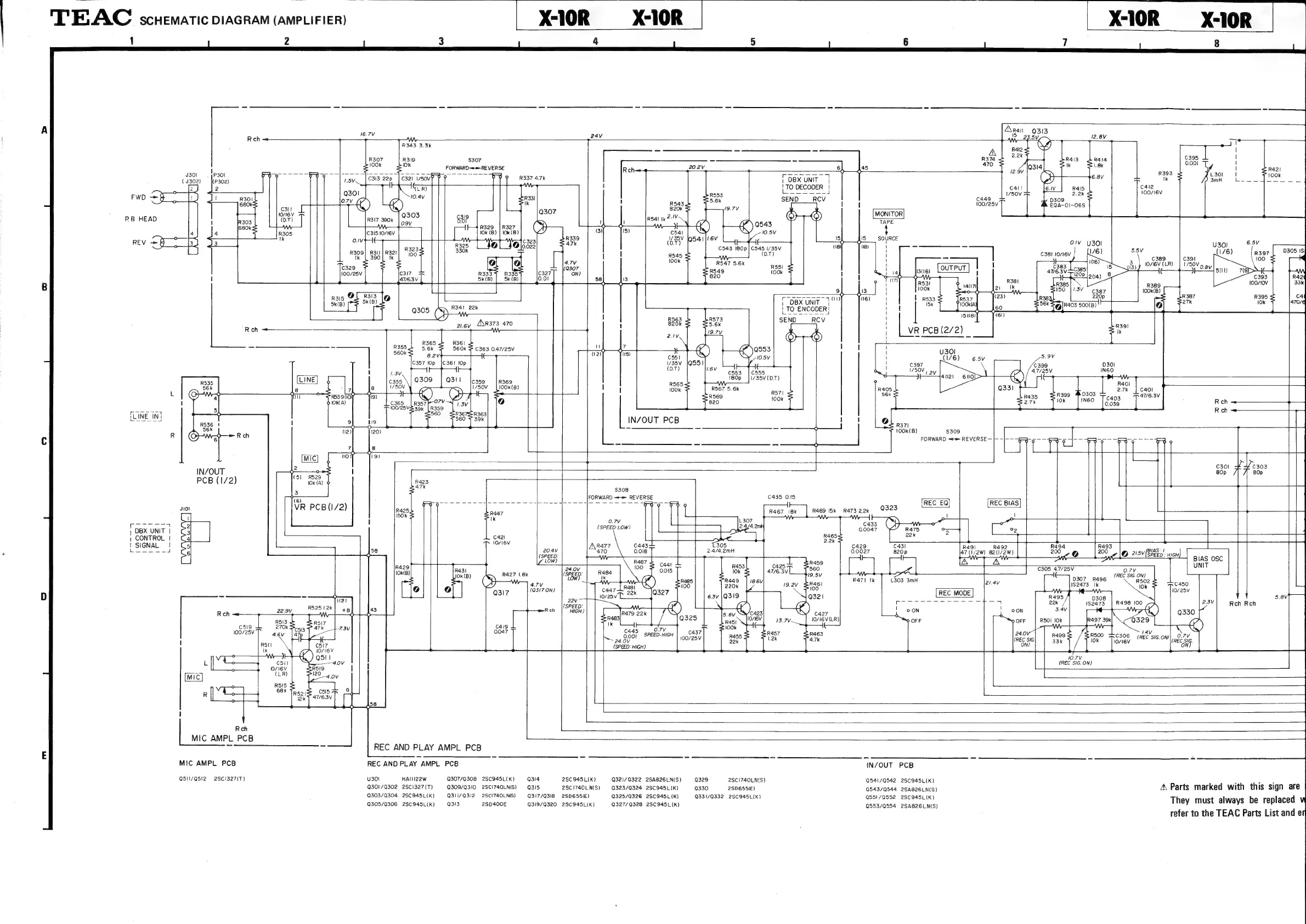
Teac X-10R - Amplifier Schematic Diagram

Teac X-10R
66 pages
Print Icon
To Next Page IconTo Next Page
To Next Page IconTo Next Page
To Previous Page IconTo Previous Page
To Previous Page IconTo Previous Page
Loading...
X-10R
X-10R
X10R
X-10R
TEAC
SCHEMATIC
DIAGRAM
(AMPLIFIER)
Aran
Q313
16.7V
24V
|S
23.5v,
12.8V
Rch—
YY
R343
3.3k
a
A
|
Rae
|
-
2.2k
C395
l
R
R413
4
ior
ba
see
z
-
a0
5
Jaa]
fe
Blo
wa
!
:
FORWARD—-=REVERSE
Reh
20-2
+
ae
12.9V
eS
ner
R393
L301
me
pie
0
Sins
ae
eae
Te
Se
el
eta
ayaa
30!
F301
y
>
9
rr?
rev.
[C313
229
|
C32
/S0VP
FP
FY?
R337
47k
|
DBX
UNIT
ey
tk
3mH
LT
(9302)
|(P302)
:
!
'TO
DECODER
|
cal!
R45
Cala
AAG
100/16V
é
Q30!
oo
R553
L---——-
J
1/50V
2.2k
;
9
c449
FWD
—=
aD
'
B30!
hep
@)
@)
10.4
H
peas
5.6k
SEND
RCV
icf
Cae
D309)
ee
Wile
-
“Yo303
307
oie
oe
6
Monts
PB
HEAD
:
R303
(D7)
R317
390k
|
oo),
$319
=)
;
RSAnik
:
re
ose
ve
680k
boar
penta
OP
(3)
(5)
csa1
|
NS
10.5V
t
4
Woo?
R339
1735V
1Q541/.6V
K
an
5
15
SOURCE
o1V
Yy30l
U30!
6.5V
REV
=
47k
(0.7)
543
180p|
C545
1/35V
ual
(8)
-
-
:
eee
1
R545
(DT)
'
_
|
C38!
10/16V
fom
agi
Bes
4.7V
|
100k
R547
5.6k
i
7
|
1
a
oa3
3}
W/V
(LR)
|
1/50Vq
(0307
R549
Bo.
ae
eee
sug)
LOUTPUT
|
i
4776.3
0385
327
ON)
per
ty
43
6393
1
Cx]
58
3
9
Tun)
ASST
|
R381
niga
100/10V
YY
i
100k
saul
21
lk
150.
|/.
00k(B)
ihe
of
dis
||
a
—0
R387
R395
aera
sal
uny
(16)
1
1
533
R537
R38
27k
ion
q
|
DBX
UNIT
,
I
15k
P100k(A
56k
=@)F403
500(B)
0)
R341
22k
|
TO
ENCODER!
ot
s—_*
\
EAGT
Hee
t
1518)
(61)
R563 R573
SEND
RCV
i
ziey
2373
470
1
820k
5.6k
VR
PCB(2/2)
R39
Rech
——
19.7V
|
2uV
O17)
=
=
l
365
oy
i
R355
56k
363
0.47/25V
hd?
—y
M4
(70553
7
u30l
260k
8.2:
¢
M2)
u3)
C55!
«)
©)
10.5V
(1/6)
6.5v
eo
Ree
357
10p
|C36!
10
1/35V
397
€399
P
2
(OT)
cess
a!
\/50V
)
oy
=
4.7/25V
IN6O
a
9
311
1735V
(DT)
ane
;
ey
Ww
Ress
355
\|
930
Q
c3s9_—«|
R369
R565
Q33!
R401
O39
VN
io
Sy
_{1750V
_Liook'a)
IY
100k
R567
5.
6k
pot
R405
te
vere
atk
|
caot
|
Gry
ov
PI
%
co
se
Flor
fines
Tess
Ten
365
: ,
J
100/25V-
R359
ee
R
ch
——_________
a
560
SR367SRIE3
o
560
+
39k
IN/OUT
PCB
4
Ok
237
Bek
=
Fz
-—_——__
100k
(B)
$309
a
FORWARD
=+=
REVERSE—|—-|---p3-5--—+
B3-5
-|--
Peo
Roe
OY
=
R
|
Owe
-
ee
eee
fo
A
i
8
<
(9)
T
301
C303
IN/OUT
|
[
80p
80p
(5)
R529
PCB
(1/2)
Ok
(A)
R4e3
]
Pa
$308
FORWARD
—-=
REVERSE
C435
0.15
REC
EO)
REC
BIAS
ee
oe
SA
Toh
ae
Q323
{REG
EG]
=i
J101
R425
ae
R467
18k
|
R469
15k
R473
2.2k
i
IsOkS
Rad
——wv
9-4]
p
CO]
I
0.7V
7
6433
eS
°
ne
5
(SPEED:
LOW)
Ge
0.6047
YC?
°
°2
|
reilly
|
cao:
Rags
a
Y
;
CONTROL
|
>
lo/iev
,
R477 C443
305
C429
c43l
R491
R492
R494
R493
olONAE,
2
20.4v
AG
0.018
2.4/4.
2mH
0.0027
820p
47
(1/2w)
82(1/2W)
200
~@
200
le
215v
(SEED
icy
ar
aa
OreW)
R459
A
A
é
;
ONIT
oe
R429
|
24.0V
Roe
ape
560
C305
4.7725V
O.7V
10K(B)
joRta)
R427
1.8k
(SPE
9:
;
95v
+$+—W
4
4
5307
page
(REC
SIG.ON)
L
R485
R449
|
18.6V
R46!
R471
Ik
L303
3mH
21.4y
CoaaniE
R502
s+cas0
o
oO
(6517
ow)
190
econ
'9-2¢
3100
[REC
MODE]
lok
10/25v
Q3!7
63v
|Q319
Q32!
22v
bea
ee
ee
=
Rech
Rch
(SPEED:
| |
Ren
|
HIGH)
0
c427
ye
oN
6
Q325
IO/I6V
(LR)
©
OFF
C419
0047
437
R463
100/25V
47k
i
10.7V
(REC
SIG.
ON)
ks
|
|
Rech
MIC
AMPL
PCB
<=
=
REC
AND
PLAY
AMPL
PCB
Ps
fos
a
ee
ee
Sa
eS
MIC
AMPL
PCB
REC
AND
PLAY
AMPL
PCB
IN/OUT
PCB
Q511/Q512_
28C1327(T)
u301
HALI22W
Q307/0308
2SC945L(K)
Q3i4
2SC945L(K)
Q321/Q322
2SA826LN(S)
Q329
2SCIT40LNIS)
Q541/Q542
2SC945L(K)
:
je
diate
Q301/Q302
2SC1327(T)
Q309/Q310
2SCI740LN(S)
Q315
2SCI7T40LN(S)
—Q323/Q324
2SC945L(K)
Q330
2SD655(E)
Q543/Q544
2SA826LN(S)
A
Parts
marked
with
this
Sig
0303/0304
2SC945L(k)
Q31I/Q312
2SCI740LNIS)
317/318
2S0655(E)
Q325/0326
2SC945L(k)
Q331/Q332
2SC945L(k)
Q551/Q552
2SC945L(K)
They
must
always
be
replaced
Q305/0306
2SC945L(k)
Q3I3
2SD400E
Q319/Q320
2SC945L(K)
0327/0328
2SC945L(k)
Q553/Q554
2SA826LN(S)
refer
to
the
TEAC
Parts
List
and
e

Related product manuals