EasyManua.ls Logo

Teac X-3R - Page 32

Teac X-3R
34 pages
Print Icon
To Next Page IconTo Next Page
To Next Page IconTo Next Page
To Previous Page IconTo Previous Page
To Previous Page IconTo Previous Page
Loading...
a
al
i
ica
a
aa
a
a
a
aL
IN/OUTPUT
PCB
(1/2)
lav
(-3108)
(sa)
40}
Jia
6)
i
vsov
{|
O
MONITOR
|
_
(16)
Nett,
i
$104
34
clog
_L
OY
ae
°
LOUTPUT
}
(37)
A
(3/08)
(200
T
(a)
6
|
]
|
'
ie
ee
ch
R
ch=—28
dis
®p
O
100/10V
4.7/25V
:
BS2l'(
R522)
38)
$riov
=
pe
es
100k
(A)
1
!
Ri22
|
270
d
ae
44
}
(2408/82)
R
chaw—2
0
PHONES
VU
METER
(—30.508)
46
[ee
(48)
O
(48)
O
27
[aah
294)
30
CI40
=
820p
(-2546)
7
(erae!
RECORD
HEAD
C130
10/16V
(LR)
c308
47/25V
REC
MUTE
$l03
cl4t
100p
max
142
1089
max
l2v(-6v)
Cc24l
100p
max
C242
100p
max
ae
ne
if
ERASE
HEAD
EH
oO.
Bp
XL
C304
47/25V
0
a
aa
a
CS
ee
eee
POWER
SUPPLY
PCB
37
34
CONTROL
PCB
21
\l
38,
POWER
SUPPLY
PCB
36
REC/PLAY
AMPL
PCB
'
ee
os
|
IS2473HJ
0301
RD6.2EB
0302
IS2473HJ
0303
IS2473HJ
0304
RD4.2EB
D305
IS2473HJ
0306
IS2473HJ
1S2473HJ
1S2473HJ
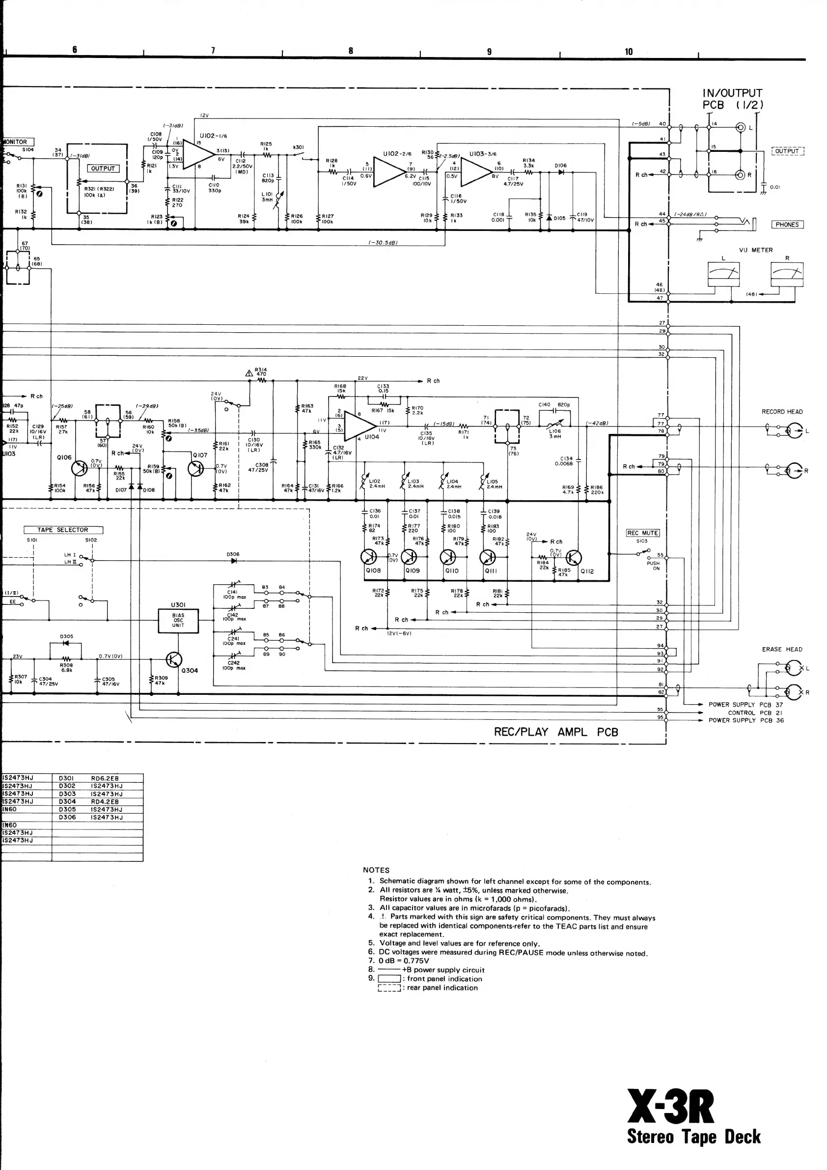
NOTES
1.
Schematic
diagram
shown
for
left
channel
except
for
some
of
the
components.
2.
All
resistors
are
%
watt,
+5%,
unless
marked
otherwise.
Resistor
values
are
in
ohms
(k
=
1,000
ohms).
3.
All
capacitor
values
are
in
microfarads
(p
=
picofarads).
4.
1.
Parts
marked
with
this
sign
are
safety
critical
components.
They
must
always
be
replaced
with
identical
components-refer
to
the
TEAC
parts
list
and
ensure
exact
replacement.
5.
Voltage
and
level
values
are
for
reference
only.
6.
DC
voltages
were
measured
during
REC/PAUSE
mode
unless
otherwise
noted.
7.
O0dB
=0.775V
8.
+B
power
supply
circuit
9.
[____]:
front
panel
indication
fr
_y:
rear
panel
indication
X-3R
Stereo
Tape
Deck

Related product manuals