EasyManua.ls Logo

Teac X-3R - Page 34

Teac X-3R
34 pages
Print Icon
To Previous Page IconTo Previous Page
To Previous Page IconTo Previous Page
Loading...
10
13
A\z608
PLAY,REV
acesv
fia
1
é
LX605
t—
|
t
|
|
|
H
j
R802
'
250
|
Avz606
i
!
(30w)
|
PLAY,REV
AC45V_
fio
|
i
ee
ft
|
1
|
A\z6o7
|
|
|
!
$601
|
$602
s604
|
$605
soe
|
=~
>>)
i
|
i
«
i]
T
I
|
7
=
R/PAMPL
PCB
55
RESET
|
0601
I
SOLENOID
i
——»
R/P
AMPL
PCB
20
Q602
|
———
R604
R605
Sk
(1/2W)
Ie
=
10k
'
ap
PLAY,REV
24V_F.FWD,REW
OV
LED PCB
PLAY,REV24V_F.FWD,REW
OV
i
'
Pd
R603
O O
PAUSE
,
100
R609
o7o1
7
Wy
1.8k
(172W)
1
y
wy—20
ot
oy
RECORD
|
R6IO
0702
|
22k(1/2W)
4
!
Q60!
Q603
|
as
4
Js
WY)
Oo
O
Py
REC
MUTE
R606
|__|
LI
ron
RE07
.
&
|
2.2k
(172W)
!
mill
B
|
J
20
|
O
Oo
R6OB
68k
|
o
:
oo
eS
<a
=
—"*
Wes.
eas
Seeewnee
e
18
i
:
O
coaS
Ss
cg
ee)
_
ze
+
HIGH
ay,
=
R/P
AMPL
PCB
28
25
jo
S607
|
23)
2av
—>
R/P
AMPL
PCB
96
_
a
J
ton
ee
2
R/P
AMPL
PCB
3!
es
ea
-—-———-
Ny
a <
7
<
LAK
AK
AAA
Ahi
'
SERVO
AMPL
PCB
bse
PLAY,
FFWO,REW
24V
ro-}----bA---
REV
OV
F.FWO,REW,REV_
24V
PLAY
OV
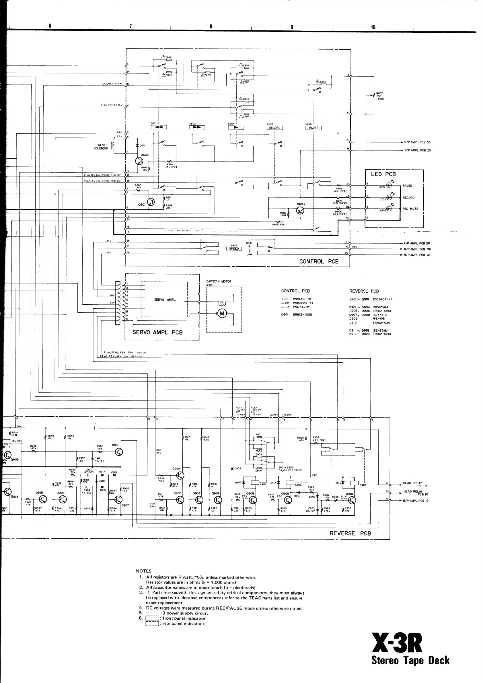
CONTROL
PC
CONTROL
PCB
Qé6ol
Q602
Q603
2SC1318
(S)
2SD600K
(F)
2SA733
(P)
D6OI
ERBI2-
0261
PLAY
AC6BV
REC
AC45V
REVERSE
PCB
Qs0i~
Qgis
0901
~
0904
D905,
D906
D907,
D908
0909
D910
gil
~
D918
D9I9,
D920
R9IO
3.3k
REV
24V
ae
R956
r
47k
i
a
0
Al?!
|
R948
10k
R945
10k
R958
Q9l8
18k
cio
47/50v
0917-0920
RSIS
10k
RIB
47k
0904
ROI6
R9ID
p208
47k
tk
Q906
9907
ngze
,
9908
iv’
22k
O.7V
(Vv
K)
iY)
iY
;
R920
10k
290112904
O.|
pF+1202/300V
4.7
(1/2W)
NOTES
1.
All
resistors
are
%
watt,
5%,
unless
marked
otherwise.
Resistor
values
are
in
ohms
(k
=
1,000
ohms).
2.
All
capacitor
values
are
in
microfarads
(p
=
picofarads).
3. .4
Parts
markedwith
this
sign
are
safety
critical
components.
they
must
always
be
replaced
with
identical
components-refer
to
the
TEAC
parts
list
and
ensure
exact
replacement.
———
+B
power
supply
circuit
.
[-
_]:
front
panel
indication
[~~~
1:
rear
panel
indication
Doe
DC
voltages
were
measured
during
REC/PAUSE
mode
unless
otherwise
noted.
Qgio0
D909
PLAY
TV
i)
1930
7k
R929
10k
°
R928
R'
270k,
4
2SC945A
(K)
IS2473HJ
ERBI2-
02GI
1S2473HJ
WZ-O6I
ERBI2-02G1
IS2473HJ
ERBI2-02GI
HEAD
RELAY
PCB
9
HEAD
RELAY
PCB
IO
R/P
AMPL
PCB
!9
REVERSE
PCB
X-3R
Stereo
Tape
Deck

Related product manuals