EasyManua.ls Logo

Technics QUARTZ ST-S4 - Page 12

Technics QUARTZ ST-S4
24 pages
Print Icon
To Next Page IconTo Next Page
To Next Page IconTo Next Page
To Previous Page IconTo Previous Page
To Previous Page IconTo Previous Page
Loading...
mw
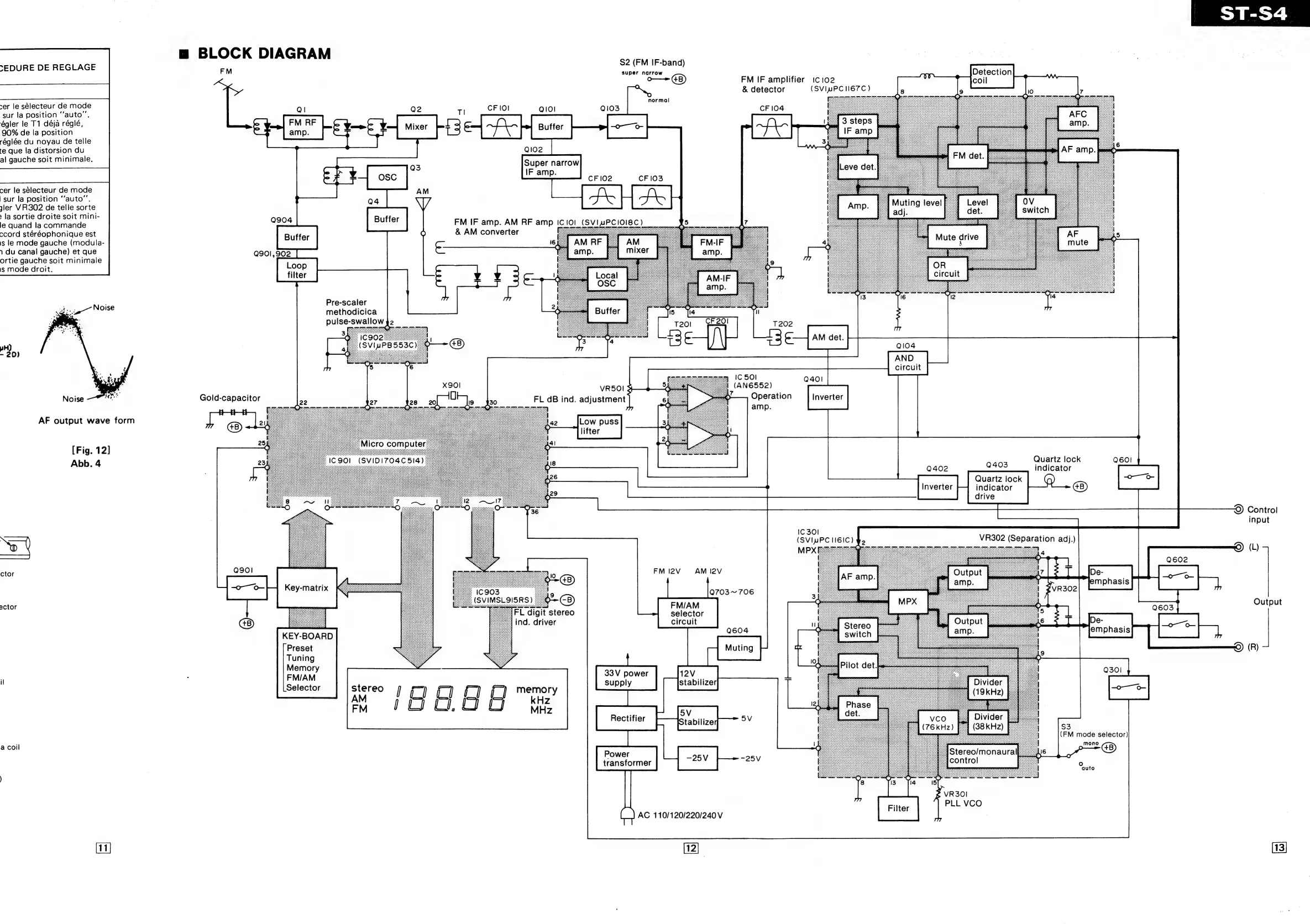
BLOCK
DIAGRAM
FM
S2
(FM
IF-band)
super
narrow
Detection
:
-¢5)
FM
IF
amplifier
icio2
SEDURE
DE
REGLAGE
:
&
detector
(SVIpPCIIG7C)
:
normal
ser
le
selecteur
de
mode
ei
és
m
ee
a
ee
ay
sur
la
position
“auto
.
ne
égler
le
T1
déja
reglé,
SY
az
:
Bier
f3
rs
90%
de
la
position
amp.
>
=e).
Mi
‘=
cae
a
es
régiée
du
noyau
de
telle
re
que
la
distorsion
du
al
gauche
soit
minimale.
Q102
Super
narrow
2
3
cer
le
selecteur
de
mode
AM
|}
sur
la
position
‘‘auto”’’.
Q4
jler
VR302
de
telle
sorte
»
la
sortie
droite
soit
mini-
le
quand
la
commande
ccord
stéréophonique
est
Q904
FM
IF
amp.
AM
RF
amp
IC10I
(SVIuPCIOISC)
5
?
|
sad
&
AM
converter
ie
is
le
mode
gauche
(modula-
Buffer
C-
16
1
du
canal
gauche)
et
que
aso1,go2
TT
O—<i‘<‘<;
CO!
df
eS
amp.
fe
mixer
Be
amp.
Fe
00
COE
Re
eee
ortie
gauche
soit
minimale
is
Mode
droit.
=
|
Pre-scaler
.
methodicica
pulse-swallow
92
T202
:
G-
AM
det.
AND
circuit
IC
50I
Q40!
(AN6552)
Operation
amp.
VR5OI
30
FL
dB
ind.
adjustment
Low
puss
lifter
Gold-capacitor
AF
output
wave
form
[Fig.
12]
Abb.
4
Quartz
lock
indicator
C9OI
(SVIDI7TO4C5I4)
Q403
Quartz
lock
indicator
drive
Q402
Inverter
Control
—————}
|__|
input
IC
301
S
(SVIWPC
IIGIC)
VR302
(Separation
adj.)
MPXE
2g
O)
(L)
:
Q602
Q901
FM
l2V)
AM
l2vV
7
E
De-
ctor
o—
ey-matrix
IC903
"
Q703~
706
3
]
sctor
ASA
tenon
FM/AM
utp
>
FL
digit
stereo
selector
:
:
ind.
driver
circuit
J
emphasis
KEY-BOARD
=
i
Tuning
10
HAR
33V
power
12V
prs
il
Supply
stabilizer
|
Selector
Stereo
7
(77)
£)
fv
{_}
memory
aac
AM
i
7
~~
kHz
jamhal
:
Stabilize
(38kHz
S3
(FM
mode
selector)
a
coil
|
mono
Power
_95\
Sey
:
transformer
ares
2
VR30I
(_)
AC
110/120/220/240V
:
i
iz)