EasyManua.ls Logo

Technics QUARTZ ST-S4 - Page 16

Technics QUARTZ ST-S4
24 pages
Print Icon
To Next Page IconTo Next Page
To Next Page IconTo Next Page
To Previous Page IconTo Previous Page
To Previous Page IconTo Previous Page
Loading...
‘pamaaed
“on”
position.
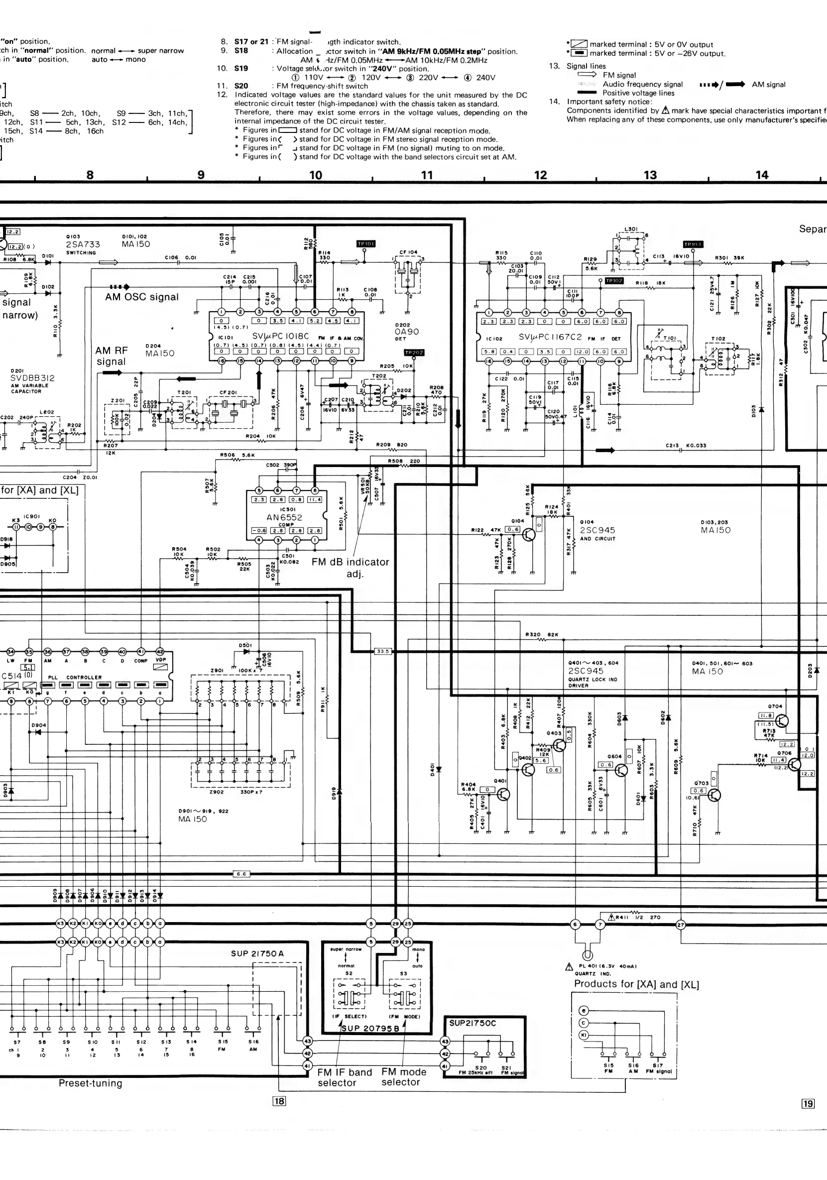
8.
$17
or
21
:
FM
signal-
sgth
indicator
switch.
*(~]
marked
terminal
:
5V
or
OV
output
ch
in
‘‘normal”’
position.
normal
«—+
super
narrow
9.
$18
:
Allocation
_
:ctor
switch
in
“AM
9kHz/FM
0.05MHz
step”
position.
*(
mm]
marked
terminal
:
5V
or
—26V
output.
in
“‘auto”
position.
auto
-—»
mono
AM
¢
4z/FM
0.05MHz
—*AM
10kHz/FM
0.2MHz
;
;
10.
$19
:
Voltage
selek.zor
switch
in
‘'240V"
position.
13.
Signal
lines
@
110V
-—+
@
120V
+
©
220V=—+
@
240V
——
FM
signal
|
|
11.
$20
:
FM
frequency-shift
switch
~~
Audio
frequency
signal
sua
a
/
ama
AM
signal
]
12.
Indicated
voltage
values
are
the
standard
values
for
the
unit
measured
by
the
DC
wuum=
Positive
voltage
lines
‘toh
electronic
circuit
tester
(high-impedance)
with
the
chassis
taken
as
standard.
14.
Important
safety
notice:
Ich,
SB
2ch,
10ch,
$9
3ch,
11ch,
Therefore,
there
may
exist
some
errors
in
the
voltage
values,
depending
on
the
Components
identified
by
A\
mark
have
special
characteristics
important
f
12ch,
S11——
5ch,
13ch,
$12
——
6ch,
veh
internal
impedance
of
the
DC
circuit
tester.
When
replacing
any
of
these
components,
use
only
manufacturer's
specifiec
15ch,
S14
——
8ch,
16ch
*
Figures
in)
stand
for
DC
voltage
in
FM/AM
signal
reception
mode.
.
itch
*
Figuresing
>
stand
for
DC
voltage
in
FM
stereo
signal
reception
mode.
*
Figuresin®™
4stand
for
DC
voltage
in
FM
(no
signal)
muting
to
on
mode.
*
Figures
in€
—)
stand
for
DC
voltage
with
the
band
selectors
circuit
set
at
AM.
8 9
10
11
12
13
14
#22
0103
DIO1,
102
fare)
2SA733.
=
MAI50
SWITCHING
R108
6.6K
ae
Ci0oé6é
0.0i
a
O
cits)
=16vI0
4
-
R30I
39K
clos
0.01
+4
16K
i
|
Q104
0103,
203
2SC945
MAI5O
|
ANO
CIRCUIT
=
E
——
|
Ri27
(OK
signal
AM
OSC
signal
narrow)
Cl2t
25V4.7
y
+
RIl0
3.3K
C30!
16viI00
0204
AMRF
wais5o
C302
K0.047
47
020!
SVDBB3l2
AM
VARIABLE
CAPACITOR
R312
Leo2
C202
240P-———7>
RIS
27K
i
R202
.
>
AI
14
IK
|
3
ee]
|
———
C204
2Z0.0I
for
DXA}
and
XU
|
RI28
270K
R317
47K
LW
FM
AM
A
B
c
oO
Q401~~
403
,
604
2SC945
C514
(0)
aoe
=
~~
°
QUARTZ
LOCK
IND
=)
|
Py
|
fea
ORIVER
KA
ae
9
t
e
d
c
a
o
O
8
b
Opa
Oa
ee
a
pC
pO
ae)
PAH
=
a
|
|
-—
tJ
La
LU
Ss
ee
Se
le
7
pj
tf
ttt
2
Is
14
040!
0903
R605
33K
oT
x|
>
w
|
Oy
eee
(a
08
-
eee
|
3
a}o
ogo
[HI
|
D909
LL
Bean
Weare
Oe
@
uy
A
PL
401
(6.3V
40mA)
QUARTZ
IND.
Products
for
[XA]
and
[XL]
SUP
21750A
ae
Se
ae
$15
Ssié
17
FM
IF
band
FM
mode
|
FM
aM
F
$20
S21
sionelil
Preset-tuning
selector
selector
xy
oa
be
ese
eA
Anise