EasyManua.ls Logo

Technics RS-676US - Page 55

Technics RS-676US
61 pages
Print Icon
To Next Page IconTo Next Page
To Next Page IconTo Next Page
To Previous Page IconTo Previous Page
To Previous Page IconTo Previous Page
Loading...
L
RS-676US
ome
$103
O62
Se
Se
,
AF
AMP
=~
AF
AMP
ie
251828
2sce44
:
(RST
(RST)
025
25¥33
8
.
oo
»
|
+1.8V
j
R35,
270K
R37_
82K
3.9K
AWW
at
33
16v220
C39
6¥100
AW
R47
330
METER
AMP.
METER
AMP
TIS
TH3
2SC828(R.S.T)
R93
10K
1
|
o
6
|
d
:
L
|
TEVEL
METER
2
oe
LINE
OUT
%
Po
J605
6
@
\o|
a
C601.
re
@
5P
DIN
J.
©
4607
C49
16V0.22
AF
AMP
AF
AMP
16
18
2SC644
2SC828
(RST)
(RST)
(26
2533
R36.
270K
Wi
C40
¥100
WER
SUPPLY
BLOCK
TER
c----
Ito
cotRoL
|
BLOCK
R311
S612)
FUSE
1A
AC
POWER
HEADPHONES
J.
4503
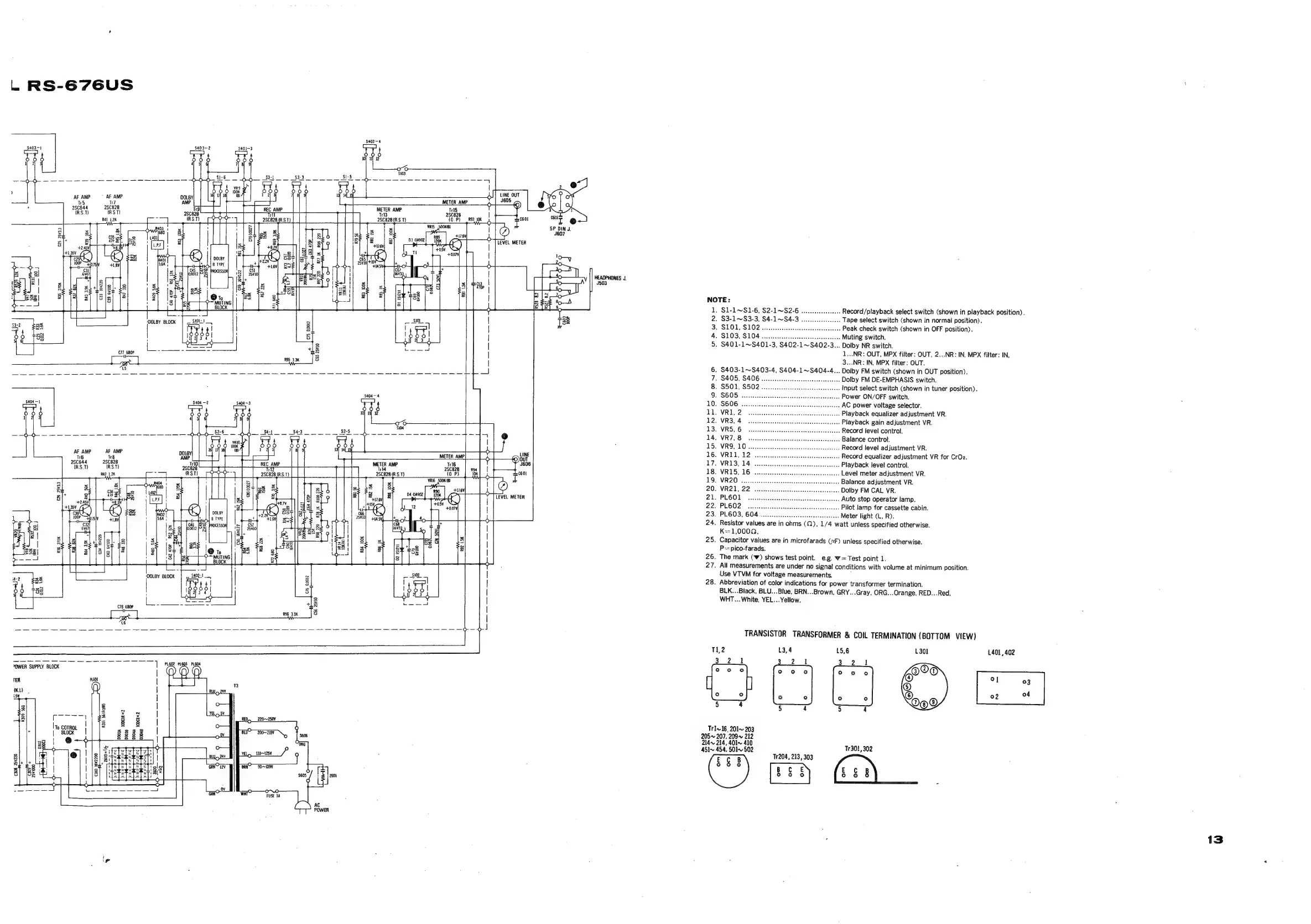
NOTE:
1.
$1-1~S$1-6,
$2-1~S82-6
we
Record/playback
select
switch
(shown
in
playback
position).
2.
$3-1~S3-3,
$4-1~S4-3
....
.-.
Tape
select
switch
(shown
in
normal
position).
3.
$101,
$102..
Peak
check
switch
(shown
in
OFF
position).
4.
$103,
$104..
Muting
switch.
5.
S401-1~S401-3,
$402-1~S402-3...
Dolby
NR
switch.
26.
27.
28.
112
13,4
3.2
~21
21
1
°o
°o
°
°
oo
°
°
°
7
°
:
°
°
°
°
M%
®
02
56
2 4
5 a
5
a
1...NR:
OUT,
MPX
filter:
OUT,
2...NR:
IN,
MPX
filter:
IN,
3...NR:
IN,
MPX
filter:
OUT.
-
$403-1~S403-4,
S404-1~S404-4...
Dolby
FM
switch
(shown
in
OUT
position).
.
$405,
S406..
Dolby
FM
DE-EMPHASIS
switch.
.
$501,
$502.
Input
select
switch
(shown
in
tuner
position).
$605
Power
ON/OFF
switch.
.
$606
..
AC
power
voltage
selector.
.
VR1,
2
Playback
equalizer
adjustment
VR.
.
VR3,
4
Playback
gain
adjustment
VR.
.
VR5,
6
Record
level
control.
.
VR7,8
Balance
control.
.
VRI,
10...
Record
level
adjustment
VR.
.
VR11,12
..
..
Record
equalizer
adjustment
VR
for
CrOz.
VR13,
14
.....
..
Playback
level
control.
VR15,
16
.....
..
Level
meter
adjustment
VR.
VR20
.....
..
Balance
adjustment
VR.
VR21,
22
0.0...
..
Dolby
FM
CAL
VR.
PL601
........
..
Auto
stop
operator
lamp.
.
PL602
.....
..
Pilot
lamp
for
cassette
cabin.
APLOO
8
BO4
&
sh
ceiastdin
sadiclaveritincs
Meter
light
(L,
R).
.
Resistor
values
are
in
ohms
(Q),
1/4
watt
unless
specified
otherwise.
K=-1,000Q.
.
Capacitor
values
are
in
microfarads
(¢F)
unless
specified
otherwise.
P=
pico-farads.
The
mark
(w)
shows
test
point.
e.g.
w=
Test
point
1.
All
measurements
are
under
no
signal
conditions
with
volume
at
minimum
position.
Use
VTVM
for
voltage
measurements.
:
Abbreviation
of
color
indications
for
power
transformer
termination.
BLK...Black,
BLU...Blue,
BRN...Brown,
GRY...Gray,
ORG...Orange,
RED...Red,
WHT...White,
YEL...Yellow.
TRANSISTOR
TRANSFORMER
&
COIL
TERMINATION
(BOTTOM
VIEW)
5.6
L301
3.2
GOO
L401,
402
°}
03
OS
Trl~16,201~
203
205~
207,
209-v
212
214~
214,
401~
410
451~
454,
501~
502
1301,
302
11204,
213,
303
§
§
8

Related product manuals