EasyManua.ls Logo

Technics RS-676US - Page 56

Technics RS-676US
61 pages
Print Icon
To Next Page IconTo Next Page
To Next Page IconTo Next Page
To Previous Page IconTo Previous Page
To Previous Page IconTo Previous Page
Loading...
14
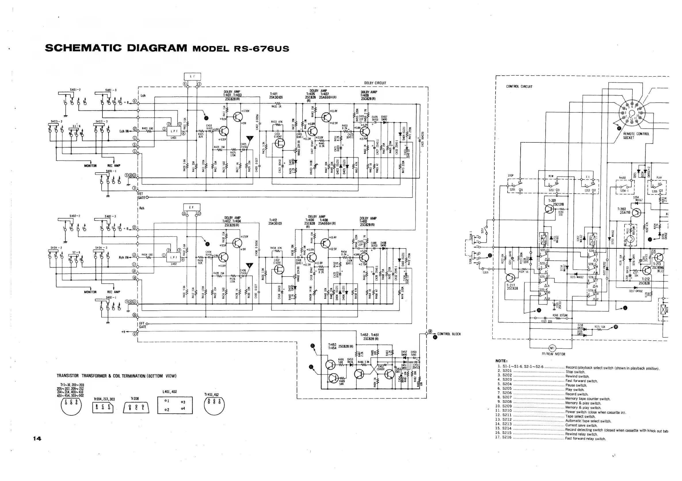
SCHEMATIC
DIAGRAM
MODEL
RS-676US
DOLBY
CIRCUIT
|
CONTROL
CIRCUIT
gue
sees
Rage
eS
a
ge
ee
7
!
$401-2
$401
—3
|
DOLBY
ee
Tan
1405.
1/407
poy
AMP
|
Lech
rs
SRT
2SK30(0)
250828
2SABB6H(R)
2SC828(R)
|
|
Pees
Tadeo
|
!
?
:
0407
|
|
5
8
429
|
$403-2
$403
~3
Q
lor
3
FS
|
+
S1-6
o|
R403
ol
od
=
0s
gov
7
2
g
|
|
8.
=
ae)
Cae
u
i
°
OQ
140i
(iP)
=
3
$
2/2
=
|
|
5
|
3
S
|
ised
[of
=
a
Sane
|
|
ee
z
8
baa
|
!
;
:
al.
dys
AE
:
|
|
5
gS
°
2
a
=
25e
se
MONITOR
REC
AMP
|
=
2
3
2]
3
3
31s
z
|
I
s4ot-1
an
ied
a
a
|
S
Ges
|
|
a0
ieee
|
fete
[PC
|
!
QO
O
|
|
{
oF
|
|
FET.
|
|GATEO
|
|
ae
|
l
|
Reh
a
|
!
P
$402—2
$402
-3
|
®5
¢
DOLBY
AMP
1
rir
TDs
DOLBY
AMP
|
11412
4
Tr
1140211404
2SK30(0)
2SCB28
2SA666H(R)
2SC828{R)
|
(ae
ener
eg
sel
:
i
i
5
u,
if
4
dub.
®L
ey
|
=
C1)
=
i=J
Ff
a
|
g
anes
et
g
.
eam,
bat
|
?
%
3
R034
47K
a
i
|
5404-2
$404
-3
|
Qa
az
3
3
s
|
ra
S2-6
R404
680
@
z
3
7
y
y
4
§
oe
wa
4y
@s
LPF
2
|
8
oO
>
6
dit
OO
Rch
IN
=
®
(42,
;
3
|
:
OL
=
om
g
SIRE]
+
5
|
ee)
ee
Bs
[Xb
8
saete|
3
a
eee
2
g
a
a
el
|
|
Zl
«|
&
3
z|+
33
|
MONITOR
REC
AMP
ee
23
=
g
z/
gx
l
$402-1
|
e) z)
é
3
S|
35
t
{
OOD)
|
b
2
?
eee
|
@)
|
|
EFT
O
|
GATE
®_.
eo
&
11452,
TrA5t
on™
SY
ode
E
OPERA
TT
ES
SD
ing
ee
eee
@
2SC828
(R)
|
eg
i
aa
et
eh
|
A
1453
23¢828
(R)
|
FF/REW
MOTOR
R490
0453
NOTE:
|
(SH
seh
RA
|
1.
S1-1~$1-6,
$2-1~$2-6
veces
Record/playback
select
switch
(shown
in
playback
position).
8
ray,
|
2ES2O1
chek
wosuessieetet
..
Stop
switch.
|
a)
|
3.
$202.
..
Rewind
switch.
4.
S20
3%
sytenk
ctecsiveestees
..
Fast
forward
switch.
TRANSISTOR
TRANSFORMER
&
COIL
TERMINATION
(BOTTOM
VIEW)
|
(er:
|
i
eh
|
56K
l
6.
$205
.
Play
switch
goon
meas
:
|
7.
$206
.
..
Record
switch.
~~
£01,
Uv
L401,
402
8.
$207.
..
Memory
tape
counter
switch.
aay
ae
Trail,
412
ESS
ee
ree
cane
eee
ese
9.
$208
.
..
Memory
&
play
switch.
7
7
1204,
213,
303
11208
ol
03
9
§
3
10.
$209.
..
Memory
&
play
switch.
6
4
°
BCE
°°
0
.
dD
S210
wee.
tecnica
tess
..
Power
switch
(close
when
cassette
in).
BoC:
02
04
12:
S2U
Vie
were
oe
..
Tape
select
switch.
-
13.
$212.
.
Automatic
tape
select
switch.
14.
$213.
.
Current
save
switch.
15.
$214.
-
Record
detecting
switch
(closed
when
cassette
with
knock
out
tab
16.
S215
.
.
Rewind
relay
switch.
.
17.
$216
....
.
Fast
forward
relay
switch.

Related product manuals