EasyManua.ls Logo

Technics RS-B965 - Page 23

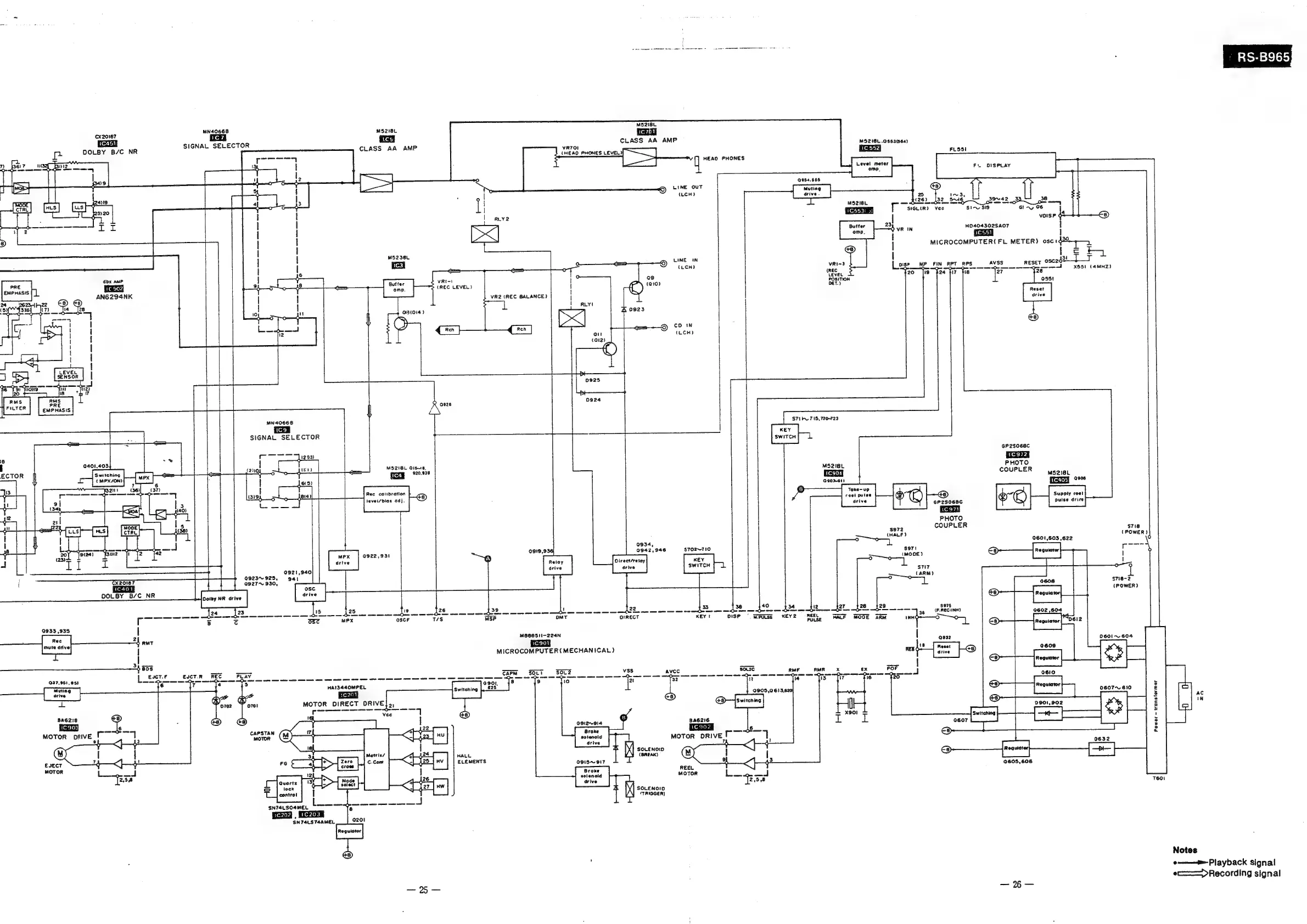
Technics RS-B965
54 pages
Print Icon
To Next Page IconTo Next Page
To Next Page IconTo Next Page
To Previous Page IconTo Previous Page
To Previous Page IconTo Previous Page
Loading...
RS-B965
MN40668
mszie
MozieL
218t
x20187
_
SIGNAL
SELECTOR
cake
wa
ANE
ee
CLASS
AA
AMP
MS5218L.0553664)
p
DOLBY
B/C
NR
enn
ipiones
CeVeRD
FL9SI
Sel
x
PHONES
?
be?
Ga
boi2
ma
|
eno
J
Lae
OS
|
Fi.
DISPLAY
ae
p09
are
5
Ae
I
0954,555
moos
el
LINE
OUT
{
ns
pes
a
a
q
a
ee
if
undies
fze)_
[se
2
sue
Uy
28S
C
bs20
i
|
|
a
SIGLIR)
Vee
since
|
|
rive
vorsp
d=
€8)
et
es
eerie
meee
comm
cece
I
|
2
SO
1
W0404302SA07
|
|
<q
he
D
|
MICROCOMPUTER(
FL
METER)
osc
1327
|
MS5238L
LINE
IN
H
2
I
z
iC3
°
e=
avsS
RESET
OSC2
|
|
-
(LCH)
Louse
MP
FIN
RPT
ees
soa
4
Sear
Guana
As
0
20
$24
tir
dbx
AMP
|
vrici
|
ae
2,
5-4
=
(REC
LEVEL)
J
ANG294NK
|
|
VR2
(REC
BALANCE)
\
ees
|
|
!
'
Ruy
10.
"
31014)
CS
K
0923
:
DX
2)
ee
e=ss
cD
IN
12
on
=o)
(LCH)
(aia)
C)
NN
p24
MN4066B8
STI
715,
720-723
Rey
SIGNAL
SELECTOR
Zaree
GP2so6ac
:
401,403.
[
i
i
:
(200,
De
aa
MSZIBL
Oisuis,
MS218L
PHOTO
cen
|
[mex
|
ae]
;
race
|
as
COUPLER
sziaL
7
6
|
Jes)
asomer
ety
oe
8
eer
el
sh
ees
ime
Y
r
Y
7
(393
at
Rec
catibration
fake~u}
oes
baal
1
o|
tevei/dias
adj.
‘5
34
=
|
3
a
GP2so6ac
pulse
drire
.
<foa|
(40)
u
2
=
Mc
973]
fi
il
7
ls
PHOTO
$
ofA
iisth—{as}]
[Cree
Asan
oy
COUPLER
sre
I
ll
|
(HALF)
(POWER)
f
a
oo
e601,
pe
622
o
Fi
L.
Paces)
ee
Ces
eee
0934,
wena
pane
Y
Yn
yr
yz
[42
0919,936
0942,946
2~7
1
s97i
\
2a
ane
0922,931
(MODE?
co
aout
|
4
I
ik
BE
Direct/retay
KEY
i
zs
rive
swiTcH
A
as
:
i
0921,940
;
;
9923~925,
941
(ARM)
i
¢x20187
;
i
|
0927~
930,
oy,
ces
718-2
(POWER)
38
40
7
28
29
$075
woe
ee
BS
fie
ze
ee
——~-——
yes:
}
es
CS
Ct
Ne
Reeth
Sgeoveda
CT
t
ra
ost
mMPX
oscr
vs
MSP
OMT
OIrRECT
KEY!
DISP)
=
WRULSE«-KEY2
«=
REEL,
©
HALF
«MODE
«ARM
inn
ecu
<q
fe
lator
0933
,935
|
sa
2
Mee851i-224N
iter
Q
RMT
932
060i~
604
I
MICROCOMPUTER(
MECHANICAL)
af
aos
So
Sore
ast
ale
ay
——a
=
0
ah
AN
era
i
Q37,951,053
ee
eee
ee
ee
ee
ee
ee
ee
ee
ae
ee
ane
me
7}
ms
HAIS440MPEL
:
5
ac
~
€8)
:
IN
s
et
8a6218
¢8)
ek
ni
r-
s_4
O9I2v914
3
MOTOR
onWE
TT
MoTOR
oRIVE
I”
7
N
SOLENOID
(BREAK)
Peat
ELEMENTS
0915~
917
meee
605,606
MOTOR
Broke
solenoid
MOTOR
a
—4
drive
Ber
T601
SOLENOID
contro!
(TRIGGER)
SN74LSO4MEL
1)
,
AIEXEN
SNT4LST4AMEL
Notes
o——#
Playback
signal
ec——>
Recording
signal

Other manuals for Technics RS-B965

Related product manuals