EasyManua.ls Logo

Technics RS-B965 - Page 22

Technics RS-B965
54 pages
Print Icon
To Next Page IconTo Next Page
To Next Page IconTo Next Page
To Previous Page IconTo Previous Page
To Previous Page IconTo Previous Page
Loading...
|
Mi
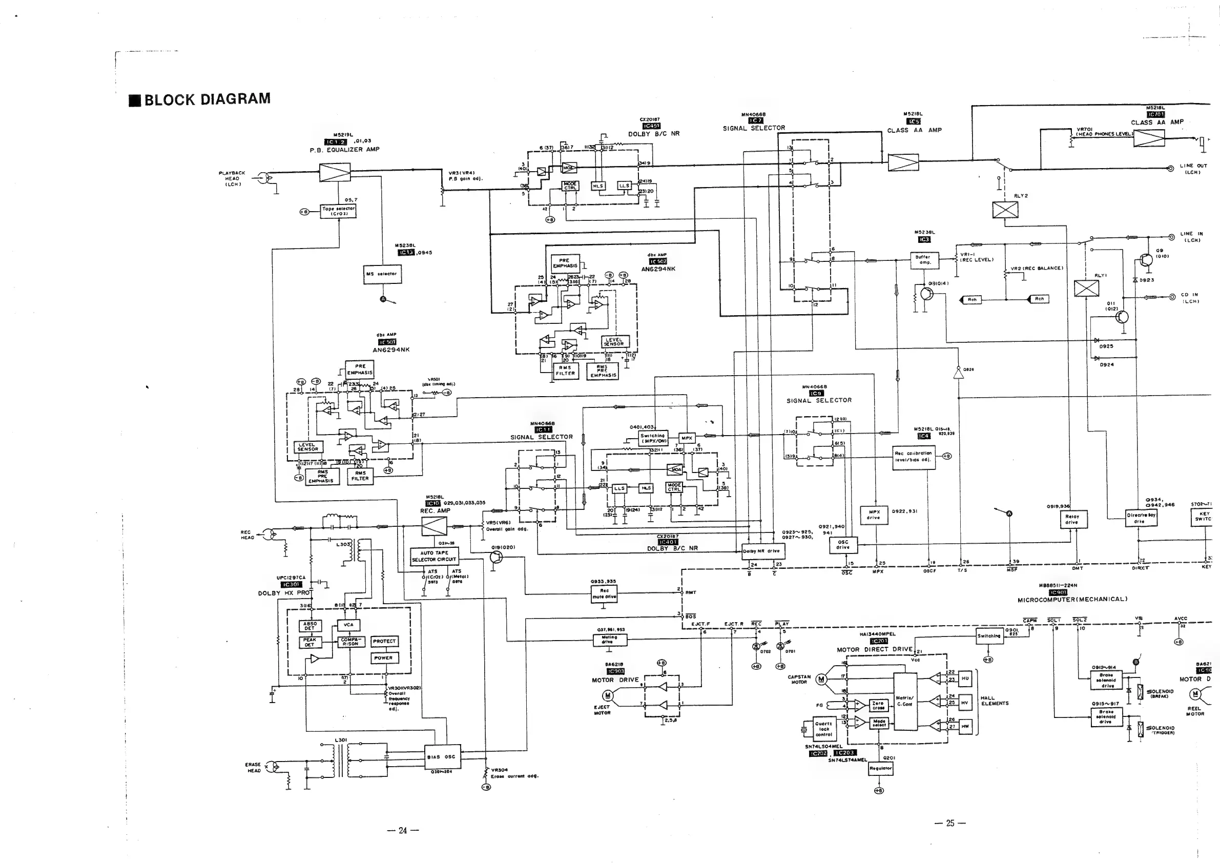
BLOCK
DIAGRAM
MS5219U
91,03
P.B.
EQUALIZER
AMP
ae
Y
—_|
VR3(VR4)
rs
—%%
eS
item)
:
P.B
gain
ad}.
05,7
Tope
selector!
&®)
(CrO2)
MS238U
KE
0045
A
obx
AMP
AN6294NK
C8)
¥
vaso!
at.
Med
i
Te
a
4)
2:
(dbx
timing
adj.)
‘cme
a
=)
>
>
ae
ee
n
a
[
foe
13
o—w-Ca)
{|
Cal
1
fea
tal]
ee
|
i}
i
4
y2)27
1
|
D>
let
(8)
LEVEL
\
{
LSENSoR
Hp
Py
STAT
am
jee
|
Lo.
nF
ce
TOTS
pend
RMS
¢8)
PRE
slate
MS5218L
029,031,033,035,
REC.
AMP
[
REC
S
a
.
a
:
weEAD
~
\_Y
L30.
5
canes
AUTO TAPE
SELECTOR
CIRCUIT
ats
upciz97¢a
(ror)
d/tMetol)
DOLBY
HX
PRO
L301
ERASE
HEAD
$973
S976
ares)
030304
6(37)
B67
poe
&
O
vasivacsy
Loaded
Overnil
gain
adg.
@19(020)
(D
VR304
Erase
current
adg.
C8)
wot
nie
MN40668
MS218L.
MSZ16L
x20187
lic7]
fic
701]
1451
iGN
R
DOLBY
B/C
NR
SR
rape
CLASS
AA
AMP
vera
CLASS
AA
AMP
PE
-_—4
(HEAO
PHONES
LEVEL
)|
q
r
&
5
|
LINE
OUT
|
:
|
(LeH)
ss
i!
|
1
rye
l
|
|
|
|
|
|
|
M5236L
LINE
IN
|
|
|
ic3
|
(LCH)
|
res
4
dbx
AMP
-
fic
502}
VRI-1
aoaa
:
(REC
LEVEL)
(a10)
AN6294NK
|
!
VR2
(REC
BALANCE)
7
10
i
i
So
!
|
ise
ees
|
12
Di
Fa]
by
17
MN40668
|.
|
:
SIGNAL
SELECTOR
c---
al
MS218L
Oise,
j
920,939
dist
Rec
caiibration
{
ae
tevel/bias
odj.
i
\
0934,
i
942,946
$702~71
ial
|
o923~
925,
Yt
|
9927~
930,
eae
oman
24
23
r
=
2933
,935
|
2
9
RMT
33
505
EUCT.F
EUCT.R
Q37,
951,953
ae
ae
eee
ee
se
aft
re
|
BA6218
&6)
6
motor
orive
sf
<]
7
3
EJECT
MOTOR
MB885II-2
1cg01
MICROCOMPUTER(
MECHANICAL)
24N
sOLt
SOL2
ee
ee
ee
eee
ee
oe
oe
BAG2!
MOTOR
D
SSOLENOIO
(BREAK)
ELEMENTS
REEL
MOTOR
SSOLENOID
control
'TRIGGER)
SN7T4LSO4MEL
|
C202
;
EELEn
C203
SNT4LST4AMEL

Other manuals for Technics RS-B965

Related product manuals