EasyManua.ls Logo

Technics RS-CH770 - Page 6

Technics RS-CH770
37 pages
Print Icon
To Next Page IconTo Next Page
To Next Page IconTo Next Page
To Previous Page IconTo Previous Page
To Previous Page IconTo Previous Page
Loading...
RS-CH770
|
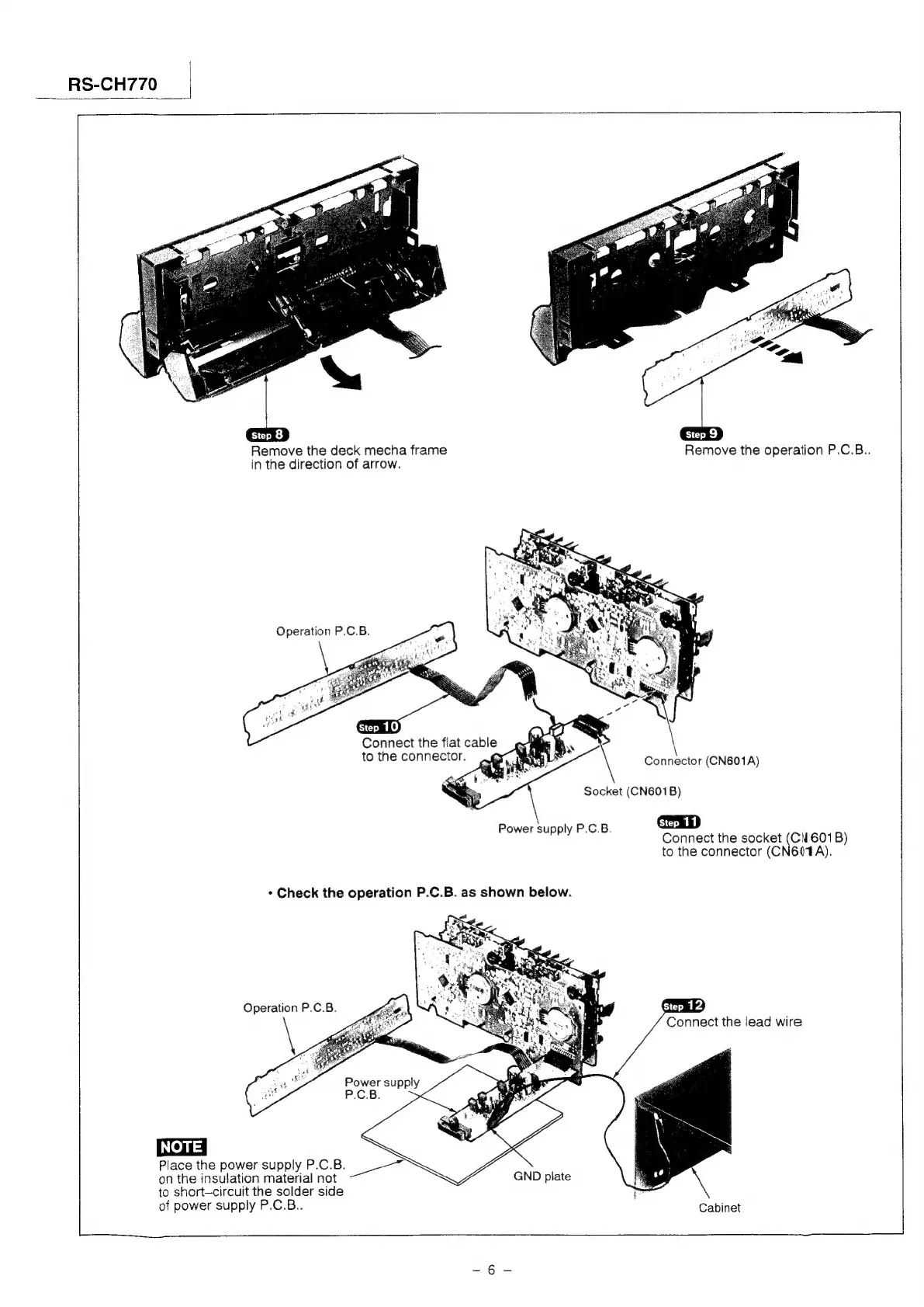
Remove
the
deck
mecha
frame
in
the
direction
of
arrow.
Remove
the
operation
P.C.B..
Operation
P.C.B.
Connect
the
flat
cable
to
the
connector.
\
Connector
(CN601A)
Socket
(CN601B)
Power
supply
P.C.B.
aD
Connect
the
socket
(CN
601B)
to
the
connector
(CN6(4A).
¢
Check
the
operation
P.C.B.
as
shown
below.
Operation
P.C.B.
Connect
the
lead
wire
NOTE
Place
the
power
supply
P.C.B.
on
the
insulation
material!
not
aes
to
short-circuit
the
solder
side
GND
plate
of
power
supply
P.C.B..
Cabinet
eae

Related product manuals