EasyManua.ls Logo

Technics RS-M250 - Schematic Diagram

Technics RS-M250
27 pages
Print Icon
To Next Page IconTo Next Page
To Next Page IconTo Next Page
To Previous Page IconTo Previous Page
To Previous Page IconTo Previous Page
Loading...
RS-M250
1
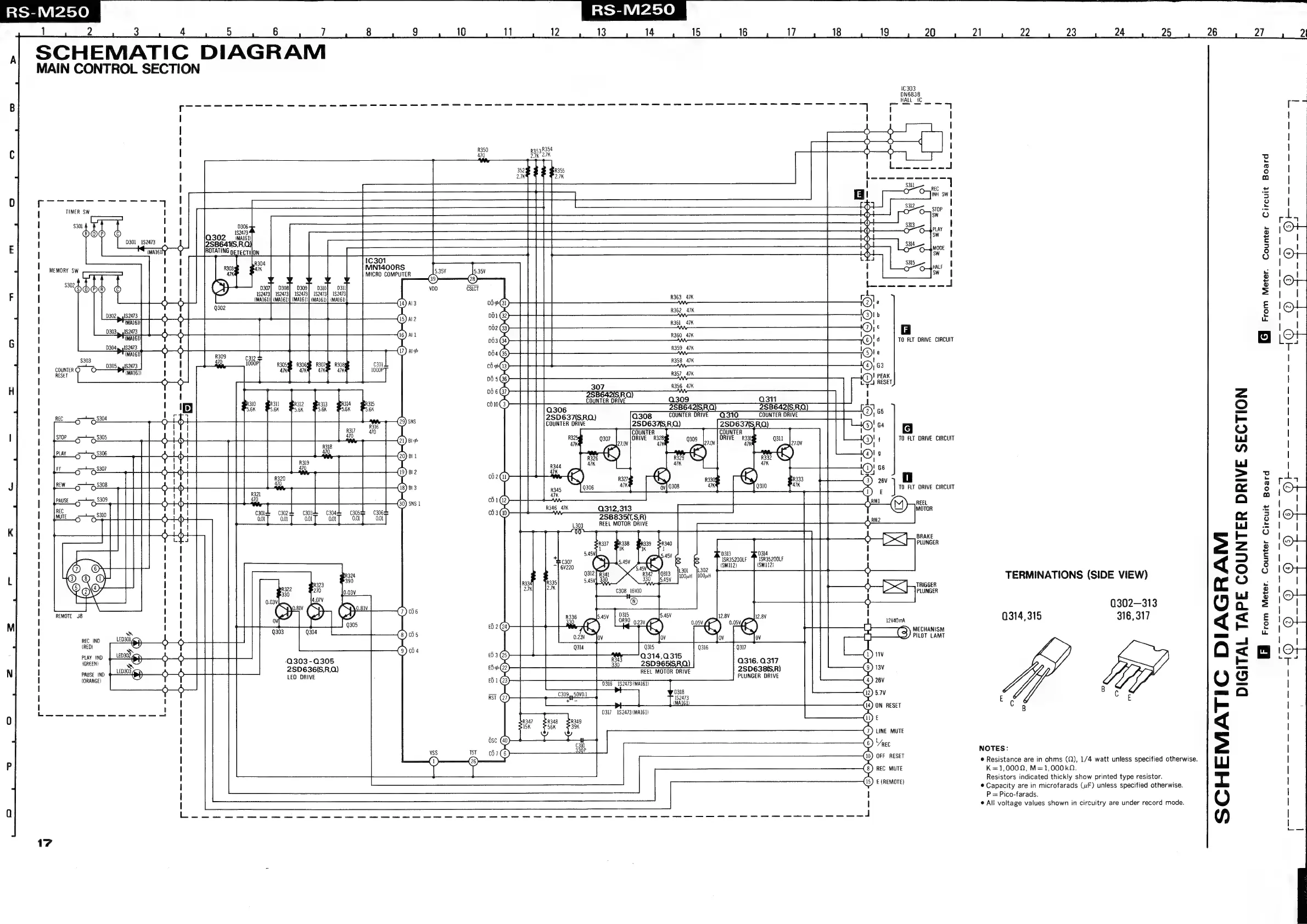
SCHEMATIC
DIAGRAM
RS-M250
2
3
4
5
6
1
8 9
10
u
13
14
15
16
V7
18 19
20
MAIN
CONTROL
SECTION
17
1¢303
DN6838
ete
es
es
a
ee
et
fot
ee
eS
eS
SS
Se
SS
Se
ee
es
a
es
ee
HALL
IC
B
r
7
1
|
|
1
ot
;
|
perme
eas
ee
aa
O
O
q
c
|
oe
ae
eg
|
I
pee
ee
ee
|
I
[re
oS
ones
|
I
Sil
pec
7
Gi
OT
O7FVna
swt
aD
$312
I
TIMER
SW
|
ae
OOP
oT
oa
©
Oak
eg
rp
ee
I
I
S301
_.
$e
SB
|
y
Toe
;
es
re
ee
ee
ee
ee
OT
OT
I
O
c
|
0301182473
[ie
hm
Ss
a
eee
ee
ee
ee
s3i4
aie
|
[ce
Oo
O
SW
|
MNT400RS
ai
=
M
R
HALF
|
aes
MICRO
COMPUTER
\
OT
OTsH
|
|
$302,
eee
eS
el
F
I
R363
47K
|
:
|
iO!
b
I
@*
F
G
|
talon
uv
Gy!
4
a
DRIVE
CIRCUIT
\
0304
p
182473
IO
{MAI61)
le
|
pas
0305»
4182473
R358
47K
!
|
|
counter”
0
(4),
63
RESET
(MAI6T)
fl
l
(7)!
PEAK
H
;
307
R356
47K
LSA)
RESET,
Bo421S
RO)
I
I
B30
BRS
BRGIZ
BRIS
RGIS
COUNTER
DRIVE
Q309
Q311
1
I
5.6K
SP5K
SP5GK
PSBK
SEK
6
306
B642/
'SB64.
an
i)!
nt
|
fi
etait
2SD6371SRO)
0308
COUNTER
DRIVE
Q310
COUNTER
DRIVE
rr
WN
!
TT
Heo
Gat
|
1
470
“1
|
\
STOP
$305
py
G3)!
+
TO
FLT
DRIVE
CIRCUIT
R318
1
l
PLAY
5—=
$306,
470
(aI
9
I
I
1
fe
6
tsa
17)
)!
68
1
frew
tba
ow)
0
308
J
|
eae
*
:
]
TO
FLT
DRIVE
CIRCUIT
)
fs
oO
|
[|g
RMI
REEL
|
1
$310
a
|
Ua
rua
Q312,313
MOTOR
aN
O
2SB835(7,S.R)
iio
|
REEL
MOTOR
DRIVE
O
K
1.303
]
is
H
LL
S277.
BRAKE
I
|
Q—[
><
pple
|
I
®
©
O
lf
1
|
OAH
|
=
TRIGGER
|
L-\
O
|
REMOTE
J8
!
M
l
12V40mA
I
~
Ls
=)
MECHANISM
|
REC_
IND
Lost
a
(3
PILOT
LAMT
|
PLAY.
IND
aN
d
0314,0315
CQ)
11
|
(GREEN!
eh)
rr
Ty
0303-0305
2SD965ISRQ)
0316,
0317
N
]
PAUSE
IND
fh
oO—-O
2SD636(S,R.Q)
2SD638(S,R)
(9)
13
l
(ORANGE)
hee
LED
DRIVE
PLUNGER
DRIVE
|
ad
ee
ES)
(4)
26v
I
:
ee
450V0.1
(12)
5.7V
I
1
I
(14)
ON
RESET
Ws
cs,
Saco
esc
coms
mie
tru<cemces
<ell|
|
0317
182473(MAI61)
}
ti
0
I
(11)
(7)
LINE
MUTE
I
(5)
Vee
I
(10)
OFF
RESET
P
(8)
REC
MUTE
|
(15)
&
(REMOTE)
!
I
I
I
Q
Leveeotee
ea
ee
ee
yas
aa
ar
ees
gees
rad
ae
Sa
ee
ge
et
ee
et
ee
ee
21
22 23
24
25
TERMINATIONS
(SIDE
VIEW)
0302—313
0314,
315
316,317
B
C
E
C
i
E
NOTES:
©
Resistance
are
in
ohms
(Q),
1/4
watt
unless
specified
otherwise.
K=1,0009,
M=1,000kQ.
Resistors
indicated
thickly
show
printed
type
resistor.
©
Capacity
are
in
microfarads
(uF)
unless
specified
otherwise.
P
=
Pico-farads.
©
All
voltage
values
shown
in
circuitry
are
under
record
mode.
26
SCHEMATIC
DIAGRAM
DIGITAL
TAPE
COUNTER
DRIVE
SECTION
27
G
From
Meter.
Counter
Circuit
Board
|
F
|
From
Meter.
Counter
Circuit
Board
|
J
®@
@
©
Obh---------
Dy
a
ee
ee
oe
a
-----~----------H®
©
© © © ©
@+-----------HO
L
4
Fe
ge
8
ay
Om
ep
Nt
ee
ey
Vet
eo
el
L
\

Related product manuals