EasyManua.ls Logo

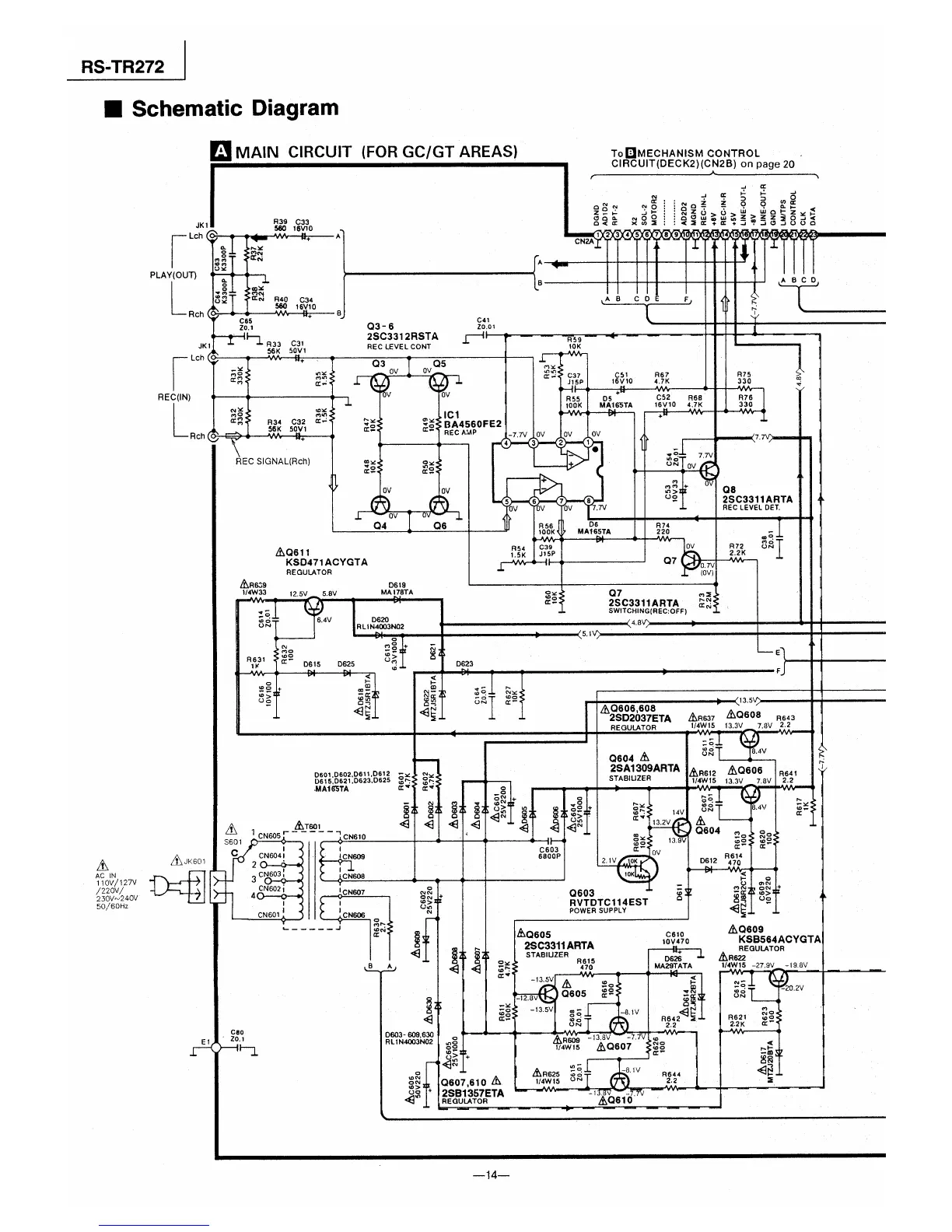
Technics RS-TR272 - Main Circuit Diagram (GC;GT Areas)

Technics RS-TR272
39 pages
Print Icon
To Next Page IconTo Next Page
To Next Page IconTo Next Page
To Previous Page IconTo Previous Page
To Previous Page IconTo Previous Page
Loading...

Other manuals for Technics RS-TR272

Related product manuals