EasyManua.ls Logo

Technics RS-TR474 - Page 38

Technics RS-TR474
50 pages
Print Icon
To Next Page IconTo Next Page
To Next Page IconTo Next Page
To Previous Page IconTo Previous Page
To Previous Page IconTo Previous Page
Loading...
20
21
22
23
24 25
26
27
28
29
[@]
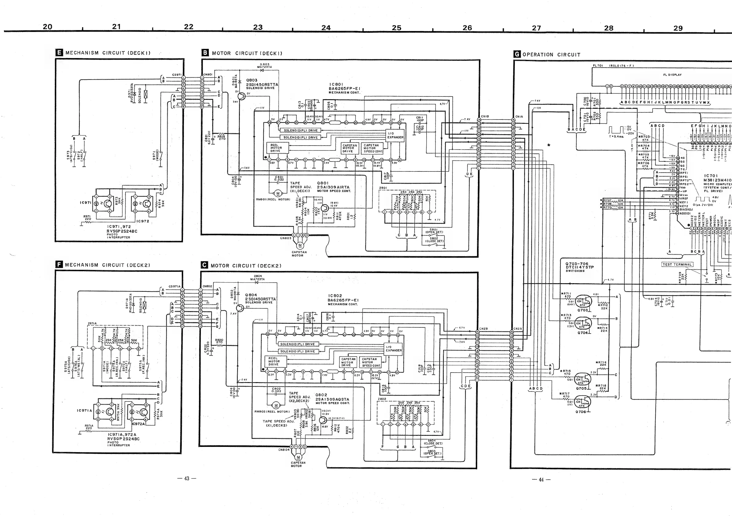
MecHaNism
circuit
(DECKI)
El
motor
circuit
(peck!)
Fel
operation
circuit
FL7Ot
(RSLO176
- F
)
0803
MAT23TA
14
FL
DISPLAY
Q803
2SDI450RSTTA
SOLENOID
DRIVE
'csol
BA6265FP-E1
Qa
5
MECHANISM
CONT,
Ff
oO
j+—
a
lav
Suz
09.
3
PX]
RT
RM
ABCDEFGHIJKLMNOPQRSTUVWX
a
b24
|
em.
85m
°
=.
&
vie
t+
he
-O
No
Oz
en
(O.4VIEIO.4Vi
pe:-a4
Seen
canes
oe.
is
ee
“By
-
1
BACDE
Disab
fe
ete
rn
as
EXPANDER
Teme
20
2
3
MOTOR
z
M6
Ope
ORIVE
g
RA
Ra
an
at
veg
we
b_4
4
o-0--0-a-co-$-$-0-4
©
(10.3)
[a
le
ee
ee
oe
re
oe
1c
701
M38123M410
MICRO
COMPUTEF
SPEED
ADJ.
2SAIZOQ9AIRTA
teen
oe
(X1,
DECK)
MOTOR
SPEED
CONT.
|
=f
|
[~~
~~"
"35k735K
25K
i=:
LOG)
VREF
7
poy
#ev
AMBOI(REEL
MOTOR)
LTA
a
SCD
Hy
LLLP
lov
aIR708
lok]
|_|
RREISR?
+
5
Olus.
2V/DIV
alrvro
ow
[Tv
,
1c971,972
RVSGP2S24BC
PHOTO
INTERRUPTER
$802
(CLOSE
DET)
CAPSTAN
MOTOR
Q703-706
DTCH4YSTP
SWITCHING
0804
MA723TA
CS97IA
Q804
2
SDISSORSTTA
SOLENOID
DRIVE
ov
1C802
BA6265FP-E!
MECHANISM
CONT.
D802
MAISSTA
°
<
O9TIA
RVDISSI33TA
a
.
Vv)
@
QO
+
(0.4vi]
10.4v1
Ww
nv
Q3-—G3)-—3)
c822
6.3V220
SO73A
(ATS/Cr02)
OD
SO76A
(ATS/METAL
)
S9O75A
(F.REC.INH
}
TAPE
aso2
SPEED
ADJ.
2SA13Z09AQSTA
(X2,DECK2)
MOTOR
SPEED
CONT.
25K
25K
25K
Ee
pends
RM8O2(REEL
MOTOR)
$@
es
TAPE
SPEED
ADu.
(X1,DECK2)
db
4
(2)
(4)
x“
a
m
<
nr
nt
na
oe
i
@)-
3
-@)--©-
-©--@-4
Sx.
4.7V-
ICOTIA,97T2A
22
RVSGP
2S24BC
ces
eel
ae
aes
a
PHOTO
(CLOSE
DET)
INTERRUPTER
(-)(B)
(A)
F
G6
BA
o
$803
|
:
(OPEN
DET.)
CAPSTAN
:
MOTOR
43
44

Other manuals for Technics RS-TR474

Related product manuals