EasyManua.ls Logo

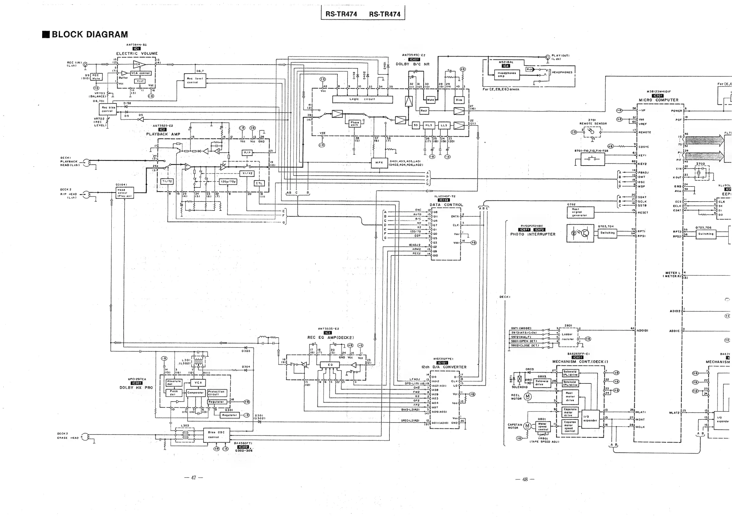
Technics RS-TR474 - BLOCK DIAGRAM

Technics RS-TR474
50 pages
Print Icon
To Next Page IconTo Next Page
To Next Page IconTo Next Page
To Previous Page IconTo Previous Page
To Previous Page IconTo Previous Page
Loading...
Mi
BLOCK
DIAGRAM
AN7384N-SG
ELECTRIC
VOLUME
ifs
REC
IN}
(ay
en
(uch)
eae]
|
Rec
tevel
controt
Q9]
REC
(Q10)]
Mute
VR703
(BALANCE)
08,701
Rec
bias
control
x
Pre
ray
0s
ars
are
eae
Ns
ae
crec
B
q
:
LEVEL)
AN7352S-E2
€8) ¢8)
PLAYBACK
AMP
R/P
DECK!
a
|
PLAYBACK
—<
ee
meee
te
a4
‘5
HEAD(Lch)
26
pss
+s
Kuios
ae
-<----
=
a
Q3104)
DECK
2
Head
_|
a.
é
R/P
HEAD
y
select
3
20
18
(Len)
7
i
oy
cen!
an
0303
be
aaing
L301)
|
(L302)!
AER
vPci297ca
1C301
DOLBY
HX
PRO
b
b
d
pecK2
.
gy
|
Bias
osc
ERASE
HEAD
X%
JY
:
cf]
contros
ety
BA4560F
TI
G8) €5)
(Ea,
.
9302-306
ions
ae
a
AB
Cc
t)
RS-TR474
RS-TR474
Logic
AN7353S~E2
Lex}
REC
EQ
AMP(DECK2)
S$
tH
a
circuit
ANT39485¢6°
£2
1c404
it
i
32
[31
CH)
Ht2)
,
e
/\
DOLBY
B/C
NR
+,
¢8)
PLAY(OUT)
~
P
wen
MS2Z1BAL
1c4
ee
[
HEADPHONES
t
Headpho
amp
Lois
—__
es
30
28
|29
For
CE,E
Ais)
JUS)
J
14)
pad
3
7
For
CE,EB8,EG)
areas.
Mae
DSRaIOE
-
ure]
[eos]
|
MICRO
COMPUTER
le,
.
eae
emcee
F
pom
er
SH
@—*h-w
sone
87
oe
z701
G8)
Sor
¥°
S
ji2ny
REMOTE
SENSOR
$
vrer
0401,403,405,L401
(0402,404,406,L402)
ENC
42
AUTO
15
psec
AUTON
18K
120770
o2P
1EAOU2
ARM2
REC2
ool!
7
rmaaancnnnnd)
Cf
o
o
o
———
26
125
[24 [23
KET)
|HBY
PID)
1120)
lots
i
Carp
XLU2Z040F-T2
DATA
CONTROL
ror
08
DATA
8
20
M62352FPEt
l2ch
D/A
CONVERTER
CLK
5
14
ee
wa
LEADS
_4!34
aoiz
CLK
GPO-LIR)
91194
aoztaon
LO
_
18
nos
£8
n09
Vee
&
24
nos
ore
34
Ao4
Voo
g10
FP2
64
aay
BIAS-L2iR2)
3)
Seidoga
14)
!
|
Vss
!
GREC-L2(R2)
12
20
tai
AONIAOIO)
GND
os
eo
ad
wx
an
7
eo)
gh
remote
ogee
ae
|
Vw
+4
cosyc
STOI-TIO
,712,714-725
1.
—~o
Oo
6I
GQ
KEY!
62
QKEY2
;
a
——Nroros
c
+—4
ose
0
——Sp
ase
2ol
2i
A
——>/
spat
8
Tey
SCLK
pAAbs
c
sste
ABC
‘3
Rest
signal
O
RESET
generotor
RVSGP2S24BC
Q703,704
|
i
ico72
|
PHOTO
INTERRUPTER
OECKI
s
|
6
a
|
a
2
2
|
I
|
LD
nenc
teeter
leet
BY
Re
eS
z80l
S971
(MODE)
ADOIDI
SOT3IATS/Cr02)
i
S972
(HALF)
5
;
SBOI(OPEN
DEE?)
coueiee
a)
|
S8OZ(CLOSE
DET.)
:
Pure
seo,
I
BAG265FP-E1
|
|
MECHANISM
CONT.(DECK
1)
|
0803
A
7
|
5
0803
|
.
Solonoia
$22
_Ga)
|
drive
SOLENOID
23
|
ICD
ry
8)
REEL
¢
|
MOTOR
|
|
Copstain
I
acl
iaror
A
OMLATI
drive
O
MDAT
nest
Copston
AN
motor
MOTOR
speed
ices
controt
(TAPE
SPEED
ADJ.)
MLAT2
onp
6-8
XLI93L
EEPI
fi
a
as
ECS
en
Pe
ECLK
sK
13
5
E0AT
ol
6,
|
bo
BAG2E
Lig
MECHANISM
expander
|
|
|
|
ean
Weiner

Other manuals for Technics RS-TR474

Related product manuals