EasyManua.ls Logo

Technics RS-X101 - Page 23

Technics RS-X101
33 pages
Print Icon
To Next Page IconTo Next Page
To Next Page IconTo Next Page
To Previous Page IconTo Previous Page
To Previous Page IconTo Previous Page
Loading...
RS-X101
RS-X101
RS-X101
Mi
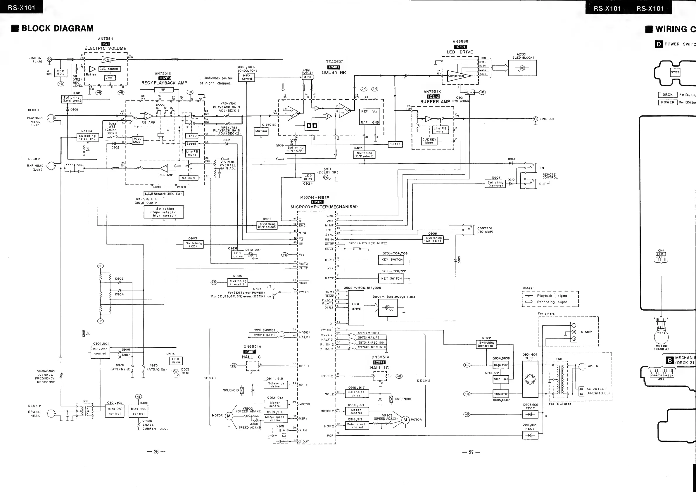
BLOCK
DIAGRAM
@
WIRING
C
AN7384
AN6888
py
POWER
SWIT
1501
ELECTRIC
VOLUME
LED
DRIVE
pene
oS
===,
eS
a
ities
(LED
BLOCK)
5),
13)
re
i207)
“te
fd
F
ieee
fe
|-—
_@
5
Sal
a)
|
1C401
|
wt
1415)
4
(04
4)
3
Ql
[|
REC
ANT351K
1
(L402)
DOLBY
NR
hg
Cmporater
Ri5t4)
(Q2)
|
Mute
I
;
MPX
#
|
1C2(')
(
)Indicates
pin
No.
Control
ie
4
Gs)
J
REC/
PLAYBACK
AMP
of
right
channel.
j
|
--3--
AN7351K
foo}
48)
DECK
|
For
Ce,
eB
290"
-_
‘ai
Lew
Qs501
ik
Je
r
pa
1
BUFFER
AMP
SWiTcHiNe
For
EG}e
{Level
cont.)
7
VR3(VR4)
|
3
|
$6
pare
--4
|
PLAYBACK
GAIN
\
>
NN
|
By
1
16
e)
Breet
XK
901
we
25
ADJ.
DECK!)
gl
iS
.
ree.
Vay
t
/
Y
pa
>
I
i>
4
©)
LINE
OUT
PLAYBACK
404
FO
[ve
+
1
134
|
!
b
l
HEAD
goss
yh
|
RB
AMP
|
1
|
|
fo
f=
Q15(Q16)
|
‘od|
!
7
fine
PB
3
(Leh)
ATS
tp----4-
I-y>
+f
VR5
(VR6)
!
I
'
(Cro2/
4
|
|
PLAYBACK
GAIN
|
3
|
|
mute
0304)
peck)
It
!
ivy
2
ADJ.
(DECK
2)
L-~-+4,--4,--~—~,-
—--—~-~
1
!
sae!
“ome
Rd
|
La
ee
ne
1
ae}
:
ae
ee
ita
ute
120
|
33
5
Filter
;
ohh
Cas
fopeea}
#5
ee
sia
=
Fier]
1
a
psoz
I
tI
I
ROPE
cal
t-------
ji
!
EE]
|
ee
o
|
mute
(R/P
select
D913
I
[ze
<==
A
DECK2
Pp.
Pees
VR7(VR8)
:
R/P
HEAD
9
8b
GAIN
AG
DS
i
=
&
=
+
GAIN
ADJ.
WW
(Len)
(DOLBY
NR)
REMOTE
!
4
CONTROL
oe
L
at
1
aos
out
L
)
eee
ree
|
25(29)
;
twork
(REC
EQ)
LCR
Network
(
M50746
-
166SP
cae
0.12,
14
sco
ae
MICROCOMPUTER(MECHANISM)
Switching
eoococ
ord
(tape
select/
1
cru
64
high
speed)
1
9
eee
"88
DMT
Switching
484
Oa
4)
RCS
(TO
AMP)
Lx
SYNC
(eas
ee
ee
red
4255
2i
Switching
T2
RENA
(CD
edit)
8453
ARMs
J
S708
(AUTO
REC
MUTE)
+
I7
a
a
Beene
;
ae
$701
~704,706
LED
|_«&
\
x
_
Orne
lg
§
.
!
Kevid
KEY
SWITCH
3
LL
—=seut2
\
——23REC2
Vss
-
i
i
S7I1
~
720,722
2
<2s*
;
ea
(reset
)
|
Notes
:
ff
ofes
s725
fo
aa!
—_
0502
~
506,514,925
Notes
7
For
LEG]
area
(POWER)
PWIN
|
——
:
Playback
signal
1
For
LE
,EB,GC,GN)
areas.(DECK)
on
\
REM2
D501
~
505,509,511,
513
PLAY
1
9
|
<>:
Recording
signal
\
PLAY?
6
Us
os
ee
ee
ee
es
aa
\
DIR2
|
For
others.
oe
ee
ee
!
1
xi
pee
\
39
Pw
OUT
_
|
(2)|
TO
AMP
Pa
SOBUIMODE
6-4
move
|
Le
Sp
SOTIIMODE)
|
!
Fy
$952
(HALF)
40)
Ley
MODE
2
ie
cae
9922
|
|
oie
HALF
2
$84—_o
Switchin
!
37
~W5_S973(R-REC
INH)
TR)
Dy
aga
ren
a
pee
Ae
nc
a
a]
MOTOR
0304
,904
I
R.INH
2
Q=
2
:
(power
:
on
(DECK
2)
2
DN685I1A
|
aE
ase
S974(F:
REC
INH)
Bias
OSC
10951
\
Ve
wlll.
BOI
BOGE
i)
SRR
OE
ae
7
MECHANIS
\
L
contro
HALL
IC
|
|
DN685IA
9604,
0608
(DECK
2)
ah
ORB
35
I
no
t
Ree
Co)—+
|
neon
ii
HALL
IC
!
(ATS/
Metal)
(ATS/CrO2z)
@y_DSO3
L
ec
o74
Meee
{REC
T
|
REEL2
{-—________4
3
}+—Gs)
J97I
Ae
DECK}
0914,
915
|
eae
DECK2
|
RESPONSE
Solenoide
era
|
aG
:
|
drive
Q916
,
917
AC
OUTLET
|
SOLENOID
N
Solencide
(UNSWITCHED)
|
drive
y,
|
)X)
SOLENOID
Geosweor
we
|
ee
ee
el
es
ee
ut
L30l
For
(EGlarea.
cc"
Q301,302
BECK
MA
1
Bias
OSC
Bias
OSC
ERASE
trol
control
VR903
HEAD
ie:
sone.
MOTOR
(SPEED
ADJ.XI)
(M)
MOTOR
1
T[t---s
VR3O1
p
D9II,912
ERASE
RECT
CURRENT
ADJ.
26
=
op

Related product manuals