EasyManua.ls Logo

Technics SA-222 M - Block Diagram Overview

Technics SA-222 M
21 pages
Print Icon
To Next Page IconTo Next Page
To Next Page IconTo Next Page
To Previous Page IconTo Previous Page
To Previous Page IconTo Previous Page
Loading...
m
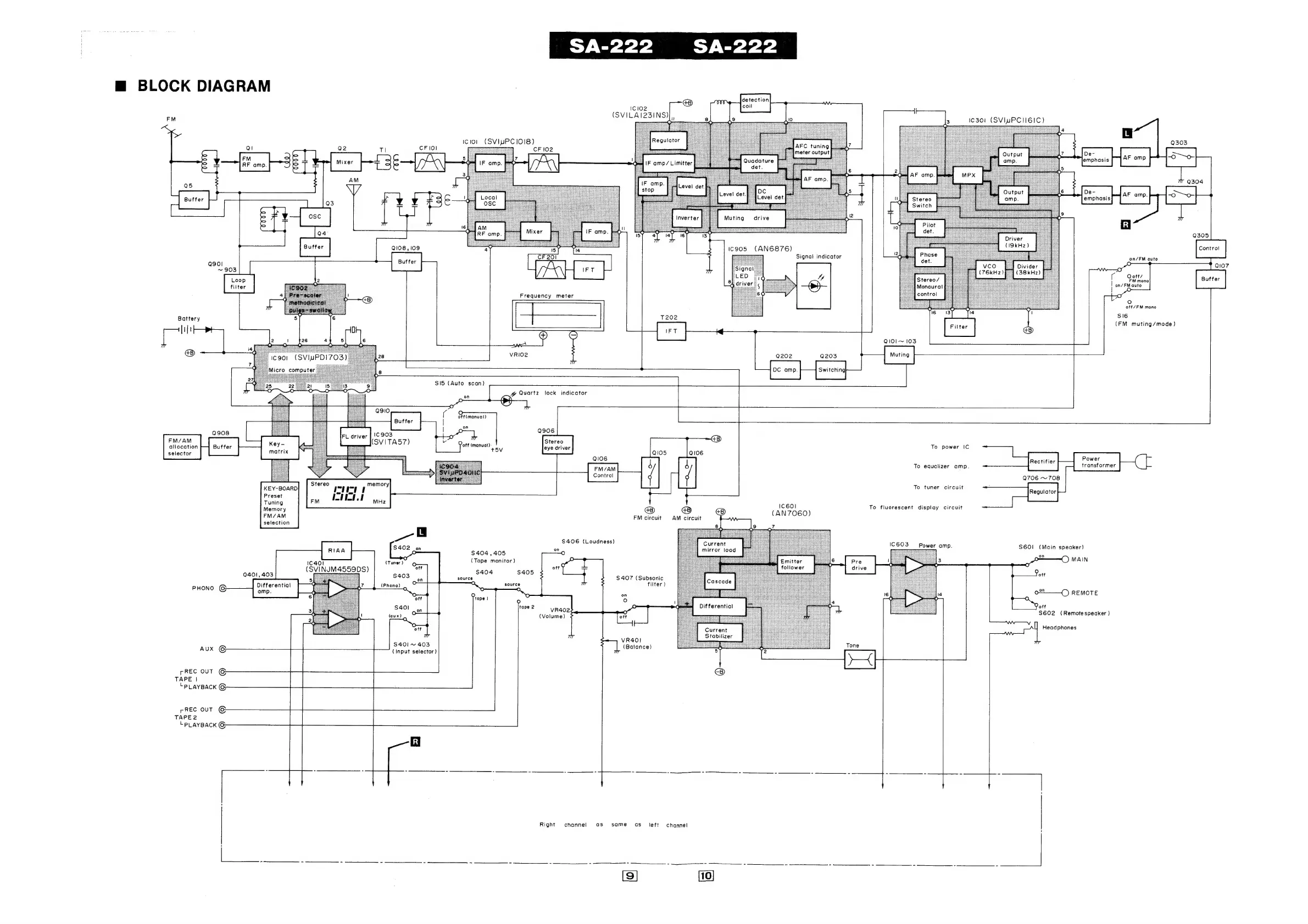
BLOCK
DIAGRAM
IC
102
a
(SVILAI231NS)
ol
Q
3
Ic301
(SVIpPCII6IC)
Iclor
(SVIuPCIOI8)
&
Q303
TI
CF
IOI
:
ae
£36
.
5
Q304
x
De-
Z
Q305
Q107
:
16
4
14
16
Q108,109
4
is
14
ic905
(AN6876)
Frequency
meter
Signal
indicator
on/FM
auto
iG
|
ont
|
Ooftts
FM
mono
Mauto
O
°
off/FM
mono
Sié
(FM
muting/mode)
Battery
ie
IFT
+
ae
az
Q101~
103
5
;
|
vRio2
Q202
Q203
|
msnng
|
S15
(Auto
scan)
4
Quartz
lock
indicator
Q908
Q906
FM/AM
Stereo
€8)
allocation
Buffer
+5V
eye
driver
To
power
IC
selector
QI06
-
Q106
>
é
FM/AM
4 4
To
equalizer
amp.
Control
Stereo
memor:
KEY-BOARD
ImNI71
:
To
tuner
circuit
Preset
“Hi
Tuning
FM
LIL!
Memory
FM/AM
selection
Power
transformer
Rectifier
Q706
~708
IC601
To
fluorescent
display
circuit
@
@
(AN7060)
FM
circuit
AM
circuit
_O
e)
__s
$406
(Loudness)
$402
on on
0
$404,405
o
Oo
IC603
Power
amp.
S601
(Main
speaker)
on
Ic4or
(Tuner)
(Tape
monitor)
e
O
©)
MAIN
(SVINJM4559DS)
out
off
$404
$405
°
Q401,
403
A
$403
ute
source
$407
(Subsonic
Differential
7
(Phono)
_
°
o
source
filter)
pant
y=
|
°
-
mR:
REMOTE
“ort
tope
|
=
a
;
a
©
Ss40l_,,
tape
2
vRaoe2
O
|
pote
3
n
faux),
2
(Volume)
re:
S602
(Remote
speaker
)
O
off
Headphones
vR4ol
S401
~
403
(Balance)
:
AUX
(Input
selector)
*
|
rREC
OUT
G@———___
a
TAPE
|
“PLAYBACK
G-
‘os
rREC
OUT
ees
fee
—_—_
TAPE2
LpLayBackG
=
'
Right
channel
as
same
as
left
channel
|
1

Related product manuals