EasyManua.ls Logo

Technics SA-DX950 - Page 66

Technics SA-DX950
79 pages
Print Icon
To Next Page IconTo Next Page
To Next Page IconTo Next Page
To Previous Page IconTo Previous Page
To Previous Page IconTo Previous Page
Loading...
D725
D726
Q723
Q723
RVTDTA114EST
REGULATOR
R721
560
D732
RVD1SS133TA
Q725
Q725
RVTDTC144YST
REGULATOR
Q724
Q724
RVTDTC114EST
REGULATOR
D721
D727
D723
C722
0.1
D724
D722
C721
0.1
D728
7.5K
R711
16V33
C709
39
R714
39
R713
Q701
Q701
2SD2374PQAU
REGULATOR
D708
MTZJ16CTA
D705
MTZJ6R2BTA
Q708
2SB1548PQAU
REGULATOR
1.5K
R708
D707
MTZJ33DTA
Q704
Q704
2SC1740SQSTA
REGULATOR
Q703
Q703
2SC1740SQSTA
REGULATOR
R643
56K
150K
R688
150K
R687
R685
150K
D651
C621
100V33
C616
50V47
C617
100V2.2
R634
470K
R633
47K
C618
1000P
C622
100V33
220
R605
C608 18P
R679
6.8K
R682
220K
R681
180K
D601
D602
R635
150K
R656
220
C685
0.01
D652
R684
470K
R610 47
L604
RLQYR73MW-E
R608 56K
150K
R637
150K
R638
C615
0.01
R632
180K
R629
1K
Q604
RVTDTA114EST
VOLTAGE SWITCH
D617
RVD1SS133TA
6.8K
R622
6.8K
R621
Q601
Q602
Q601-Q603
RVTDTA143XST
RELAY DRIVE
Q651
Q652
6.8K
R623
Q603
CN903
CN902
C758
16V100
W701
D601-D602
RK306LFU1
D651-D652
IN5402BM21
D721-D728
1N5402BM21
HP_GND
W752
Q706
Q706
2SC3940AQSTA
REGULATOR
Q707
2SA1534AQRTA
REGULATOR
IC601
RSN310R37-P
POWER AMP
IC651
RSN313H25-P
POWER AMP
R631
150K
R630
120K
C643 18P
L603
RLQYR73MW-E
R729
680K
R728
680K
R730
SW_MIX
Q552
-14V
Q553
Q551~Q557
2SD1915FTA
AUDIO MUTING SWITCH
Q551
Q560
RVTDTA114EST
REGULATOR
Q560
Q556
SP_B
SC_SP
LIMITTER
DT_9162
CK_9162
STB_9162
L751
RLQB101KTA-Y
BU5.6V
HP_R
HP_L
REALY
AC2
-27V
AC
SW_MUTE
AF_MUTE
SP_A
AC2
AC
RELAY
BU5.6V
R557
1K
C534
0.1
R549
8.2K
R546
100K
SW_MUTE
-14V
SW_OUT
MAIN_SWIN
C586
16V10
R586
47K
R596
2.7K
R556
1K
C533
0.1
R548
8.2K
R547
680K
R544
100K
D501
RVD1SS133TA
Q555
MAIN_CIN
MAIN_RIN
C585
16V10
R595
2.7K
R555
1K
R585
47K
R582
47K
R581
47K
R592
2.7K
R591
2.7K
R552
1K
R551
1K
C584
16V10
MAIN_LIN
MAIN_SRIN
MAIN_SLIN
C583
16V10
R584
47K
R583
47K
R593
2.7K
Q554
R594
2.7K
R553
1K
R554
1K
C535
0.1
R550
8.2K
R545
680K
AF_MUTE
-14V
LIMITTER
+14V
+5.6V
S-DET
-27V
-14V
C652
63V33
C651
63V33
R654
1.8K
R653
1.8K
R674
4.7
C653
820P
R655
220
C654
820P
R671
220(P)
270(PC)
C672
100V33
R657
56K
C657
10P
R672
100(P)
120(PC)
C671
100V33
R658
56K
C658
10P
C668
1000P
C667
100V2.2
R683
47K
C666
25V100
C641
63V33
C602
63V33
C601
63V33
R642
1.8K
R604
1.8K
R603
1.8K
R647
220
R624
C603
100P
C642
100P
4.7
R606
220
C604
100P
R724
1.2
Q708
C714
25V47
C713
0.01
R725
1.5K
R722
12K
C711
0.01
C712
50V10
R720
820
D731
RVD1SS133TA
C706
35V5600P
C705
35V5600P
R727
120
R726
120
C707
35V100
R712
6.8K
C715
16V100
R705
4.7K
R723
1.2
R706
1K
R707
220
C708
0.01
C710
0.01
OVL1
SC_SP
SP_A
SP_B
Q651-Q652
RVTDTA143XST
RELAY CONTROL
C607
18P
R607
56K
R609
47
R615
680
R639
100K
R640
680
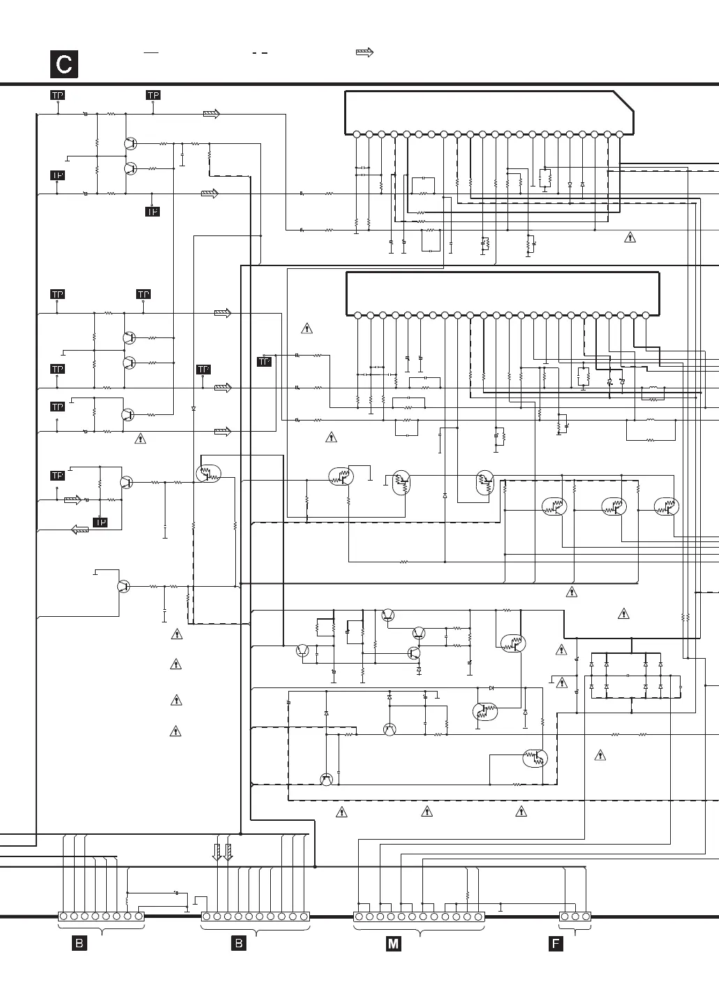
SCHEMATIC DIAGRAM - 10
TO
PANEL CIRCUIT (CP902)
ON SCHEMATIC DIAGRAM-7
TO
PANEL CIRCUIT (CP903)
ON SCHEMATIC DIAGRAM-7
TO
TRANSFORMER CIRCUIT (W701)
ON SCHEMATIC DIAGRAM-12
TO
POWER CIRCUIT (W752)
ON SCHEMATIC DIAGRAM-12
Q707
10
<-16.37V>
<0V>
<0V>
<-16.36V>
<0V>
<0V>
<-16.36V>
<0V>
<-16.36V>
<0V>
<0V>
<-16.26V>
<0V>
<0V>
<-15.46V>
<0V>
<0V>
<5.47V>
<5.59V>
<-15.48V>
<0.73V>
<0V>
<0V>
Q557
<6.21V>
<14.22V>
<5.59V>
<15.49V>
<24.34V>
<6.2V>
<6.8V>
<0V>
<5.03V>
<0V>
<-31.86V>
<-38.25V>
<-32.52V>
<0V>
<24.8V>
<24.57V>
<-24.74V>
<4.82V>
<-24.62V>
<4.41V>
<-40.9V>
<0V>
<-9.61V>
<-0.55V>
<-9.38V>
<-0.29V>
<0V>
<-0.61V>
<4.76V>
<-24.87V>
<-0.65V>
<-0.71V>
<-0.29V>
<-0.6V>
<-0.77V>
<-7.44V>
<-0.74V>
<14.27V>
<25.36V>
<14.81V>
<-17.27V>
<-16.74V> <-25.67V>
<55.6V>
<-55.4V>
<0V>
<24.05V>
<-24.03V>
<0V>
<0V>
<0V>
<-12.32V>
<0V>
<-11.4V>
<-0.24V>
<0V>
<10.72V>
<-8.72V>
<0V>
<0V>
<51.1V>
<-50.4V>
<-9.34V>
<0V>
<0V>
<0V>
<55.7V>
<-55.5V>
<24.41V>
<0V>
<-24.37V>
<0V>
<0V>
<0V>
<-12.61V>
<0V>
<-1.67V>
<0V>
<10.52V>
<-9V>
<-9.64V>
<-36.92V>
<-6.35V>
<55.4V>
<-55.1V>
<-55V>
<0V>
<0V>
<0V>
LS3
LS4
RS3
RS4
L4
L5
R4
R5
C4
C3
W3
W4
OVL2
MAIN CIRCUIT
R671
R672
: MAIN SIGNAL LINE
: +B SIGNAL LINE
: -B SIGNAL LINE
1
2
4
65
3
8
7
1
2
4
65
3
8
7
9
10
1
2
4
65
3
8
7
9
10
11
12
1
2
3
-VD
+VD
IN1-
SGND
IN2-
VH+
AC
Vo2
+HOUT
GND
Vo1
-HOUT
VH-
RLY
SENS-
SENS+
NC(OPEN)
NC(OPEN)
DC
DISP
OVERDET
IHDET
IC651
1
5
6
4
3
27
8
9
10
12 11
1314
15
16
17
18
20
19
21
22
IC601
DC
DISP
IHDET
AC
VO1
GND
-HOUT
VDLIM
RLY
SENS-
IN1-
SGND
IN2-
IN3-
PASS-
PASS+
SENS+
VH-
VO2
VO3
VH+
+HOUT
OVERDET
TTLPOWLIM
1
5
6
4
3
27
8
9
10
12 11
1314
15
16
17
18
20
19
21
22
23
24

Other manuals for Technics SA-DX950

Related product manuals