EasyManua.ls Logo

Technics SA-DX950 - Page 71

Technics SA-DX950
79 pages
Print Icon
To Next Page IconTo Next Page
To Next Page IconTo Next Page
To Previous Page IconTo Previous Page
To Previous Page IconTo Previous Page
Loading...
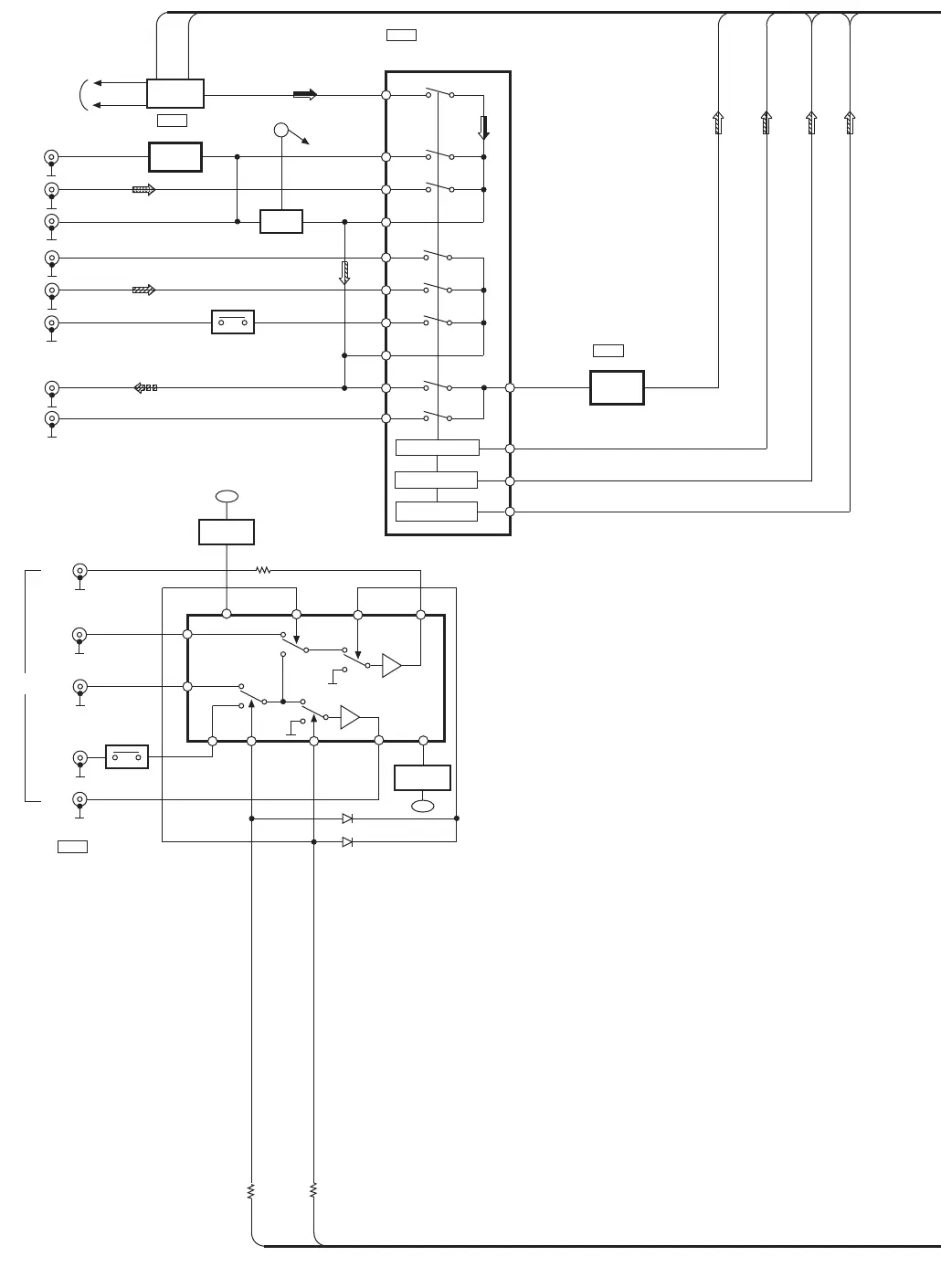
NJM4580DD
IC402
NJM2279MTE1
VIDEO SIGNAL SELECTOR
IC351
BUFFER AMP
TC9163AN
IC401
JK402
CD
10
DT SEL
CK SEL
ST SEL
VIDEO A
VIDEO B
D354
3(26)
X2
X1
X3
2(27)
4(25)
5(24)
6(23)
7(22)
X4
X5
9(20)
10(19)
12(17)
X7
X8
Level shift
Latch circuit
Shift register
11(18)
16
15
13
8(21)
X6
JK401
PHONO
JK403
TV LCH
JK404
VCR PB
JK402
TAPE REC
(OUT)
JK403
TAPE PLAY
(IN)
DVD
PHONO
EQ AMP
BUFFER
AMP
TUNER
MODULE
FROM IC901
IC451
AN6558F
BUFFER
AMP
Q401
(Q402)
SOUT_L
JK405
DVD LCH
JK404
VCR RO
S301
V
12
13 11
3
1 2 4 5
D353
VCR1 OUT
VCR1 IN
TV MONITOR OUT
S301
TV
DT SEL
CK SEL
IN1
IN2
IN3
C1
C2
O2
O1
C4
C3
JK351
REGULATOR
+B
Q351
8
REGULATOR
-B
Q352
14

Other manuals for Technics SA-DX950

Related product manuals