EasyManua.ls Logo

Technics SA-DX950 - Page 74

Technics SA-DX950
79 pages
Print Icon
To Next Page IconTo Next Page
To Next Page IconTo Next Page
To Previous Page IconTo Previous Page
To Previous Page IconTo Previous Page
Loading...
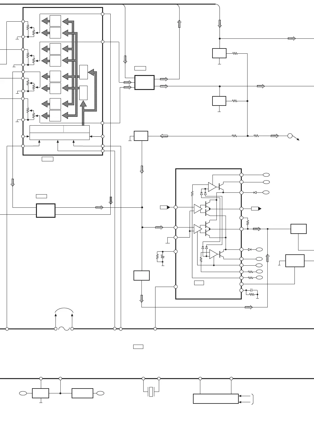
NJM4580MTE1
IC1231
MICROCOMPUTER
C2BBGF000262
IC901
NJM2060MTE1
IC1452
VOLUME CONTROL
TC9482F
IC1402
SL_IN
10,9
IF DATA
SD
18
RESET
Q901
32
HOLD
60~78
SEG 1~16
79~88
DEG 1~10
FL DISPLAY
FL901
XOUT
XIN
23 22
CF901
HOLD
Q902
HOLD
2
AC
13
14
19
12
22
5
3
6
21
20
4
1
18
+
-
+
-
15
7
RLY
SENS+
SENS-
-VD
VH-
-HOUT
VO2
VO1
-+HOUT
VH+
+VD
IHDET
SGND
IN2-
11
DISP
IN1-
10
DC
-B
D652
RCH
Q651
8
THERM/OVLD2
Q553(Q554)
MUTING
SWITCH
11,47,48
TCE
TCK
TDT
TO TUNER MODULE
L.P.F
H.P.F
RELAY
CONTROL
-B
-B
+B
+B
-B
+B
+B
+B
+B
POWER AMP HIC
RSN313H25-P
IC651
Q555
MUTING
SWITCH
L_LPF
FROM POWER
TRANSFORMER
15 16
TC9482_DT
TC9482_ST
14
TC9482_CLK
L_OUT(R)
OP AMP
Q551
(Q552)
MUTING
SWITCH
MAIN_LIN
M
D651
RCH
OP AMP
C_IN
SW_IN
LIN
SL_OUT
SW_OUT
STB
CK
DATA
LOUT
C_OUT
4(25)
5(24)
3(26)
7
8
6
10(19)
11(18)
9(20)
SHIFT REGISTER (32 BIT)
STROBE GENERATE
CIRCUIT
LEVEL SHIFT CIRCUIT
1 dB
VR
LATCH
8 dB
VR
LATCH
1 dB
VR
LATCH
8 dB
VR
LATCH
1 dB
VR
LATCH
8 dB
VR
LATCH
3 TO 7
DECODER
4 TO 13
DECODER
12
14
16
15
17
22
21
1 dB
VR
LATCH
8 dB
VR
LATCH
23

Other manuals for Technics SA-DX950

Related product manuals