EasyManua.ls Logo

Technics SL-DZ1200PP - Page 168

Technics SL-DZ1200PP
174 pages
Print Icon
To Next Page IconTo Next Page
To Next Page IconTo Next Page
To Previous Page IconTo Previous Page
To Previous Page IconTo Previous Page
Loading...
30
34
36
29
OPTICAL PICK-UP
Q1
1
2
Vref.
9
Vref.
Vref.
Ach
VCBA
Bch
31
Vref.
Vref.
Ech
VCBA
Fch
F
28
Vref.
Vref.
RF
DET.
A
B
E
+B1
Vref.
Vref.
EE
F F
+B1
RF
EQ
BDO
DET.
Vref.
Vref.
Vref.
5
AGC
OFTR
DET.
Vref.
AN8882SB-E1
IC1
SERVO AMP
17
16
OFTR
27
FE
14
VREF
+B1
10
18
FBAL
TBAL
LDON
C0GBF0000007
IC5
FOCUS COIL / TRACKING
COIL / TRAVERSE MOTOR DRIVE
OFTR
ARF
/RFDET
BDO
FE OUT
V
CC2
VREF2
GND
TEOUT
FBAL
TBAL
F
E
A
LDON
B
LD
PD
C
A
D
D
B
C
CAGC
F-
F+
T-
T+
TRAVERSE
MOTOR
M
PC
FG
SUBTRACTER
SUBTRACTER
FOCUS
COIL
TRACKING
COIL
LASER
POWER
DRIVE
PHOTO DETECTOR
SEMICONDUCTOR
LASER
44
47
ARF
DSL
DSLF
48
PLLF
VCO
CIRC
DECODER
8 times over sampling
Digital filter
TX
6
LRCK
2
BCLK
1
SRDATA
3
1514
SUBQ
SQCK
242126 25222827
ECM
TRV
KICK
ECS
TVD
FOD
TRD
40
LDON
TOFS
42
30
FBAL
31
TBAL
35
VDET
37
TRCRS
36
OFTR
33
TE
32
FE
34
RFENV
38
/RFDET
39
BDO
16K
SRAM
SUB-CODE
DEMODU-
LATOR
75
X1
(16.9344MHz)
20
PMCK
SMCK
19
46
DRF
72
+B1
45060
DVDD1
AV
DD2
V
DD
29
VREF
97817
MLD
MCLK
MDATA
STAT
18
X2
5958
X1
/RST
IPFLAG
64
5745157
DVss1
AVss1
AVss2
Vss
52
EFM
69
FLAG 6
80
SSEL
79
MSEL
78
PSEL
SUBC
55
SBCK
56
62
CLDCK
AVDD1
+B1
73
OUTL
OUTR
RFENV
FE
OFTR
TBAL
FBAL
LDON
VREF
63
FCLK
BLKCK
13
TVD
ECS
ECM
23
PC
41
PLLF2
MN6627482WA
IC3
SERVO PROCESSOR / DIGITAL SIGNAL PROCESSOR
DIGITAL FILTER , D/A CONVERTER
DMUTE
16
PHASE
COMPA-
RATOR
FREQUENCY
COMPARATOR
EFM DATA
DE-
MODULATOR
SYNDROME
CALCULATION
INTERPOLATION
/SOFT MUTING
/DIGITAL
ATTENUATION/
PEAK DETECT/
AUTO CUE
DIGITAL AUDIO
INTERFACE
DIGITAL
DE-EMPHASIS
S/P
CONVERTER
MASH LOGICS
PWM
LOGIC
PWM
LOGIC
SERVO
INPUT
PORT
A/D
CONVERTER
RAM
ADDRESS
GENERATOR
CLV
SERVO
SERVO
CPU
CRCC CHECK
Q-CODE
REGISTER
D/A
CONVERTER
SERVO OUTPUT
PORT
MICROCOMPUTER
INTERFACE
TIMING GEN.
/PITCH CONT.
PEAK
DETECTOR/
AUTO CUE
SYNCHRONIZING
PROTECTION
PC
SQCK
SYNCHRO-
NIZING
ITERPOLATION
PROTECTION
SENSE
10 43
WVEL
45
IREF
IOSEL
70
/TLOCK
/FLOCK
1211
SPINDLE
MOTOR
10
13
H1-
25
Vcc
15
2,4,7
A1~3
M
22
EC
C0GBF0000004
IC4
SPINDLE MOTOR
DRIVE
9
H1+
H3+
14
H3-
11
H2+
12
H2-
VH
8
GND
+7V
27
VM
23
PS
+7V
28
RNF
FG2
19
17
CNF
15
13
VO3+
+7V
22
Vcc
11
1
VIN2
16
VO3-
VO2+
10
VO1+
14
VO2-
VO1-
8,6
V
SS1,2
28
VG2
VREF1
21
FOD
TRD
27
VIN3
26
VG3
FOD
ECM
ECS
VREF
21
ECR
24
22
21
TRD
3
VIN1
2
VG1
TVD
/CLDCK
+B1
SBCK
SUBC
SRDATA
BCLK
LRCK
IPFLAG
SENSE
FLOCK
TLOCK
DMUTE
BLKCK
SUBQ
RSTO
SWITCH-
ING
SWITCH-
ING
+B1
+B1
Q5
Q4
4X
2X
STAT
MDATA
MCLK
MLD
REGULATOR +7V+B1
AN77L05M-E1
IC2
VDD
+B1
3
VCC1
FLAG6
+B1
SWITCH-
ING
Q2
7
EQCTL
4
TFLT
EQCTL
12
RFENV
3TOUT
SWITCH-
ING
GCTRL
28
Q3
GCTRL
25
VIN4
GSWVDD
26
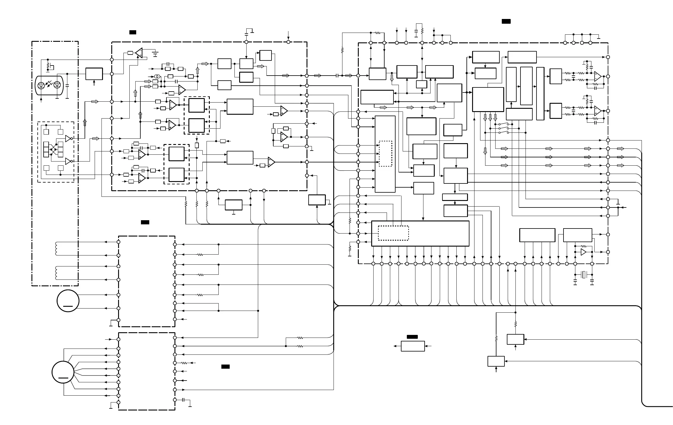
SL-DZ1200(PP,EB,EG,EP,GN) BLOCK DIAGRAM

Related product manuals