EasyManua.ls Logo

Technics SL-DZ1200PP - Page 169

Technics SL-DZ1200PP
174 pages
Print Icon
To Next Page IconTo Next Page
To Next Page IconTo Next Page
To Previous Page IconTo Previous Page
To Previous Page IconTo Previous Page
Loading...
C2BBGE000781
IC102
MICRO COMPUTER
C3ABHG000008
IC103
16M FLASH MEMORY
C1BB00000598
IC101
MICRO COMPUTER
C0JBAZ001251
IC104
LOGIC CONTROL
18
P27
MCLK
16
P25
SENSE
14
P23
STAT
17
P26
15
P24
MDATA
MLD
11
P20
SUBQ
67
SBSO
SUBC
65
EXCK
SBCK
63
BCK
BCLK
66
WFCK
64
LRCK
/CLDCK
LRCK
62
SDATA
SRDATA
13
P22
SQCK
5
P130
RSTO
61
P00
FG
68
SCOR
BLKCK
62
P01
FLAG6
65
P04
19~26
AD0~7
2~9
D0~7
87~89,
92~96
D0~7
12~19
Q0~7
79~86
CS,SUA0~6
X102
(5MHz)
70
X1
69
X2
58
P126
4X
57
P125
2X
55
P123
EQCTL
54
P122
DMUTE
53
P121
TVD
AVREF1
AVREF0
775
VDD0
74
VDD1
68
61
C2PO
IPFLAG
10~17
RA0~7
17~21,
24~26
RA0~7
21~26,
28~35,
38,39
IO0~15
2~9,
36~43
I/O1~I/O16
UWEUW
LWELW
RAS0RAS
OEOE
CAS0CAS
14
15
16
30
31
7
8
2
6
3
VCC1
VCC2
VSS1
V
SS2
VSS3
23
32
44
1
13
VCC3
22
C0EBH0000105
IC105
RESET
6
OUT
60
RESET
CD
5
VCC
7
4
GND
D105
143
HRST
4
AVSS
VSS
67
VSS0
X101
(33.86MHz)
52
XTALCK
53
XTAL
POWER
SUPPLY
52
P120
VDD
Q101
D101~104
(PHOTO SENSOR)
1
P15
2
P16
S1
S2
V
DD VDD VDD VDD
VDD
VDD
VDD
VDD
C0DBZGE00002
IC106
REGULATOR
VCC
4
8
GND
+5V
VDD
OUTA3.3V
D3.3V
6 L102
L103
124
DIOW
DIOE
140
CS3FX
CS3FX
125
DIOR
DIOR
102,
104~107,
110~115,
117~120,
122
DD0~15
DD0~15
33
59
P127
40
RD
RD
77
64
P03
63
P02
42
WAIT
41
WR
98
INT1
97
INT0
99
SWAIT
WR
78
P131
6
74
RESET
DISCDET
128
IORDY
IORDY
133,135,138
DA0~2
DA0~2
139
CS1FX
CS1FX
101
CSEL
DMARQ
10
GND
VCC
20
V
DD
VDD
VDD0-1~5
18,54,
90,126,
137
D3.3V
VDD1-1~4
37,73,
109,144
VSS0-1~10
1,5,9,19,
27,36,41,
55,72,91
VSS1-1~7
108,116,121,
127,132,136,
141
HRST
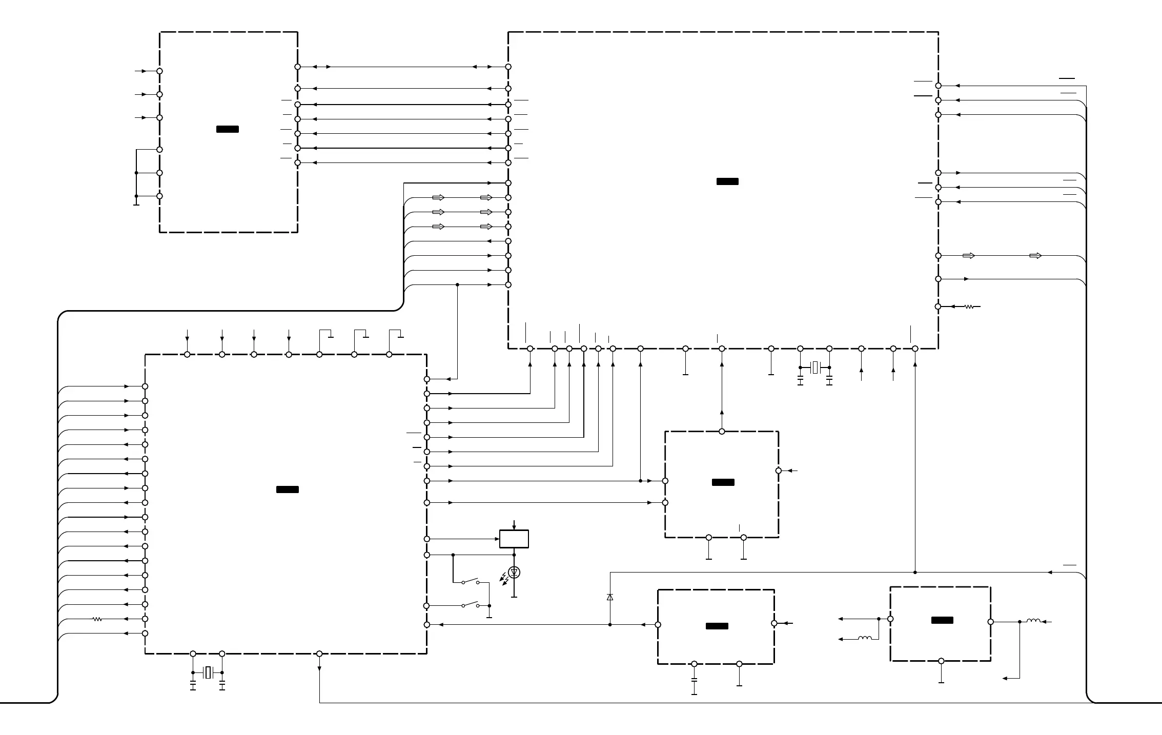
SL-DZ1200(PP,EB,EG,EP,GN) BLOCK DIAGRAM
FLOCK
39
P63
TLOCK
38
P62
56
P124
GCTRL
ASTB
43 11
G
1
OE
PLLI
69
A3.3V

Related product manuals