EasyManua.ls Logo

Technics SL-DZ1200PP - Page 170

Technics SL-DZ1200PP
174 pages
Print Icon
To Next Page IconTo Next Page
To Next Page IconTo Next Page
To Previous Page IconTo Previous Page
To Previous Page IconTo Previous Page
Loading...
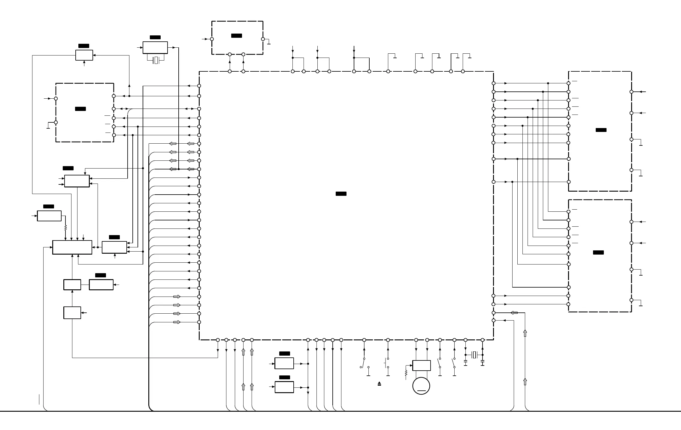
C0ZBZ0000910
IC14
MULTIMEDIA DIGITAL IMAGE PROCESSOR
29~36,
38~45
DT0~15
1~9,
16~25,
48
AD0~19
CE
OE
26
28
VCC
VSS
27
37
+3.3V
C3FBMD000179
IC23
16M FLASH ROM
265~274,
277~286
ARM A0~19
244~253,
256~261
ARM D0~15
242
FLGH CE
239
WE
11
238
EM OE
EM WE
X3
(27MHz)
234
MXO
233
MXI
1
DSP BDX0
DSP DATA
2
DSP BCLKX0
DSP BCK
6
DSP BFSR0
DSP LRCK
8
DSP CLKS0
DSP SCK
CLOCK
GENERATOR
X6
(11.2896MHz)
C0JBAZ000519
IC32
10
RXD0
11
TXD0
SUB SI
SUB SO
12
13
RXD1
TXD1
SDC SI
SDC SO
14
15
16
SCLK0
SDIO
SDO0
UICK
UISO
UISI
17
SCLK1
DAC MC
19
SDO1
20
GIO31
DAC MD
DAC ML
35
26
GIO27
S2302
(CD CL.
DET.)
27
GIO26
S2301
(CD OP.
DET.)
GIO22
GIO25
28 31
LOADING
MOTOR
M
MOTOR
DRIVE
Q2,3,
11,12
54
GIO01
S1901
( CD EJECT)
37
39
36 38
GI017
GI015
56
SDA
SCL
8
V
CC+3.3V
4
GND
C3EBJC000037
IC16
EEPROM
GIO18
GIO16
GIO14
TT. FREE
TT. REV
TT. ON
40
GIO13
GIO10
41
GIO12
GIO9
44
GIO11
45
GIO10
46
GIO9
47
GIO8
GIO8
GIO13
GIO12
GIO11
C0EBE0000252
IC11
RESET
XC61CN1602MR
IC10
RESET
57
RESET
DSP RST
+3.3V
+1.8V
60
TCK
JTG C. CK
62
JTG C. MS
63
JTG C. RST
72
JTAG C. DO
TMS
TRST
TDO
CS
VSS
28,41,
54
C3ABPG000133
IC24
64M SDRAM
CLK
RAS
CAS
WE
CKE
139
SDR CS
140
SDR CLK
141
SDR RAS
142
SDR CAS
143
SDR WE
144
SDR CKE
19
38
18
17
16
37
DQMH
DQML
DQML
DQMH
145
SDR DQMHH
146
SDR DQMHL
147
SDR DQMLH
148
SDR DQMLL
39
15
15
39
CS
C3ABPG000133
IC25
64M SDRAM
CLK
RAS
CAS
WE
CKE
19
38
18
17
16
37
A0~11
BA0,1
SDR A0~11,13,14
20~26,
29~35
DQ0~15
SDR DQ0~31
2,4,5,7,8,
10,11,13,
42,44,45,
47,48,50,
51,53
A0~11
BA0,1
20~26,
29~35
DQ0~15
2,4,5,7,8,
10,11,13,
42,44,45,
47,48,50,
51,53
149,150,
152~158,
160~164
166~172,
175~188,
191~198,
200~202
DVDD1~9
7,42,78,136,
159,189,199,
223,254
+3.3V
USB VDD
75
+1.8V
CVDD1~9
24,56,84,
117,173,203,
232,275
PLLVDD1~3
76,132,
231,
DGND1~8
9,43,81,
138,165,
190,224,
255,
CGND1~8
25,59,90,
119,174,204,
235,276,
PLLGND1~3
77,133,
230,
VSSA1~3
93,99,
106
VSS3V
102
VDDA1~3
+3.3V
VDD3V
94,100,
107
103
29
GIO24
UIBSY
LOGIC
CONT.
C0JBAZ000531
IC9
ARMD0~7
LCD UNIT
LOGIC
CONT.
C0JBAE000098
IC1
+5V
+5V
REGULATOR
POWER
SUPPLY
Q8
C0CBBLB00002
IC12
-15V
30
GIO23
GIO3
52
MIRES
GIO0
DOSTOP
55
34
GIO19
S2001
(MODE)
SL-DZ1200(PP,EB,EG,EP,GN) BLOCK DIAGRAM
LOGIC
CONT.
C0JBAA000001
IC13
ARM
A1
+3.3V
CEI
237
TURST
REGULATOR+7V
+5V
+3.3V
C0CBADC00042
IC8
POWER
SUPPLY
CONT.
+3.3V
Q7
+5V
VDD
1,14,
27
+3.3V
VDDQ
3,9,
43,49
+3.3V
VSSQ
6,12,
46,52
VSS
28,41,
54
VDD
1,14,
27
+3.3V
VDDQ
3,9,
43,49
+3.3V
VSSQ
6,12,
46,52
GIO4~7
GIO2
48~51
53
DISCDET
DSP DT4~7
+3.3V
CD
PLAYER
TURN
TABLE

Related product manuals