EasyManua.ls Logo

Technics ST-HD501 - Page 26

Technics ST-HD501
46 pages
Print Icon
To Next Page IconTo Next Page
To Next Page IconTo Next Page
To Previous Page IconTo Previous Page
To Previous Page IconTo Previous Page
Loading...
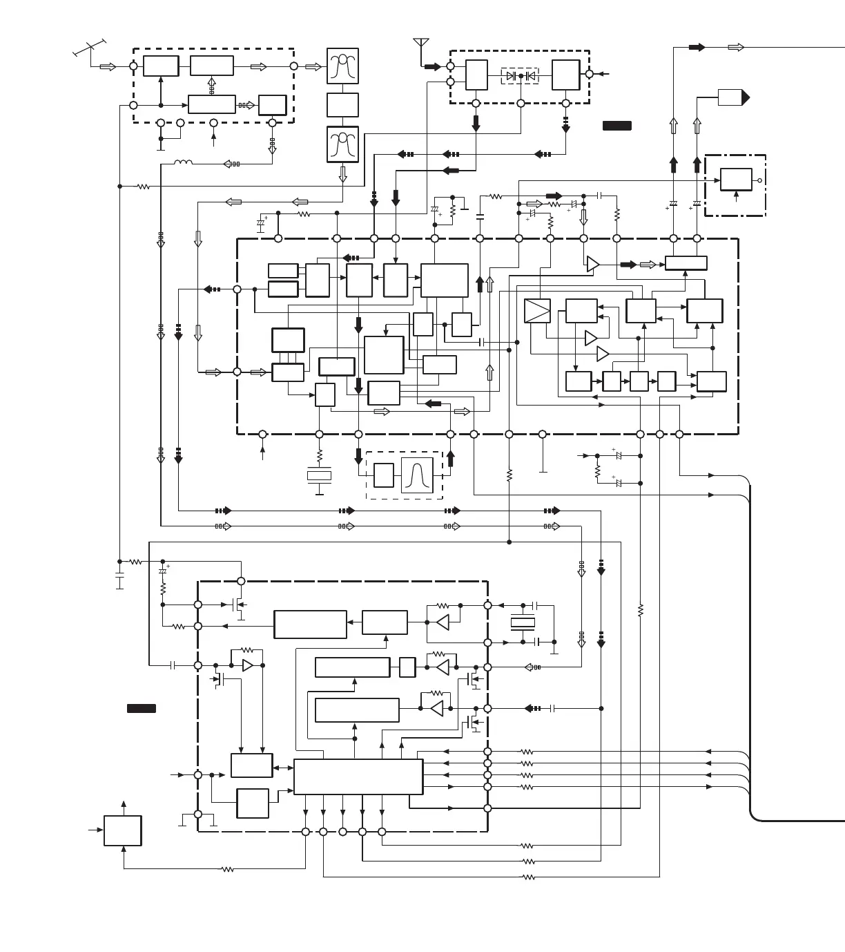
19202122 23
AM
MIX
12
Level
det.
FM IF
S-curve
2
3
REG
4
13
AGC
Comp.
68 1110
AM
RF
amp.
AM
IF
AM/FM
24
1
FM
det.
AM
OSC
Buffer
ALC
Tuning
Drive
X102
(10.6MHz)
18
Buffer
amp.
7
8
6
43
5
FM ANT
1
Z120 (FM FRONT END)
RF amp.
FM mixer
Local OSC
9
Vcc
+B(FM)
CF201
CF202
Q101,
Q102
(For [GK] area.)
FM IF
amp.
+B2
Z102
AM
IFT
1
20
X103
(7.2MHz)
XIN
XOUT
Reference
divider
Phase detector
charge pump
Swallow counter
1/6,1/17 4bit
12 bit programmable
divider
Data shift register latch
CE
2
3
DI
4
CL
D0
5
98710
STRQ
SDC
FM
15
VDD
Universal
counter
16
PD
IFIN
11
LW
1/2
14
13
FM IN
AM IN
Q106
Power
supply
(FM:ON)
+B2
+B1
+B(FM)
SD
CE
DI
CL
DO
Stereo
switch
17
LA1833MN-TLM
IC101
FM /AM I FAMP,
DET / AM OSC,
MIX / FM MPX
15
Pilot
cancel
Phase
det.
16
VCO
FFFF
Pilot
det.
FF
AM
det.
Decoder
AM
6
MONO
12
19
Vss
Power
ON
reset
LC72131MDTLM
IC102
PLL FREQUENCY
SYNTHESIZER
+B2
IF buffer
GND
5
7
STEYE
ST
MONO
FM/AM
SD
FMDET
FM IF
IN
OSC
OUT
AFC
OSC
AM RF
IN
AGC
AM
OUT
DET
OUT
PILOT
IN
MPX
IN
PILOT
OUT
Lch
14
Rch
17
18
AIN
AOUT
AM
ANT
coil
AM
OSC
coil
Z101
AM ANT
STRQ
AM IF
IN
AM
MIX
OUT
Rch
Switch-
ing
Q110
+B2
For [GK] area.
+B2

Related product manuals