EasyManua.ls Logo

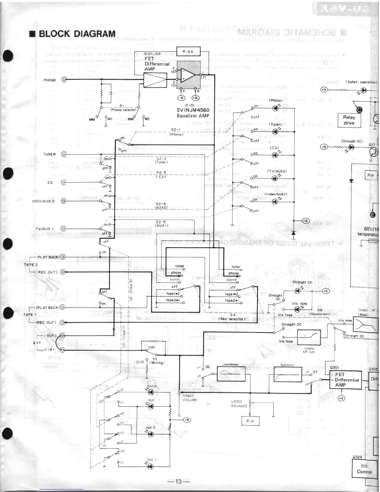
Technics SU-V6X - System Diagrams; Block Diagram and Input Selector Schematic

Technics SU-V6X
13 pages
Print Icon
To Next Page IconTo Next Page
To Next Page IconTo Next Page
To Previous Page IconTo Previous Page
To Previous Page IconTo Previous Page
Loading...

Related product manuals