EasyManua.ls Logo

Technics SX-KN7000P - Page 153

Technics SX-KN7000P
160 pages
Print Icon
To Next Page IconTo Next Page
To Next Page IconTo Next Page
To Previous Page IconTo Previous Page
To Previous Page IconTo Previous Page
Loading...
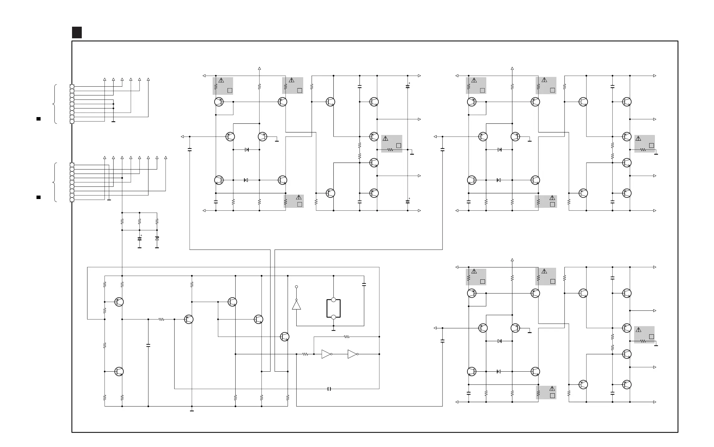
SCHEMATIC DIAGRAM-12
CIRCUIT (CN506) ON
TO FAJ 1/2
SCHEMATIC DIAGRAM-12
CIRCUIT (CN505) ON
TO FAJ 1/2
F
F
F
F
F
F
F
F
F
F
F
F
25V47
C829
25V47
C830
4.7K
R844
4.7K
R845
4.7K
R842
2SB0709ARL
Q834
2SB0709ARL
Q839
-VCC
150P
C828
GATE-L2
100 1/4W
R850
GATE-L1
2SD0601AQL
Q838
2SB0709ARL
Q837
+VCC
4.7K
R841
2SD0601AQL
Q833
150P
C827
2SD0601AQL
Q836
2SB0709ARL
Q826
2SB0709ARL
Q827
MA111TX
D821
MA111TX
D820
2SB0709ARL
Q828
15K
R835
1/4W
470
R838
1/4W
470
R833
2SD0601AQL
Q829
2SD0601AQL
Q825
2SB0709ARL
Q824
150P
C824
3.3K
R834
3.3K
R836
1/4W
470
R839
MUTE
+15A
-15A
470P
C823
LIN
MAZ80620LL
D826
16V10
C841
820
R868
820
R869
820
R831
4.7K
R865
4.7K
R866
4.7K
R864
2SB0709ARL
Q855
2SB0709ARL
Q859
-VCC
150P
C838
GATE-R2
100 1/4W
R867
GATE-R1
2SD0601AQL
Q858
2SB0709ARL
Q857
+VCC
4.7K
R863
2SD0601AQL
Q854
150P
C837
2SD0601AQL
Q856
2SB0709ARL
Q850
2SB0709ARL
Q851
MA111TX
D825
MA111TX
D824
2SB0709ARL
Q852
15K
R859
1/4W
470
R861
1/4W
470
R857
2SD0601AQL
Q853
2SD0601AQL
Q849
2SB0709ARL
Q848
150P
C836
3.3K
R858
3.3K
R860
1/4W
470
R862
MUTE
+15A
-15A
470P
C833
RIN
4.7K
R854
4.7K
R853
2SB0709ARL
Q843
4.7K
R852
150P
C832
2SB0709ARL
Q847
-VCC
GATE-W2
2SD0601AQL
Q846
2SB0709ARL
Q845
100 1/4W
R855
GATE-W1
+VCC
2SD0601AQL
Q844
150P
C831
2SD0601AQL
Q842
4.7K
R851
WIN
470P
C825
-15A
+15A
MUTE
1/4W
470
R849
3.3K
R847
3.3K
R843
150P
C826
2SD0601AQL
Q831
2SD0601AQL
Q841
1/4W
470
R848
15K
R846
1/4W
470
R840
2SB0709ARL
Q840
2SB0709ARL
Q830
MA111TX
D823
MA111TX
D822
2SB0709ARL
Q835
2SB0709ARL
Q832
TC7WU04FU
IC820
0.1
C822
TC7WU04FU
IC820
GND
VCC
8P
C821
470
R828
470
R870
470
R871
2SB0709ARL
Q822
2SD0601AQL
Q821
470
R825
1K
R823
3.3K
R822
1000P
C820
8.2K
R830
TC7WU04FU
IC820
TC7WU04FU
IC820
4.7K
R829
2SD0601AQL
Q861
2SD0601AQL
Q860
2SD0601AQL
Q823
1.5K
R827
4.7K
R826
2SB0709ARL
Q820
3.3K
R821
1K
R820
470
R824
GATE-W2
GATE-W1
MUTE
+VCC
G-W1
QJUG05309AA
CN821
AE
-VCC
-VCC
3G-W2
WIN
2
-15A
MUTE
WIN
+15A
4
5-15A
+VCC
+15A 6
1
7
8
9
6AE
AE 5
4AE
G-R1 3
RIN 2
RIN
GATE-R2
GATE-R1
LIN
GATE-L2
GATE-L1
G-L1
G-L2
G-R2
LIN
QJUG05309AA
CN820
1
7
8
9
C
ASUB CIRCUIT
SCHEMATIC DIAGRAM-14
BB
8
3
5
1762
4
SX-KN7000 ASUB SCHEMATIC DIAGRAM

Table of Contents

Related product manuals