EasyManua.ls Logo

Technics SX-PX662

Technics SX-PX662
83 pages
To Next Page IconTo Next Page
To Next Page IconTo Next Page
To Previous Page IconTo Previous Page
To Previous Page IconTo Previous Page
Loading...
IC12
Q20
VOUT
VE
VCC
QCPL-260L
2SA1015Y
R114
330
D32
MA165TA5
C66
0.047
C65
220P
C60
0.1P
D31
MA165TA5
D30
R110
150
R111
33
R102
JK1
PEDAL IN
470
R104
470
R106
470
R113
220
+5DM
NC
NC
GND
8
7
6
5
1
2
3
4
+5DM
+5DM
A
B
C
D
E
JK3
MIDI OUT
JK2
MIDI IN
IC4
M5218AL
(HEADPHONE AMPLIFIER)
-VCC
+VCC
1 3 4
5678
2
-15
HPR
+15HM
R21
22
R19
270K
R20
2.2K
R18
330K
C42 10P
C73
0.1
R25 270K
C43 10P
Q7
2SD592ARS
Q8
2SB621A-R
CN9
1
2
CN8
1
2
R29
22
EOINR
EOINL
HPL
-15
R24
330K
R27
22
R26
2.2K
Q9
2SD592ARS
Q10
2SB621A-R
R23
22
+15
SPL
14cm,6
SPR
14cm,6
F
F
MA165TA5
(PHOTO COUPLER)
HPL
5
HPR
6
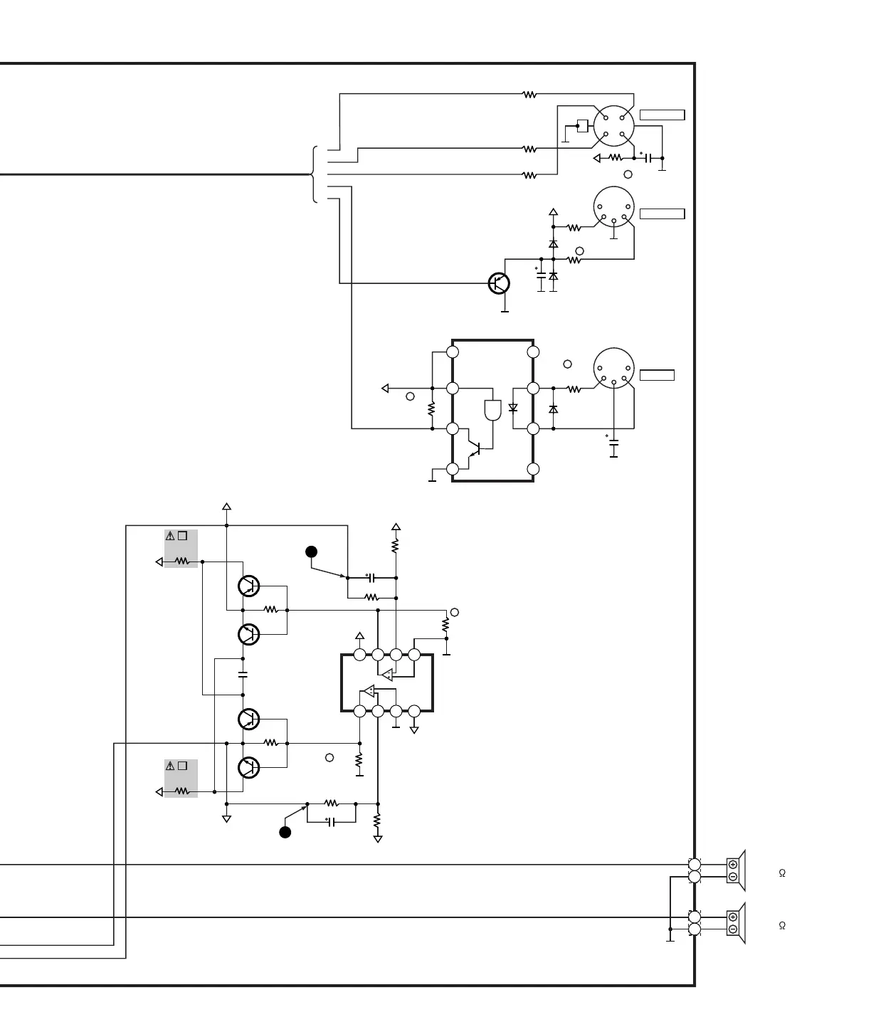
SCHEMATIC DIAGRAM-11
R118
220
F
F
F
F
F
F

Other manuals for Technics SX-PX662

Related product manuals