EasyManua.ls Logo

Technics SX-PX662

Technics SX-PX662
83 pages
To Next Page IconTo Next Page
To Next Page IconTo Next Page
To Previous Page IconTo Previous Page
To Previous Page IconTo Previous Page
Loading...
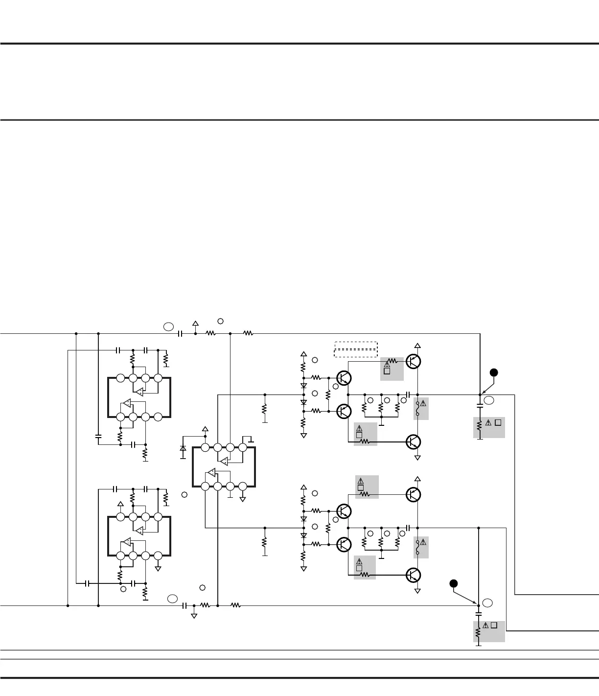
IC11
M5218AL
(POWER AMPLIFIER)
-VCC
+VCC
1 3 4
5678
2
-15
-15M
-VCC
IC9
M5218AL
(EQUALIZING)
-VCC
+VCC
1 3 4
5678
2
C26
0.022
R49
1K
R50
39K
C25
0.022
PINL
+15M
+15M
R62
1K
C38
0.022
C39
0.0022
R63
39K
-15
PINR
+15
IC10
M5218AL
-VCC
+VCC
1 3 4
5678
2
C28
0.001
C27
0.0068
3.3K
R52
R51
270K
R82
100K
R83
560K
R84
1K
1K
R85
2.7K
R86
1K
R88
1K
R87
10K
R94
100
C51
0.1
R91
330
R92
330
R93
330
F5
C50
0.022
Q13
2SC1815TPE2
Q14
Q18
2SC4511PY
R89
2.7K
D22
D23
C40
0.0068
R64
3.3K
C41
0.001
R65
270K
D13
EK04W
C49
0.22
C44
0.22
R66
100K
R95
4.7
+VCC
R90
100
-15M
-VCC
+15M
R68
R69
2.7K
R70
1K
R72
1K
R71
10K
R79
100
R76
330
R77
330
R78
330
F4
C45
0.022
Q11
Q12
2SA1015TPE2
Q16
2SC4511PY
Q15
2SA1725PY
Q17
2SA1725PY
R73
2.7K
D16
D17
+VCC
R74
100
R67
560K
C46
0.1
R80
4.7
F
F
F
F
TF
TF
(EQUALIZING)
MA165TA5
MA165TA5
MA165TA5
MA165TA5
2SA1015TPE2
TF
F
TF
2SC1815TPE2
SIPG2244281A
P,PC
OTHERS
SPL
7
SPR
8
G
G
G
G
G
G
SCHEMATIC DIAGRAM-10
F
F
F
F
F F F
F F F
F

Other manuals for Technics SX-PX662

Related product manuals