EasyManua.ls Logo

Technics SX-PX662

Technics SX-PX662
83 pages
To Next Page IconTo Next Page
To Next Page IconTo Next Page
To Previous Page IconTo Previous Page
To Previous Page IconTo Previous Page
Loading...
I G D
I G D
D4
C6
-VCC
+VCC
35V3300
C9
0.1P
C8
0.1P
C11
16V100P
D11
MA4180TA
D14
EK04W
D12
MA4180TA
R12
10K
R11
+15 +15M
-15
HPS
-15M
+15HM+15
PMUT
4.7K
R15
4.7K
R13
10K
Q6
2SA1015TPE2
Q5
2SA1015TPE2
Q4
2SC1815TPE2
Q1
2SC1815TPE2
2SC1815TPE2
Q2
Q3
2SA1015TPE2
R14
10K
R10
3.3K
R9
10K
R8
47K
R7
47K
R6
100K
D15
MA165TA5
C10
16V10
R4
6.8
IC3
M5218AL
(MIXING)
IC5
M5218AL
R38
56K
C14
50N1
R39
6.8K
R36
22K
R35
3.3K
R37
22K
C15 220P
C4
35V3300
SVDS3V40
D7
D6
D9
C56
0.1P
C57
0.1P
R99
680
R100
680
SUMR
SUML
EOINL
LOL
LOR
R5
6.8
R3
6.8
IC1
KIA7815PI
IC2
+15
-15
-VCC
+VCC
1 3 4
5678
2
-15
-15
-15
+15
+15
R33
56K
N
C12
50N1
C20
0.033
R43
1.5K
R44
330K
N
R34
R40
15K
R41
1K
C16
0.0022
C17
0.15
C18
0.0047
R31
22K
R32 22K
C13 220P
R30
3.3K
-VCC
+VCC
1 3 4
5678
2
IC7
M5218AL
-VCC
+VCC
1 3 4
5678
2
IC6
M5218AL
(EQUALIZING)
-VCC
+VCC
1 3 4
5678
2
C33
0.0047
C32
0.15
1K
R57
R56
180K
C24
0.0068
R47
270
R48
270K
C19
50N1
C30
50N1
C23
1
R42
180K
N
R54
1.5K
C31
0.033
R55
330K
+15
R45
2.2K
C21
1
C22
0.0022
R46
150K
EOINR
R53
15K
C29
0.0022
N
-15
+15
IC8
M5218AL
-VCC
+VCC
1 3 4
5678
2
C37
0.0022
2.2K
R61
R60
150K
C34
1
R58
270
C35
0.0068
R59
270K
C36
1
F
F F
(+15 VOLTAGE REGULATOR)
KIA7915PI
(-15 VOLTAGE REGULATOR)
(EQUALIZING)
(EQUALIZING)
(EQUALIZING)
PMUT
2
SUML
3
SUMR
4
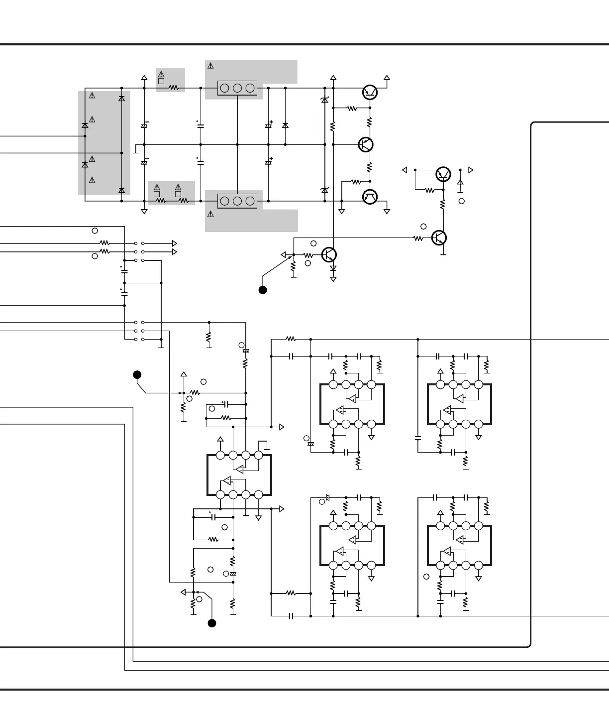
SCHEMATIC DIAGRAM-9
JP5
JP6
JP7
JP8
JP9
JP10
SVDS3V40
SVDS3V40
SVDS3V40
F
F
F
F
6.8K
F
F
F
F
F
F
F
F
F
D33
EK04W

Other manuals for Technics SX-PX662

Related product manuals