EasyManua.ls Logo

Technics SX-PX662

Technics SX-PX662
83 pages
To Next Page IconTo Next Page
To Next Page IconTo Next Page
To Previous Page IconTo Previous Page
To Previous Page IconTo Previous Page
Loading...
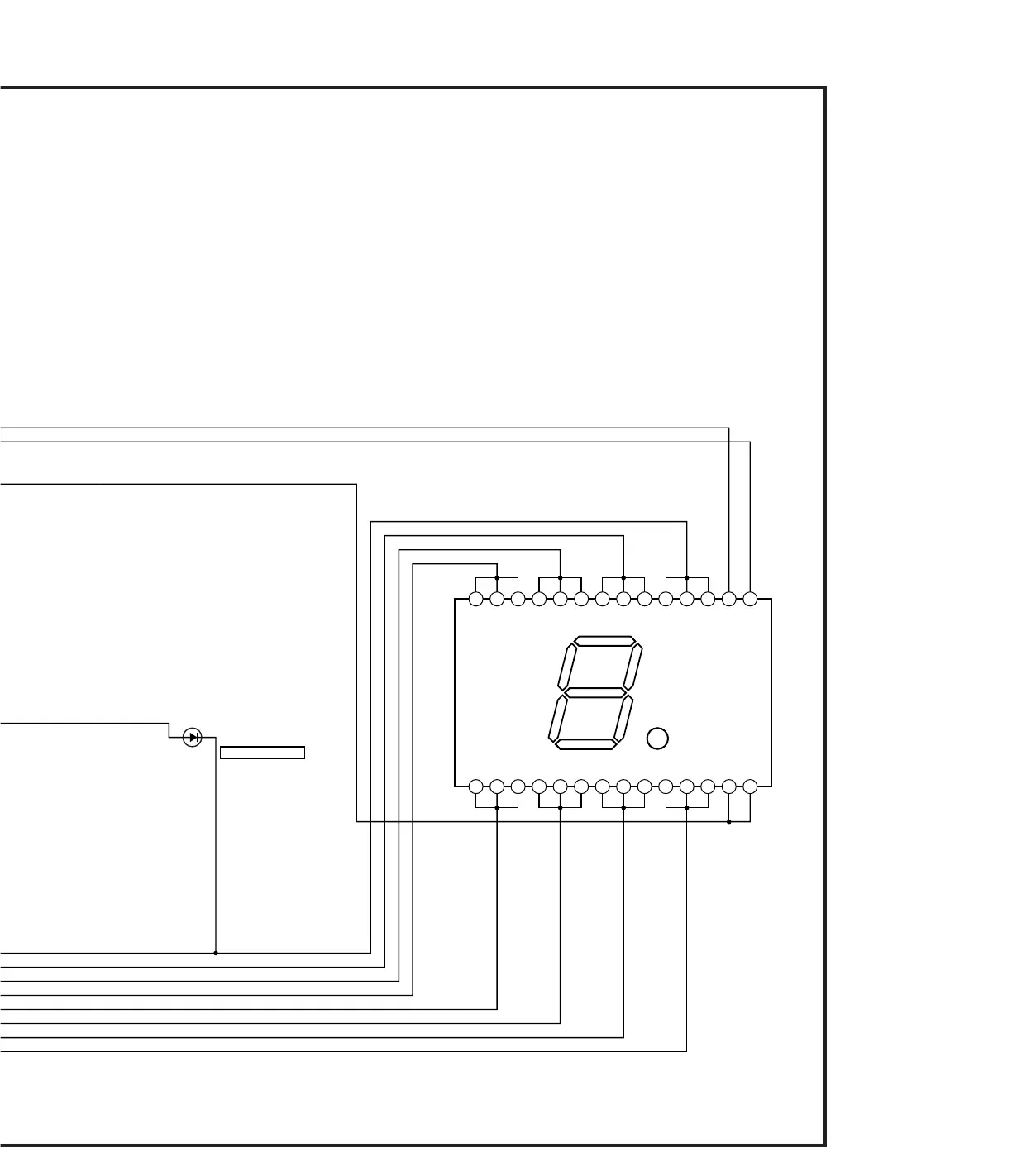
A1
A2
A3
B1
B2
B3
C1
C2
C3
D1
D2
D3
D1CA
D1CA
E1
E2
E3
F1
F2
F3
G1
G2
G3
DP1
DP2
DP3
D2CA
D3CA
A
G
D
DP
F
E
B
C
T512SRDBS119
LED1
D239
LN282RPXVTX2
TRANSPOSE UP
25
1 6 10 27 23 17 28 22 12 5 9 14 19 18
21 16 24 20 15 4 8 13 2 7 11 3 26
SCHEMATIC DIAGRAM-16

Other manuals for Technics SX-PX662

Related product manuals