EasyManua.ls Logo

Technics SX-PX662

Technics SX-PX662
83 pages
To Next Page IconTo Next Page
To Next Page IconTo Next Page
To Previous Page IconTo Previous Page
To Previous Page IconTo Previous Page
Loading...
1
2
3
4
5
6
7
8
9
10
11
12
13
14
15
16
+5
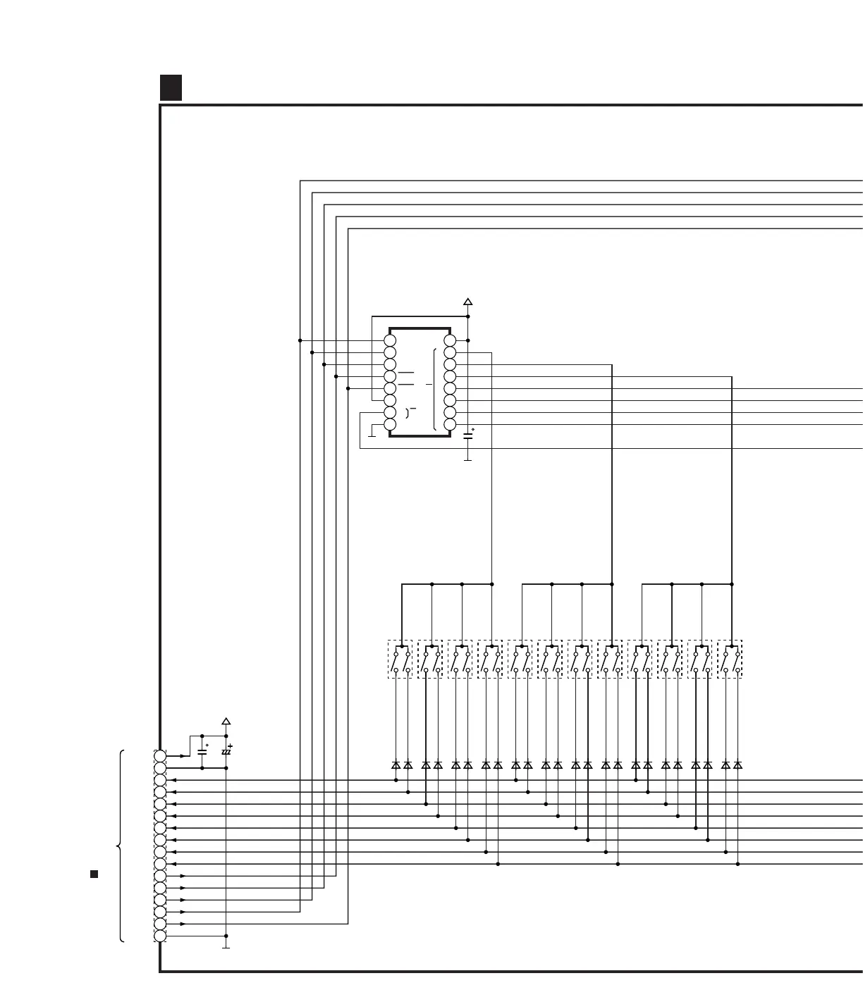
CN3
E
KF0
KS0
KF1
KS1
KF2
KS2
KB3
KF3
KS3
KB2
KB1
KB0
KB4
E
A0
+5
A1
A2
CS2
CS3
CS1
C6
0.1
7Y
GND
+VCC
0
1
2
3
4
5
6
HD74LS138P
(3 TO 8 DECODER)
IC1
+5V
C4
D1
SW1
C0
SW2
SW3
SW4
UNLESS OTHERWISE SPECIFIED:
DIODES ARE MA165TA5.
D2
6.3V47
C1
0.1
1
2
3
4
5
6
7
8
16
15
14
13
12
11
10
9
Y
D3
D4
D5
D6
D7
D8
D9
SW5
SW6
SW7
SW8
D10
D11
D12
D13
D14
D15
D16
D17
SW9
SW10
SW11
SW12
D18
D19
D20
D21
D22
D23
D24
MKB1 CIRCUIT
E
SCHEMATIC DIAGRAM-17
TO MAIN CIRCUIT
(CN4) ON SCHEMATIC
DIAGRAM 7
A

Other manuals for Technics SX-PX662

Related product manuals