EasyManua.ls Logo

Techno GR SB4 Series - 6.2 TGR-SB RELAY MODULE CONNECTIONS

Default Icon
18 pages
Print Icon
To Next Page IconTo Next Page
To Next Page IconTo Next Page
To Previous Page IconTo Previous Page
To Previous Page IconTo Previous Page
Loading...
SB series User’s manual
13
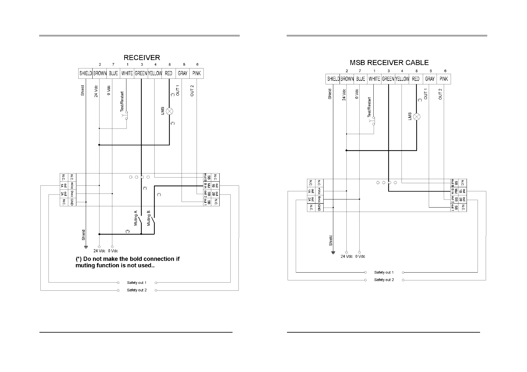
6.2 CONNECTIONS WITH TGR-SB RELAY MODULE:
SB series User’s manual
14
Following the connection scheme if TGR-SB is connected in presence of
muting activator MSB-L or MSB-T.