EasyManua.ls Logo

Tektronix 485 - Page 130

Tektronix 485
197 pages
Print Icon
To Next Page IconTo Next Page
To Next Page IconTo Next Page
To Previous Page IconTo Previous Page
To Previous Page IconTo Previous Page
Loading...
P300,
+
partial A| cm* '
Ml 2 ATTEN 6D
S90
PX5J
&cO
4-9V
9f-s.5v^.
, i
----
1 CH I
I V A R IA B L E I
R223
\ \ \ S.fcK
. 3 3 f - W ,
- w X * * 1
R 2 2 S
4.ft»K
49V
R228 L
wtk5
- w v
R227
> CftlK
<oCAl £
I L L U M
L / .
f t
--------
K P
CR29I
+5V IN 5 « v
v poviriow )
LR262 L, d
^ * «
-
v | L
P85
12 *2 3 8 V
DSJIO (t |
OSZll (<
---
1~
PARTlAL At
V E R T IC A L
B O A R D
+?V
R2I7
A3
C H I J2 ° °
S IG NA L (g
FROM
SS5
C20I
22 m ?
fR20C»
1 lOK
T m A
\+9V
L R 2 0 2
R207
1a*H
O :
tSK
7 V ^
cw
_l
>v |
CW v
R201
5A.2
\ y ^ 5c f f o *
C2. II _Lf
i ? » f T
7 *
CH I
VAR BAU
«*°® CH ,
[ o '
INPUT 2
-0.75 vR? 14^
200
CZt
6
t
LR7.3R
0 .7 -M
jVWTL
__
__
- L w v -
I
------
-
7 IOO
t m
u i ' ° .
C290T
.02 2 ^ j
0.5
v / - 4 J 7 v
-C lw /.j.hv
LRlfcl
O-UM )
49V
T E S f X -
>R24S
t
<^34
1 .i.4V
VT
t i
- 3 4
<b
J
ftO L R264
4.7*4 P
3 0.2>U H
FRO M _5 £y
P 2040-1 (LAMP%)_
M . QV
__________________
L24I R| 404 C244X^r
+ sv V A
-----------------
L
R?42
7-5
©i>R240
2 SO
L242 jl
3.?*w
<5
S3 5
_____________
I
--------
25 - -j CH I VO LT S /D .I V I
< - J <$>
PARTIAL A3 CHi HI Z ATTEN B D * ^
6
O*
. a c v
C H I f VER T S IG N A L TO
PIN 13, U 4 I O ^
R2Si
111
C 242 I +
4Am F r
. A -2 -
= 7 I 3
Sm V B A L
IS i.
1 R2S3 . c.254
> UK
•01 :
b CM »
. GA*N
s
^ 2 5 0 -
< 5 0 1
C253
-0.2 2
eR2S2
R257
>R254
f ,9
> i .i k ; IK
*
SEE PARTS LIST FOR EARLIER
VALUES AND SERIAL NUMBER
RANGES OF PARTS OUTLINED
OR DEPICTED IN BLUE.
5/
!L240
.OSS
Q247
50
0 .2 3 * L2A8-
- |
------
' W -
X- c
-X
C247*
Q O V
L
* 4 .0 v
P A R T IA L CH ^
HI i A T TE N S b
c"2 |CAt IN |
<$> - - -
R90
S90
P85 P320
r . O X X
U 332
, A 74 IC
5V
7.2 *VS
otvAr
RESPECT TO
FRO'JT PAW6L
p R332.
I 33.2*
0 .0 V
u z s o
£R2S9
> SC.K
CHI - VERT SIGNAL TO
PIN I , U A I O ^
H.oV
+9V
INVERT
GAIN '
RS2S
4.0IK
. , t ! % V r
-------
-
-
/ i T T n r t e i r E i
\ CH
Z
T * --------------------------
|G A IN |
m
|CH 2 POL A RIT H
53)0
P5I0
*9V
<R3>&
>
200
*
v9V
R327
4.8IK
R323
S.fcX
f 9V
° T|
l i 4- OP
INVERT
W V
C3I9 X R3»9
.022 -T- 4.32*
P3I0
I ° 9 INVERT I
^ £ | = f e
IK
31R302.
1 U H
t
o f z J30°
SIGNAL
fro m
S9S
<S>
485
f3.7rvi A
0.7V
ICR3Q21
- lAA/-
C3I7
JL
R3H
•022 4.32K
P300
R3i^
I 21K
R328
2 »K
t-J.24V
a.ogv
T jf l. C V
C333_l
^ i5.8K
. F320
C334
: 2Z^P
( S.O V IM
5rr»V POSITION)
L3I2
5.9 a* H
ilQj
X c s io
X c3 ,2 « ' !
J
J-22^.F
is r
cw c j is
O l 5.S-Z5-
_*5 feS12J
50 rSEtcw
WOAM
,
vtR 6 aC
/% S p
-/
-----------
R3IS
200
< R 30 8
-0 .75V
> IK C H *
CSIC^ J
L
IN P U T 2
-r
,4
t
: i r
( LR331
i
I 0.2X4 M
»4v
LS40
.03S
kM2 j,
7. S
O<tT540
250
1-342 f
3.%H |
LR3GI
0.2X.H
R36»2
24K /
_____
/ .fe.iv
L3A2
5.9X4 W
£H I TRACE IDEWT
FRONA PIN 7, U 80
PARTIAL AS C H 1 H I 1 AT T E N Bb
,<!>
> R3^»5
^ C.34
3^ ft
4.7a F
\ L3C4
3.9xa H
-'TRRP
-----
_^C540
7* 1-3
LS4I
.OSS
C3A2_
4.ft>P -
r r
ft544 r \ A i i
SO
-AW
-----------------
L-
L 3 4 5
-77RfiTy
Q.25VC W Z
CH L
5i»V BAL *! -i5 v u3 4 0 *
LAW .
^ X T
80
X
347
C3I4
022
I P
-SV
U 3 IO
if p a r t of E.c. B o a r d
^ s u b s t r a t e
» H MATCH60 s e t
4 ON UNDER %IDE OF BO ARD
IIB 3 -2 5
REV. E . LIAR 1977
X
100 s
100
i LR-3G4-
5 0.2X4
H
r -
< 1
. I S95
______________
° |
----------
2 5 - 1 CH 2 V O L T S / DIV I
X <!>
PAR T IA L A 3 CH2 HI Z ATTEN BD
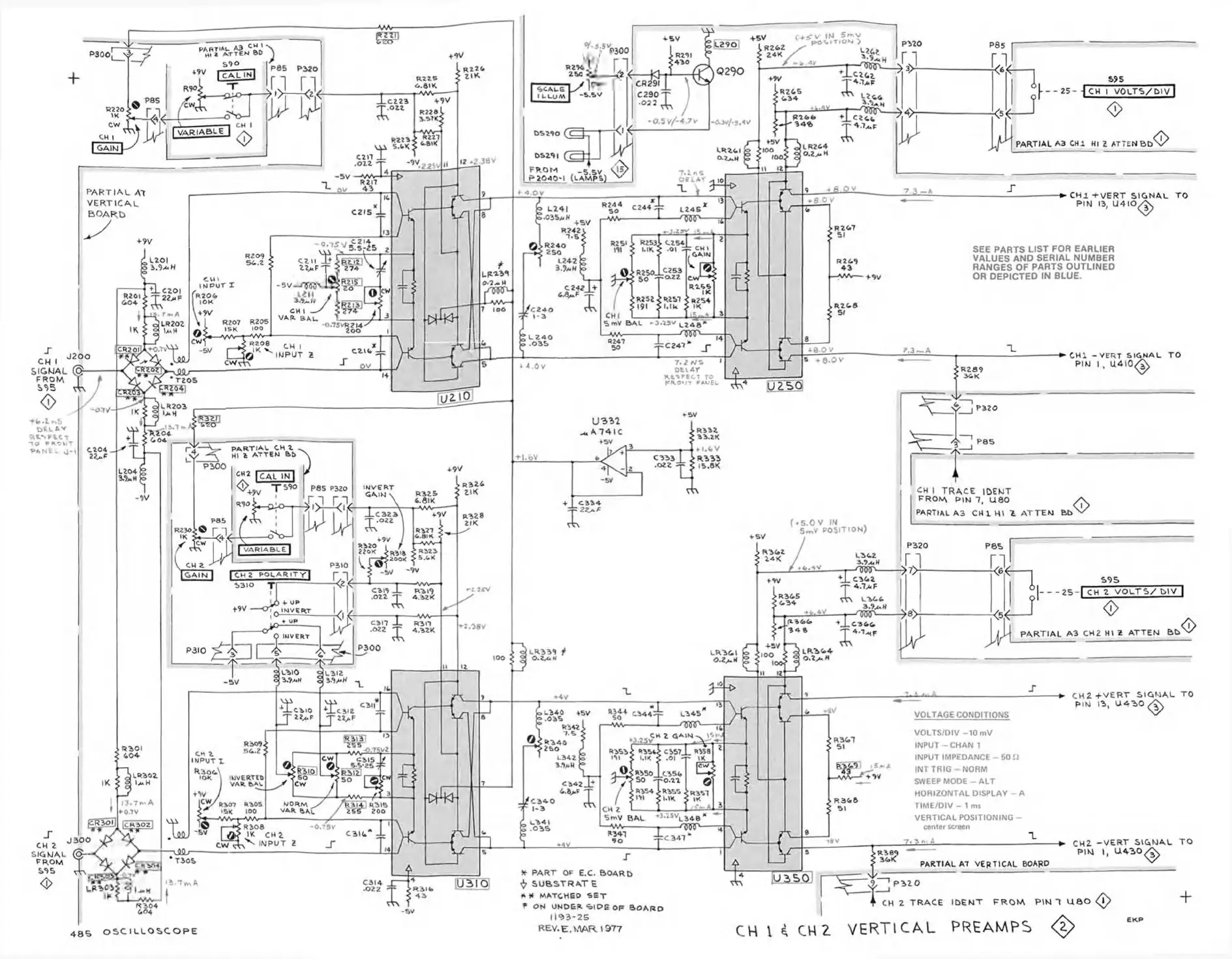
VOLTAGE CONDITIONS
VOLTS/DIV -10 mV
INPUT - CHAN 1
INPUT IMPEDANCE - 5012
INT TRIG - NORM
SWEEP MODE - ALT
HORIZONTAL DISPLAY A
TIME/DIV - 1 m«
VERTICAL POSITIONING -
center screen
C H 2 + V E R T S IG N A L TO
PIN IS, U A B O ^
PARTIAL A7 VERTICAL BOARD
CH2 -V E R T S IG N A L TO
PIN I, U V BO ^gs,
U 5 S Q ]
1 p s z o
/ v
T CH 2 T R A C E ID E N T F R O M P IN T U B O < 7 ^
CHUCH1 VERTICAL PREAMPS <2>
+

Table of Contents

Related product manuals