EasyManua.ls Logo

Tektronix 485 - Page 143

Tektronix 485
197 pages
To Next Page IconTo Next Page
To Next Page IconTo Next Page
To Previous Page IconTo Previous Page
To Previous Page IconTo Previous Page
Loading...
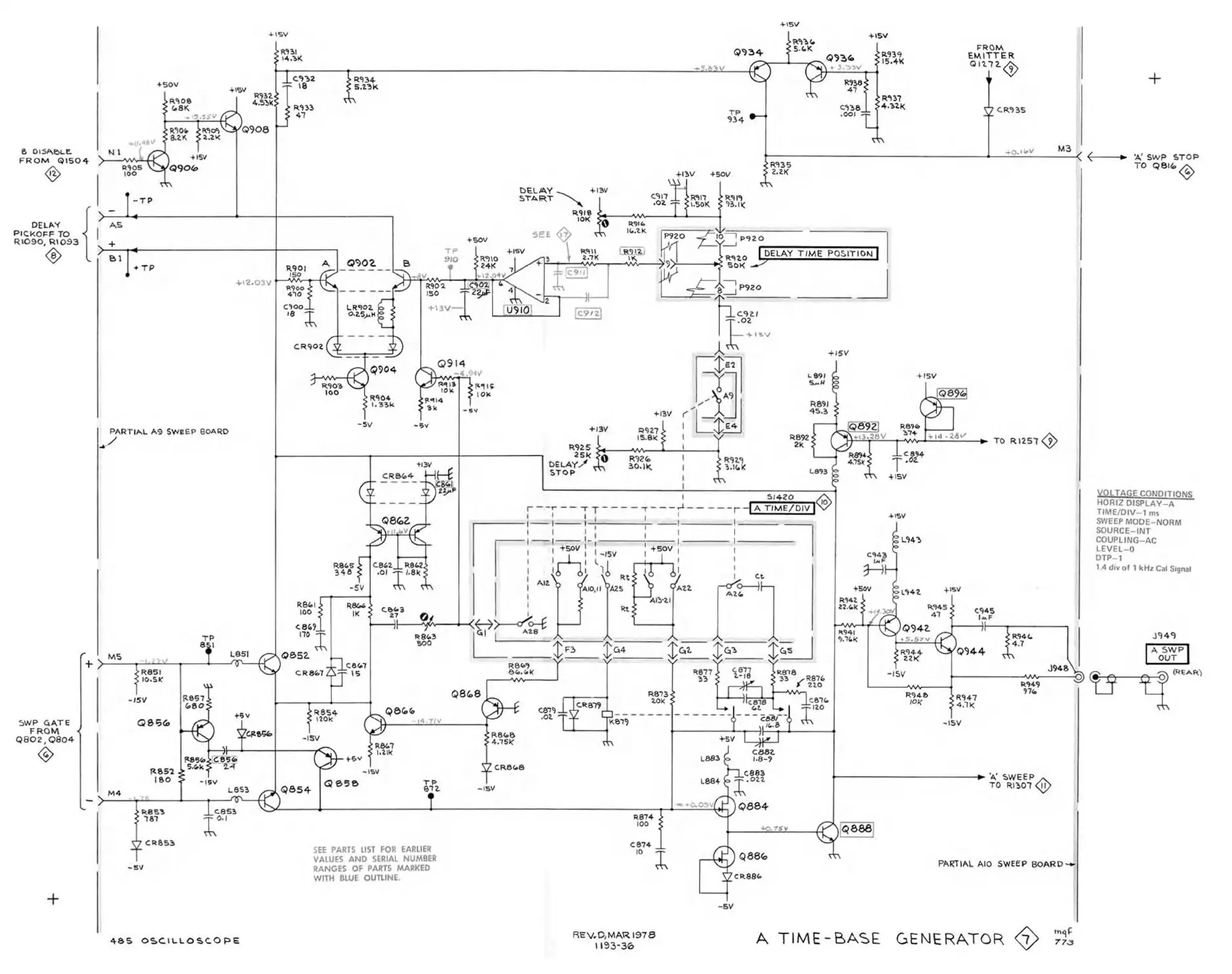
6 DlSAOi-t
F R O M Q I S 0 4
< S >
A' SWP STOP
i O Q8l£>
DELAY
PlCKOPF TO <
R 1 0 9 0 , R »O D 3
<§>
SWP GATE
FROM
< 3 8 0 2 , Q 8 0 4
< S >
+
(PEAfO
48 5 O SC ILLOSCOPE
REV.0JMARI97S
1193*36
A TIM E-BAS E GENERATOR <7>

Table of Contents

Related product manuals