EasyManua.ls Logo

Tektronix 485 - Page 148

Tektronix 485
197 pages
To Next Page IconTo Next Page
To Next Page IconTo Next Page
To Previous Page IconTo Previous Page
To Previous Page IconTo Previous Page
Loading...
+
+ SWP GATE
FROM RII2<)
< S >
-SW P GATE
FROM RIIZ8
<5>
485 OSCILLOSCOPE
1145-40
REV.E, AUG. I9TT
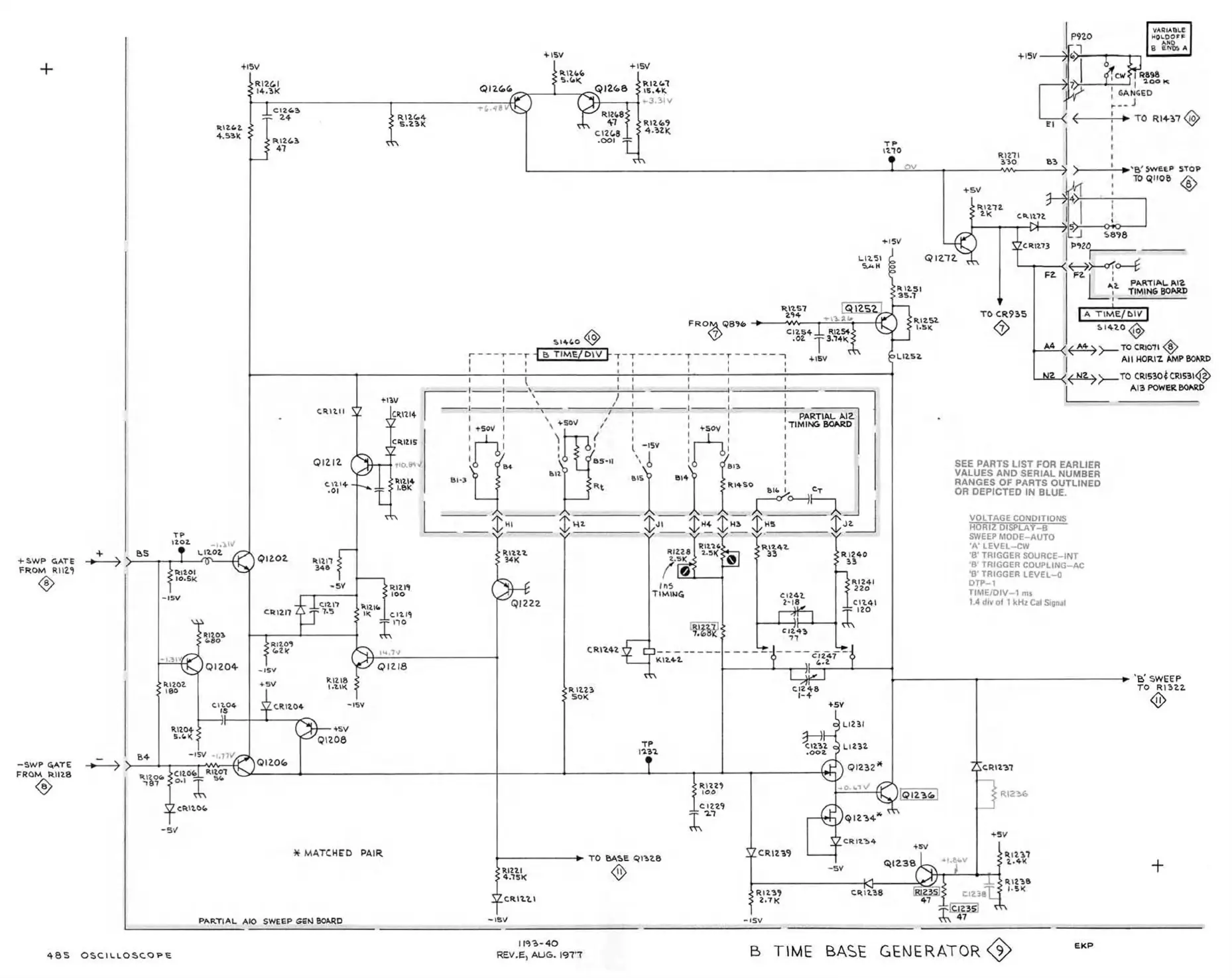
B TIME BASE GENERATOR <$>
EKP

Table of Contents

Related product manuals