EasyManua.ls Logo

Tektronix 485 - Page 153

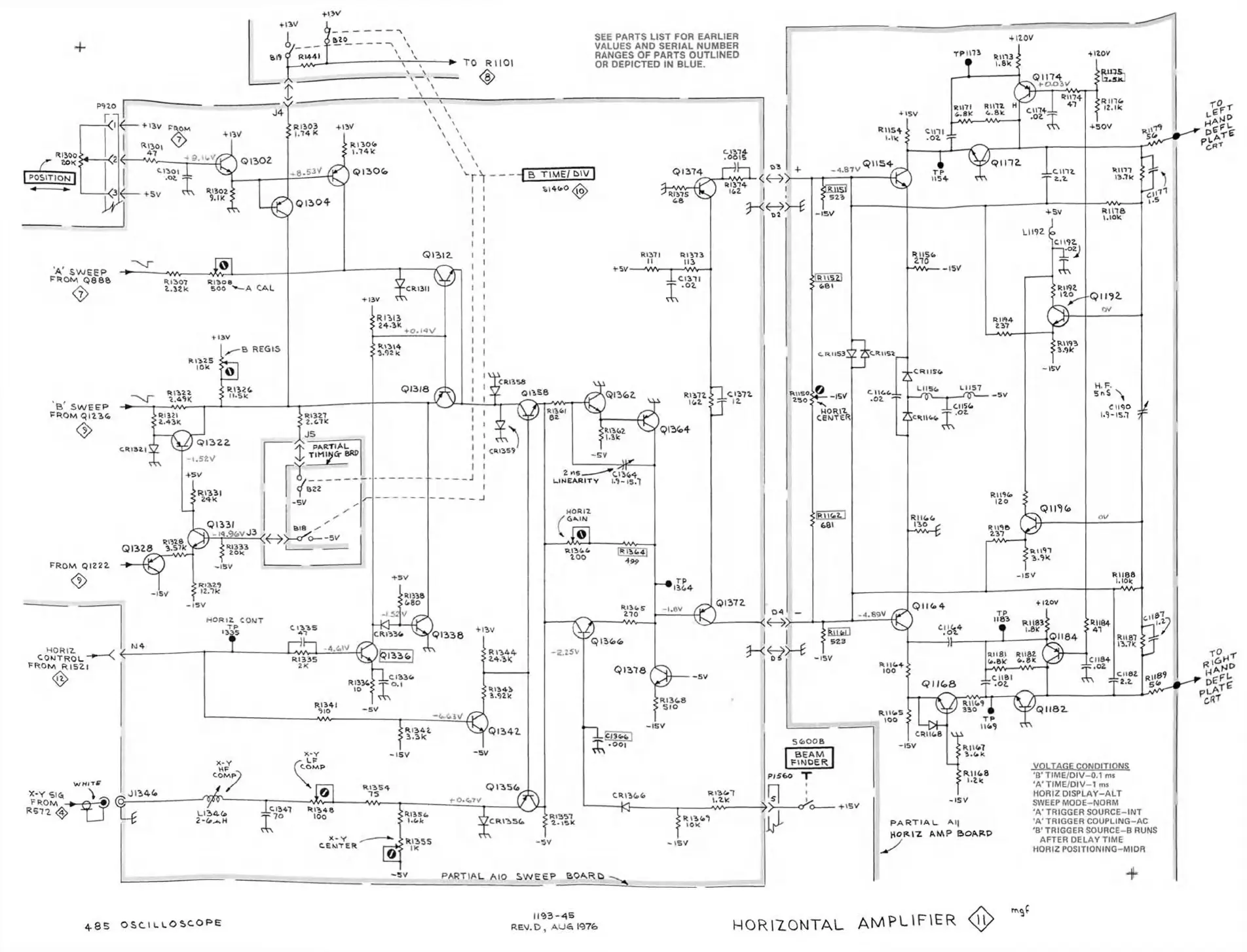
Tektronix 485
197 pages
To Next Page IconTo Next Page
To Next Page IconTo Next Page
To Previous Page IconTo Previous Page
To Previous Page IconTo Previous Page
Loading...
WHIT C
X-Y %I6, \ ^ ^
J ROM » Q - S ) ©
<$> X J I
4-85 O S C U .LO & C O P E
II93-4S
REV. D , A J & l<57fe
HORIZONTAL A M P LIF IE R <U>

Table of Contents

Related product manuals