EasyManua.ls Logo

Tektronix 485 - Page 155

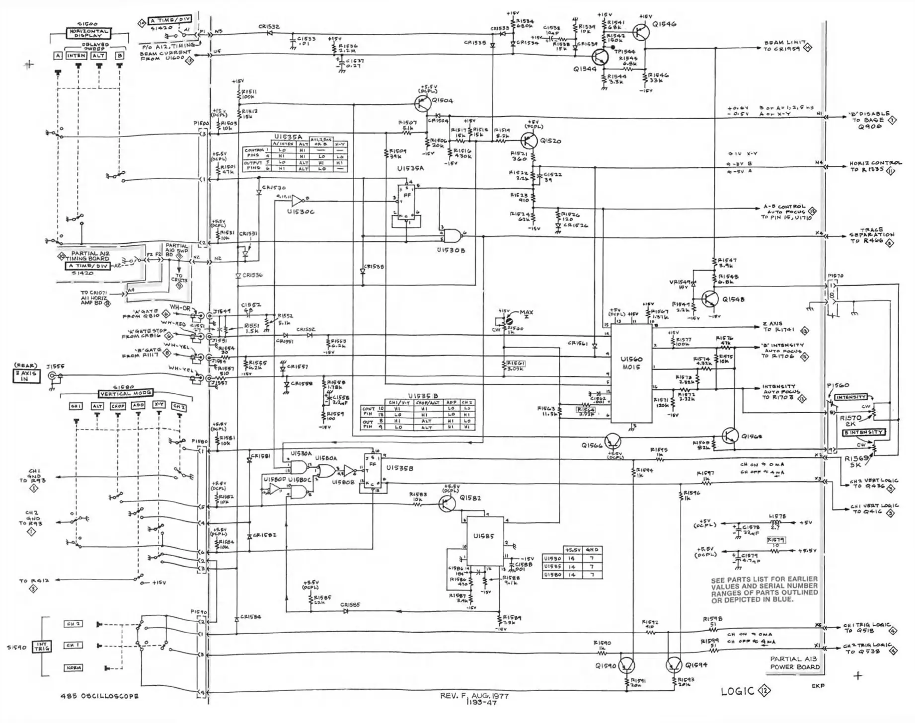
Tektronix 485
197 pages
To Next Page IconTo Next Page
To Next Page IconTo Next Page
To Previous Page IconTo Previous Page
To Previous Page IconTo Previous Page
Loading...
To e>A<5»E <T>
QC\06>
HOP.\"Z C£>MT(U>t
TO K M S ^
CH
I TP»G» LO*»C
TO
*- THlO» U?*|C-
T O <9* 3* <§>
4 8 5 08CJLLOSC0PE
ftEV. F. AUGr, 1977
1193-47
LOGIC <$>

Table of Contents

Related product manuals