EasyManua.ls Logo

Tektronix 485 - Page 162

Tektronix 485
197 pages
To Next Page IconTo Next Page
To Next Page IconTo Next Page
To Previous Page IconTo Previous Page
To Previous Page IconTo Previous Page
Loading...
+
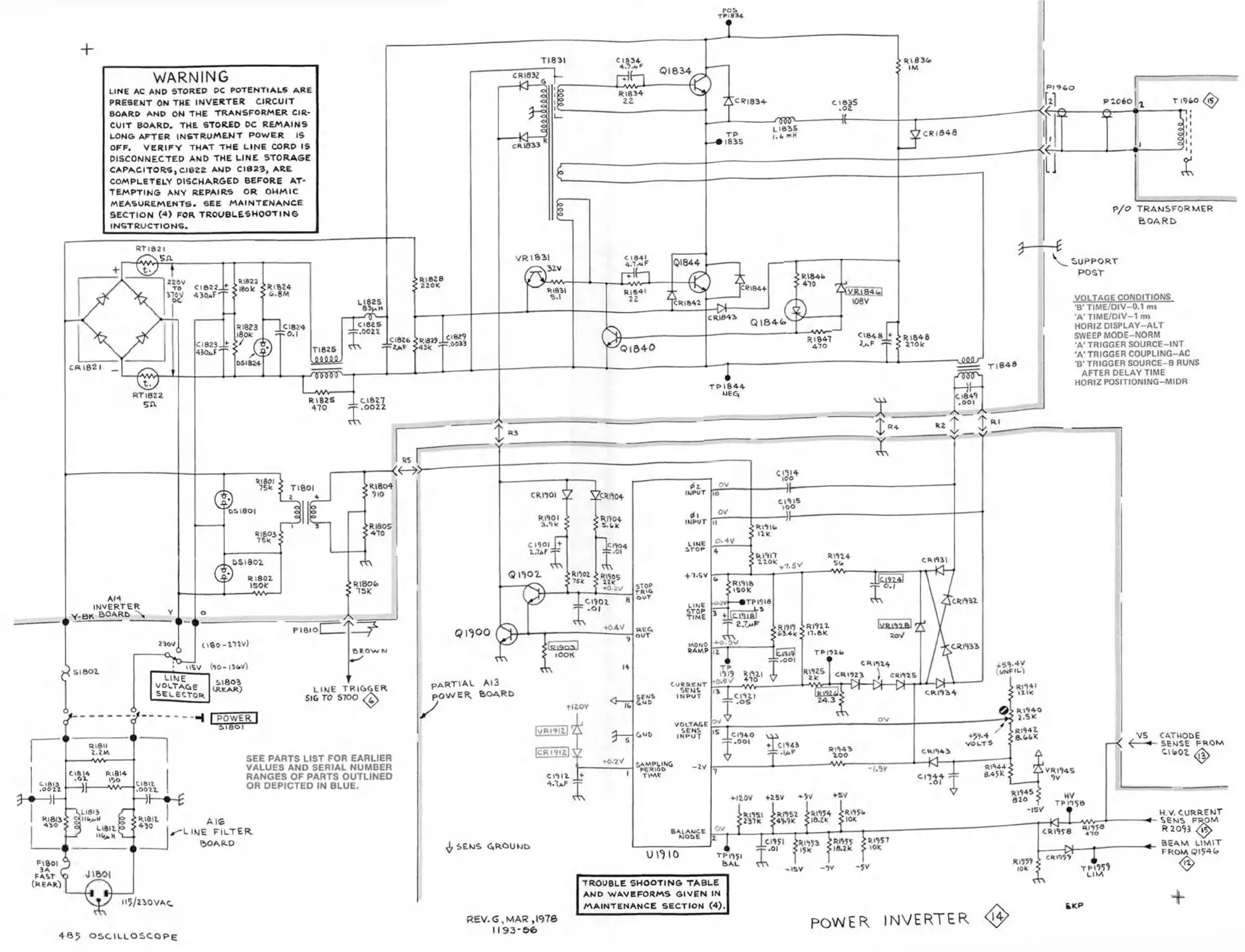
WARNING
LINE AC AND STORED DC POTENTIALS ARE
PRESENT ON THE INVERTER CIRCUIT
BOARD AND ON THE TRANSFORMER CIR
CUIT BOARD. THE STORED DC REMAINS
LONG. AFTER INSTRUMENT POWER IS
OFF. VERIFY THAT THE LINE CORD IS
DISCONNECTED AND THE LINE STORAGE
CAPACITORS, CI02E AND CI823, ARE
COMPLETELY DISCHARGED BEFORE AT
TEMPTING ANY REPAIRS OR OHMIC
MEASUREMENTS. SEE MAINTENANCE
SECTION (A) FOR TROUBLESHOOTING
INSTRUCTIONS.
R T IB 2 1
_£7Nsa
viov 43o* f
OC
A H
i n v e r t e r
V»E5K BOARt> \
4iOuF
0 -0
8
R1822
J8 0 k
;* i8 2 4
a .8 M
P.823
i8ok
0 8 2 4
p O .I
¥
y d
b
DSI824
T I8 2 S
R»82S
470
^.0022
I M
C 182 7
.0 0 2 2
T I83 I
Rl©28
220K
n OJC C,82<?
CRI632
G
Q I8 34 ,
WP3
OS 1802
/ Rl802
iso*:
-Wv-
R1804
^*0
R I8 05
4 7 0
SI 802
Oft0-271V)
USV toO-lSfcV')
LIME
voltage
se l e c t o r .
i*>o
Kl8ll
430
F\
8 0
l
3A
F A S T
(REAR.)
U.10'3 f
U8ilf
s»80i
C R E A R )
POWER I
S180I
Rl806>
75*C
CRI833
R»834
ZZ
:«? |0 34 -
L 1635
f.fc wH
rcR48
VRI&31
( 8 C .
R183I
5.1
9 / 0 t r a n s f o r m e r
B o a r d
C»84»
4.7-«*p
n ) h
01844
_ (P
RI84I -
I
CR1842
^ 0 ( 8 4 0
c«ia*+
-W -
CRI84S
TPIBAA
W60,
Q184®
S u p p o r t
p o s t
RI8G1
A70
VOLTAGE CONDITIONS
B TIME/DIV-0.1 ms
A'TIME/DlV-1 ms
HORIZ DISPLAY-ALT
SWEEP MODE-NORM
'A- TRIGGER SOURCE-INT
A' TRIGGER COUPLING-AC
B TRIGGER SOURCE-B RUNS
AFTER DELAY TIME
HORIZ POSITIONINGMIDR
CRI10I
RI90I
3.3 k
CI3°I J j
1.7
mT
Ql'iOZ
'RI704
* 5.tic
Ct404
dz .01
<?i<)oo
| *Q.2V
- .Ol
I '
.OAV
41ki3q2lI
> lOOK
LIN E T R IG G E R
SIG TO STOO
P A R TIA L A l3
PO W E R . BO A R D
y
0611
OOll
Kisa
4V5
SEE PARTS LIST FOR EARLIER
VALUES AND SERIAL NUMBER
RANGES OF PARTS OUTLINED
OR DEPICTED IN BLUE.
Iv R lT IL I 1
[CRI9IZI
0911
9.1*F T-
-0.7 V
A
In l in e f il t e r .
BOARD
U5/1S0VAC.
^ SENS GROUND
REV. <3, MAR ,1878
1193-68
t i .
INPUT
V i
INPUT
LIM E
STO P
+ 7 .S V
STOP
t r i 4
OUT
LIME
STOP
T IM E
OUT
MONO
RAM P
iP w S
4 U 0
Cu r r e n t
%ENS
IN P U T
GMD
v o l t a g e
SENS
IN P U T
San a p l ik iG w , w
TI*AC
b a l a n c e
MOOE
i n ' )
1 0
TROUBLE SHOOTING TABLE
AND WAVEFORMS GIVEN IN
MAINTENANCE SECTION (4).
VS CATHODE
SENSE FROM
CH.OZ <£>
H.V. CURRENT
SENS FROM
R2033 /fe,
TP
1951
bAL
SEAM LIMIT
FROM QISAG
<S>
POWER INVERTER
465 OSCILLOSCOPE

Table of Contents

Related product manuals