EasyManua.ls Logo

Tektronix TDS2012C - Page 58

Tektronix TDS2012C
130 pages
Print Icon
To Next Page IconTo Next Page
To Next Page IconTo Next Page
To Previous Page IconTo Previous Page
To Previous Page IconTo Previous Page
Loading...
Performance Ve rication
5. Adjust the v ert
ical position knob for the DC line to position the line in the
center of the screen.
6. Enter the volt
age o n the voltmeter and on the oscilloscope into the spreadsheet
in the appropriate columns, B and C.
7. Repeat step
s 4 through 6 for the values of 1.76 V through 0 V.
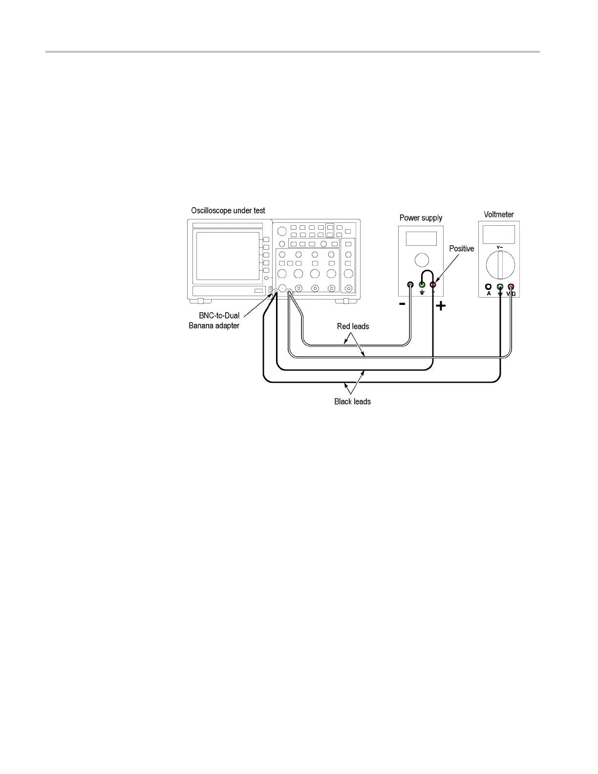
8. Swap the connections to the positive terminal of the power supply with those
at the negat
ive terminal as shown in the following gure:
9. Repeat steps 4 through 6 for the values of -0.04 V through -1.8 V.
10. Enter the Minimum Margin number (cell I16) for the channel tested in the
test record.
11. Repeat steps 1 through 10 for all input channels.
4–12 TDS2000C Series Oscilloscope Service Manual

Table of Contents

Other manuals for Tektronix TDS2012C

Related product manuals