EasyManua.ls Logo

Telcoma ZEN 100E - Page 90

Telcoma ZEN 100E
Print Icon
To Next Page IconTo Next Page
To Next Page IconTo Next Page
To Previous Page IconTo Previous Page
To Previous Page IconTo Previous Page
Loading...
90
NL
Z124
6
8
1
7
9
234
11
10
5
12
13
14
15
19
16
17
18
M
24V
c.c.
24V
c.c.
Antenna
FT1
C.M.
C
C
STOP
P/P
230V max. 100W
(cambio funzione con
dip n. 3 e 4)
Lampeggiante
24V
c.c.
230V
50Hz
22V
230V
24
20 23
2221
25
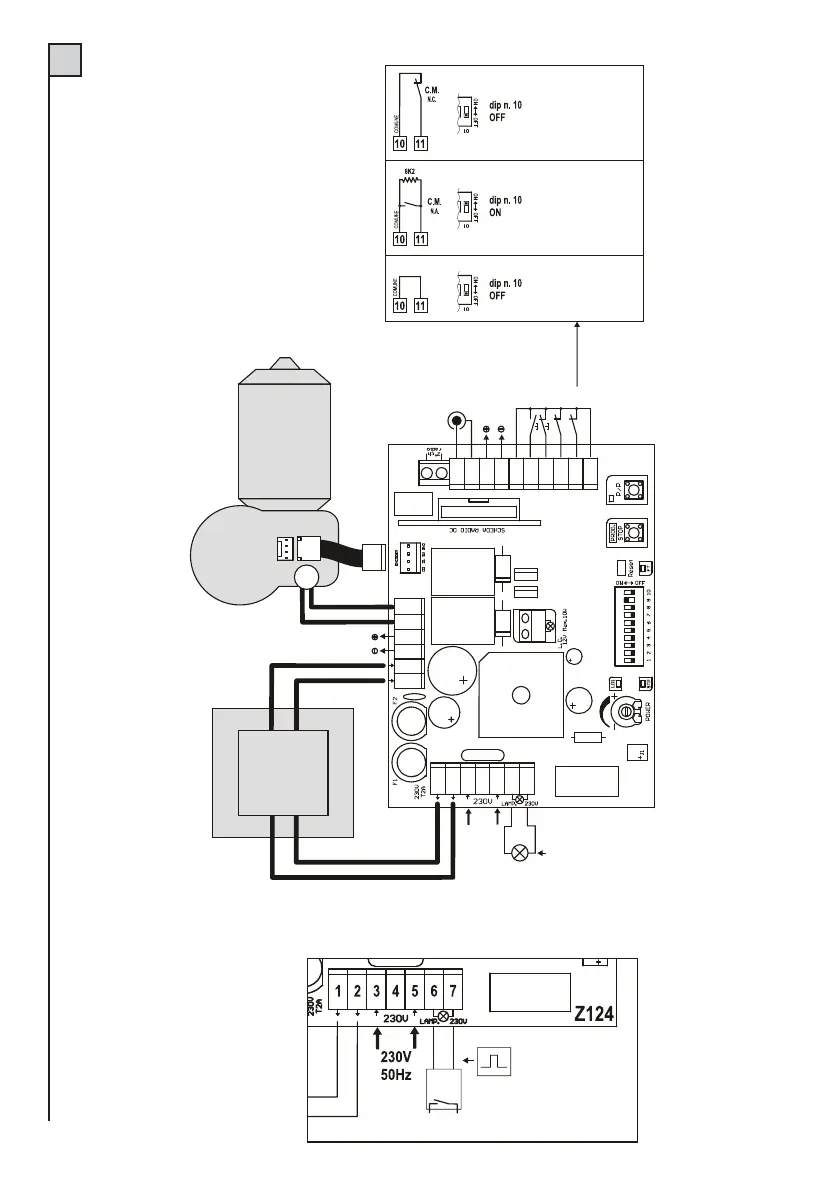
Aansluiting van
contactlijsten met
contact Normaal
Gesloten
Aansluiting van
contactlijsten met
contact Normaal Open
Overeenkomstig met
de regelgeving EN 12978
Niet gebruikte ingang.
Verbind klemmetje 11
met klemmetje 10 en zet
dip nr. 10 op OFF
Afb. 15
TAB. 2
!'%.-/%%0
123/'(44
3"5
Afb. 15B

Related product manuals