EasyManua.ls Logo

Telcoma ZEN 100E - Page 91

Telcoma ZEN 100E
Print Icon
To Next Page IconTo Next Page
To Next Page IconTo Next Page
To Previous Page IconTo Previous Page
To Previous Page IconTo Previous Page
Loading...
91
NL
Met behulp van deze procedure kunnen we de deur, die op de reductiemotor is aangesloten, manoeuvreren zoals we
willen, met als doel de installatie voor te bereiden op de programmering en om te begrijpen of de reductiemotor op de
juiste wijze is aangesloten.
Tijdens deze handelingen functioneren de knoppen in de modus “persoon aanwezig” en worden de
veiligheidsmaatregelen genegeerd.
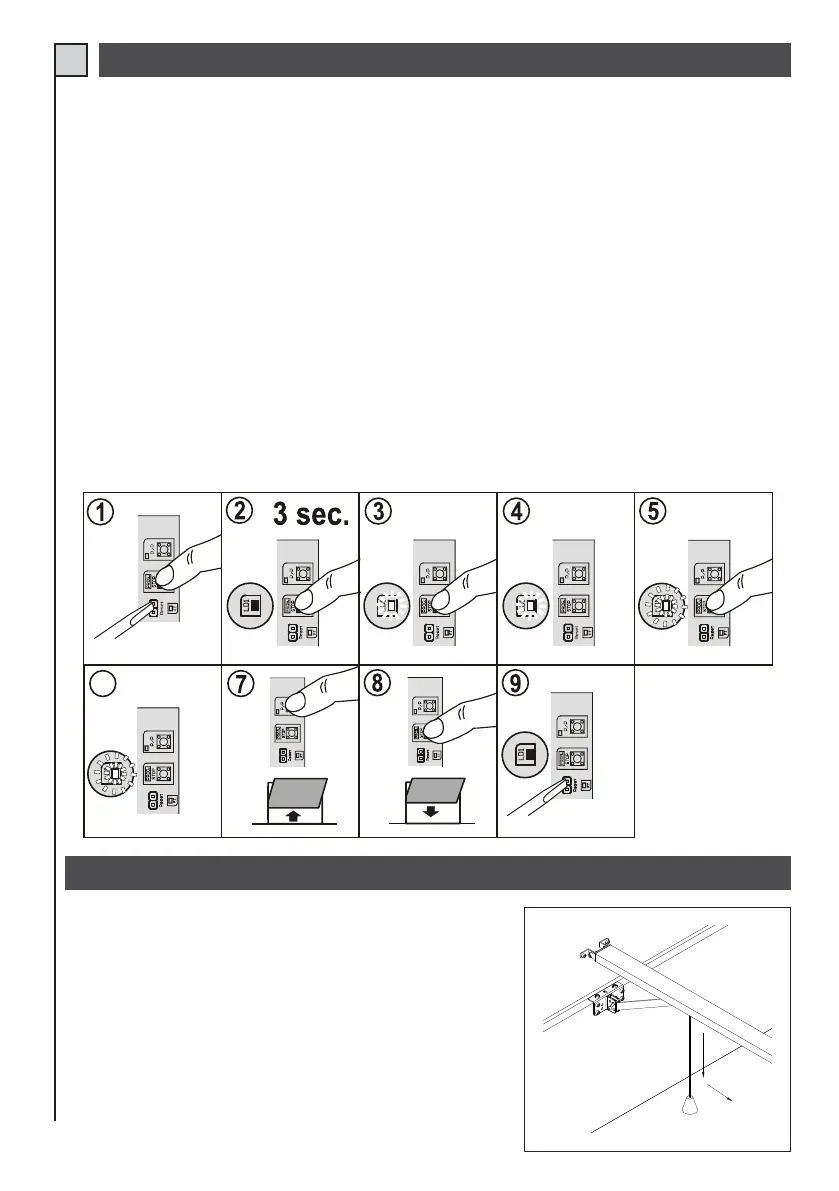
Procedure:
1) Terwijl u de knop PROG. ingedrukt houdt, voert u een reset uit waarbij u met de schroevendraaier de jump Reset
(deel 17 van afb.14) in kortsluiting brengt.
2) Houd de knop PROG. ingedrukt.
3) Led LD1 gaat na drie seconden branden.
4) Laat de toets PROG. los.
5) Activeer de functie voor de handmatige beweging en druk hiervoor opnieuw op knop PROG.
6) Led LD1 gaat nu van constant licht over naar knipperlicht. Procedure geactiveerd.
7) Druk op de toets P/P om de automatisering te openen.
8) Druk op de toets PROG om te sluiten.
9) Om naar een normale functionering terug te keren, dient u een reset van de besturingseenheid uit te voeren (breng
de connector in kortsluiting, deel 17 van afb.14)
Exit
6
MANOEUVRE VOOR HET PLAATSEN VAN DE DEUR
Om de deur te openen in geval van een stroomonderbreking, dient u als volgt
te handelen:
- sluit voor de veiligheid de 230V-stroomtoevoer af
- ga onder de geleider staan die zich dichtbij de ontgrendeltrekstang bevindt
- trek eerst naar beneden en vervolgens in de richting van de reductiemotor (zie afb.16).
Door de deur opnieuw te sluiten wordt de inrichting automatisch geblokkeerd.
Afb. 16
HANDMATIGE ONTGRENDELING VAN DE DEUR

Related product manuals