EasyManua.ls Logo

Teledyne 2000A-EU - Page 20

Teledyne 2000A-EU
86 pages
Print Icon
To Next Page IconTo Next Page
To Next Page IconTo Next Page
To Previous Page IconTo Previous Page
To Previous Page IconTo Previous Page
Loading...
2-4
2 Operational Theory Model 2000A-EU
Teledyne Analytical Instruments
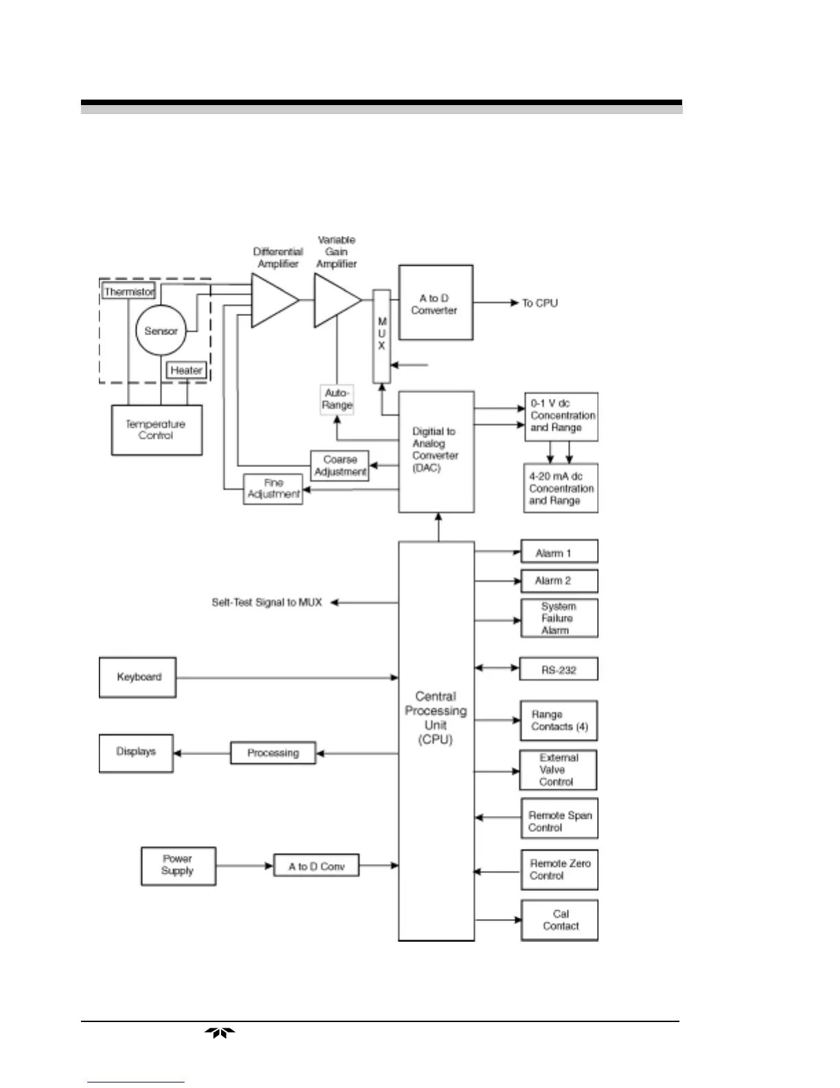
The Preamplifier board is mounted on top of the Motherboard as shown in
the figure (in chapter 5). These boards are accessible after removing the
back panel. Figure 2-2 is a block diagram of the Analyzer electronics.
Figure 2-2: Block Diagram of the Model 2000 Electronics

Table of Contents

Related product manuals