EasyManua.ls Logo

Telefire ADR-3000 - Specification

Default Icon
28 pages
Print Icon
To Next Page IconTo Next Page
To Next Page IconTo Next Page
To Previous Page IconTo Previous Page
To Previous Page IconTo Previous Page
Loading...
Telefire
ADR-3000 – System Introduction
Revision 1.10 4 November 2004
All input and output lines are supervised. Trouble events and work states are
displayed by the control panel and indicating LEDs on the unit
Built-in battery charger
Digital message play back of up to 4 minutes
Emergency forces microphone – manual microphone activation overrides
warning sounds and pre-recorded messages
Standard warning sounds for alarm and evacuation (ANSI / NFPA compliant)
25 W amplifier in each unit, multi-amplifier connection
Loudspeaker output is 25 / 70 V
RMS
(field selectable)
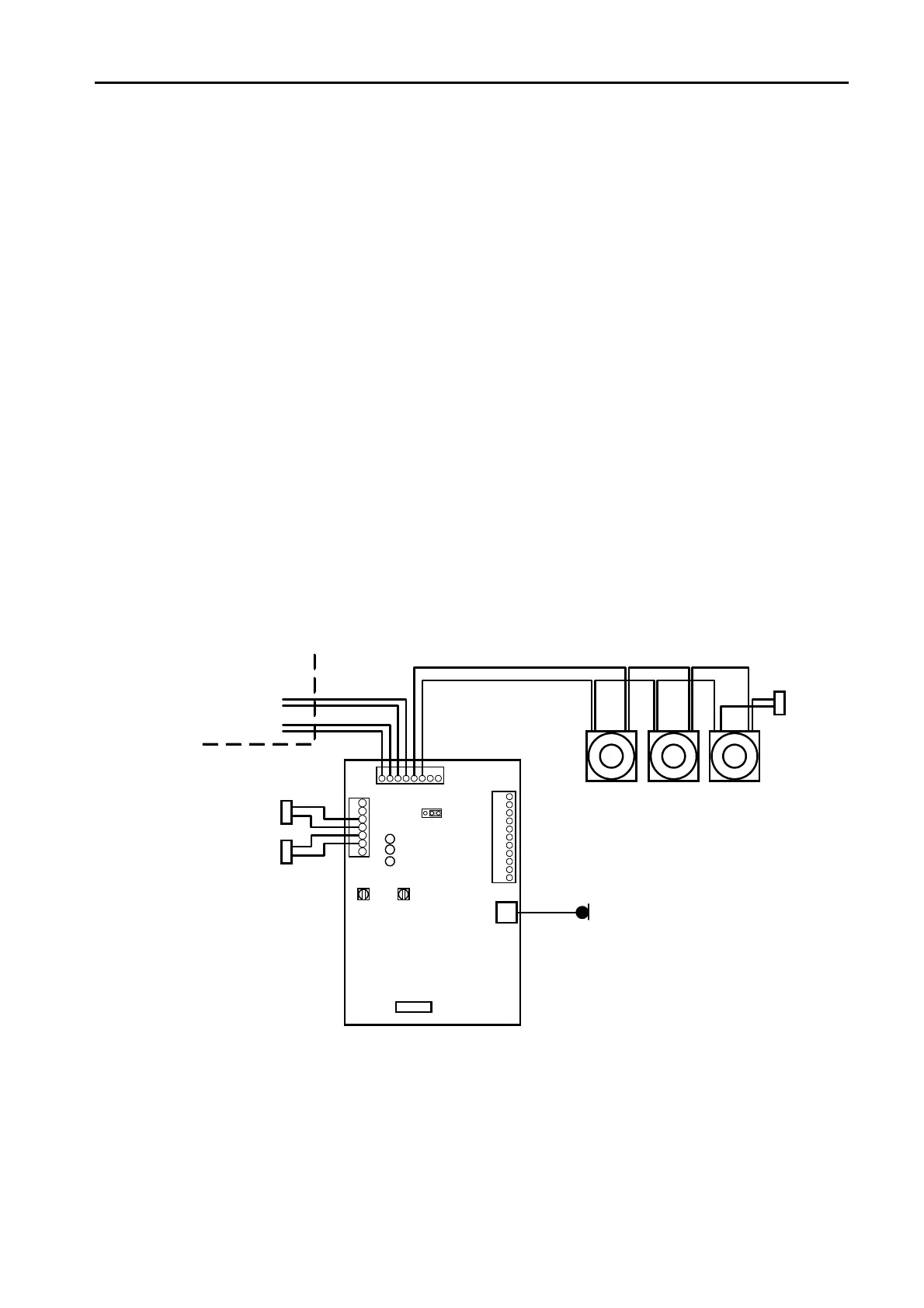
4.4.3 Installation Guidelines
Speaker output is field-selectable between 25 and 70 volts by a jumper on the EVAX 25.
Jumper1 – 2 for 70 V and 2 – 3 for 25 V.
Connect only UL-approved speakers with a built-in line transformer.
Make sure to choose a speaker with appropriate voltage – 25 or 70 V. Select the
required power by connecting the appropriate branch in the transformer. Total power
requirements for all speakers will not exceed 25 Watts per amplifier.
Install a 2.4 K Ohm resistor at the end of the speaker output and a similar resistor in TB3
(connectors 5 – 6).
Connect the loudspeakers in the appropriate polarity to allow for line supervision.
Minimal battery size for the evacuation system is 4.5 AH 24 V for sites that do not have
an emergency generator.
24 V input to the EVAC25 will be from 24 V
DC
output from the control panel or from the
TPS34A remote power supply.
Trouble (yellow)
OK (green)
Alarm (red)
TB
1
TB
2
1
6
7
8
9
1
0
3
4
5
2
1
1
16783452
1
6
7
3
4
5
2
J2
213
Recording
gain
Playback
gain
TB3
Microphone P2
SN2
-
+
-
+
HORN
24 VDC OUT
2.4K EOL
resistor
ADR-3000
Loudspeaker Loudspeaker Loudspeaker
2.4K EOL
resistor
5.1K EOL resistor from
the control panel
Figure 25 Connecting an evacuation system via General Output
– Page 19 –

Table of Contents