EasyManua.ls Logo

Telefire ADR-3000 - Certification

Default Icon
28 pages
Print Icon
To Next Page IconTo Next Page
To Next Page IconTo Next Page
To Previous Page IconTo Previous Page
To Previous Page IconTo Previous Page
Loading...
Telefire
ADR-3000 – System Introduction
Revision 1.10 4 November 2004
TB1
TB2
1
6
7
8
9
10
3
4
5
2
11
16783452
1
6
7
3
4
5
2
J2
213
TB3
SN2
+
+
NAC OUT
24 VDC OUT
2.4K EOL
resistor
2.4K EOL resistor
5.1K EOL resistor from
the control panel
ADR820 / 823
Loudspeaker Loudspeaker Loudspeaker
Microphone P2
Trouble (yellow)
OK (green)
Alarm (red)
Recording
gain
Playback
gain
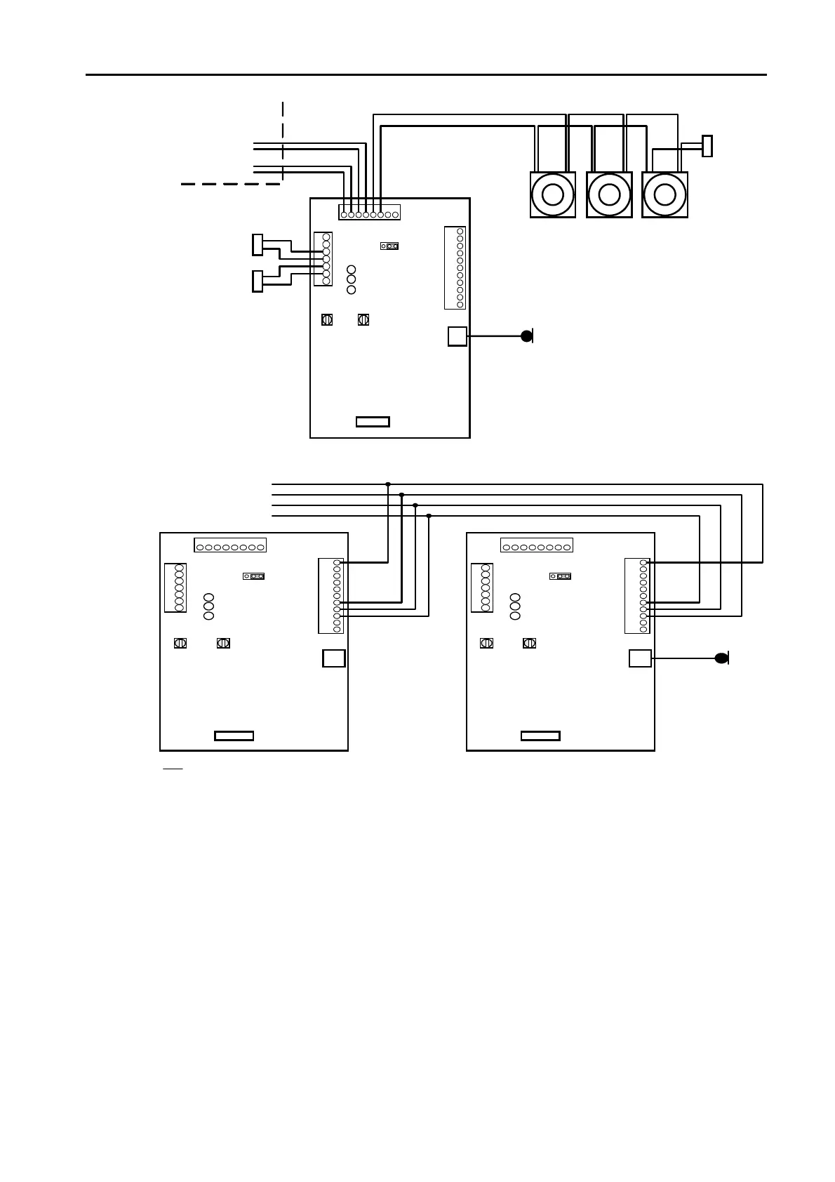
Figure 26 Connecting an evacuation system via an Addressable Output
Note:
SN28 must be off for all units without microphone
TB1
TB2
1
6
7
8
9
10
3
4
5
2
11
16783452
1
6
7
3
4
5
2
J2
213
TB3
SN2
TB1
TB2
1
6
7
8
9
10
3
4
5
2
11
1 6783452
1
6
7
3
4
5
2
J2
213
TB3
SN2
To other evacuation systems
MasterSlave
Microphone P2
Trouble (yellow)
OK (green)
Alarm (red)
Recording
gain
Playback
gain
Figure 27 Connecting secondary units
– Page 20 –

Table of Contents