EasyManua.ls Logo

Televes 5863 - 6.- TYPICAL APPLICATION

Televes 5863
Print Icon
To Next Page IconTo Next Page
To Next Page IconTo Next Page
To Previous Page IconTo Previous Page
To Previous Page IconTo Previous Page
Loading...
38
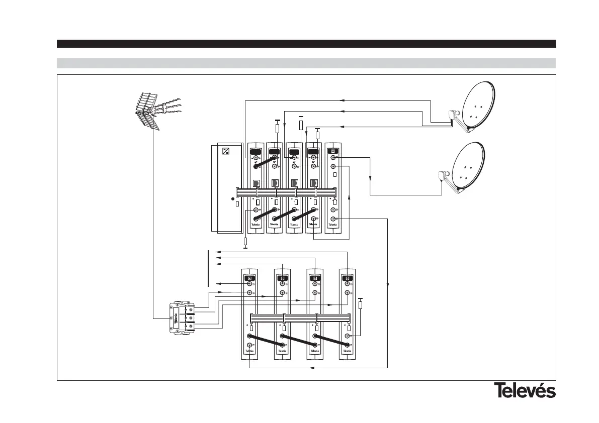
6.- TYPICAL APPLICATION
234716
PWR
T
D
234717
PRGM
PWR
SAT-SAT
CTRL
234714
PRGM
PWR
3 SAT-SAT
CTRL
234714
PRGM
PWR
3 SAT-SAT
CTRL
234714
PRGM
PWR
3 SAT-SAT
CTRL
234714
PRGM
PWR
3 SAT-SAT
CTRL
234714
PRGM
PWR
3 SAT-SAT
CTRL
234714
PRGM
PWR
3 SAT-SAT
CTRL
75 ohm
75 ohm
75 ohm
75 ohm
234715
PWR
234715
PWR
234715
PWR
234715
PWR
75 ohm
4
3
2
1
OUT
SMATV
MATV
High Band H
Low Band V
High Band V
Ref. 5864
Ref. 5865
Ref. 5437
User manual IF Processor
Note: The amplifiers are also powered
from the single power supply (this 8 wire
cable would come from the power con-
nector of the active filter).

Related product manuals