EasyManua.ls Logo

Telma TL113046 - End and Top View

Telma TL113046
18 pages
Print Icon
To Next Page IconTo Next Page
To Next Page IconTo Next Page
To Previous Page IconTo Previous Page
To Previous Page IconTo Previous Page
Loading...
TL113046
Installation Manual Ford F650 TELMA AF50-90 SPL100 relay box 124 UIM
Page 8 of 18_____________________________________________________________________________15sep21jh
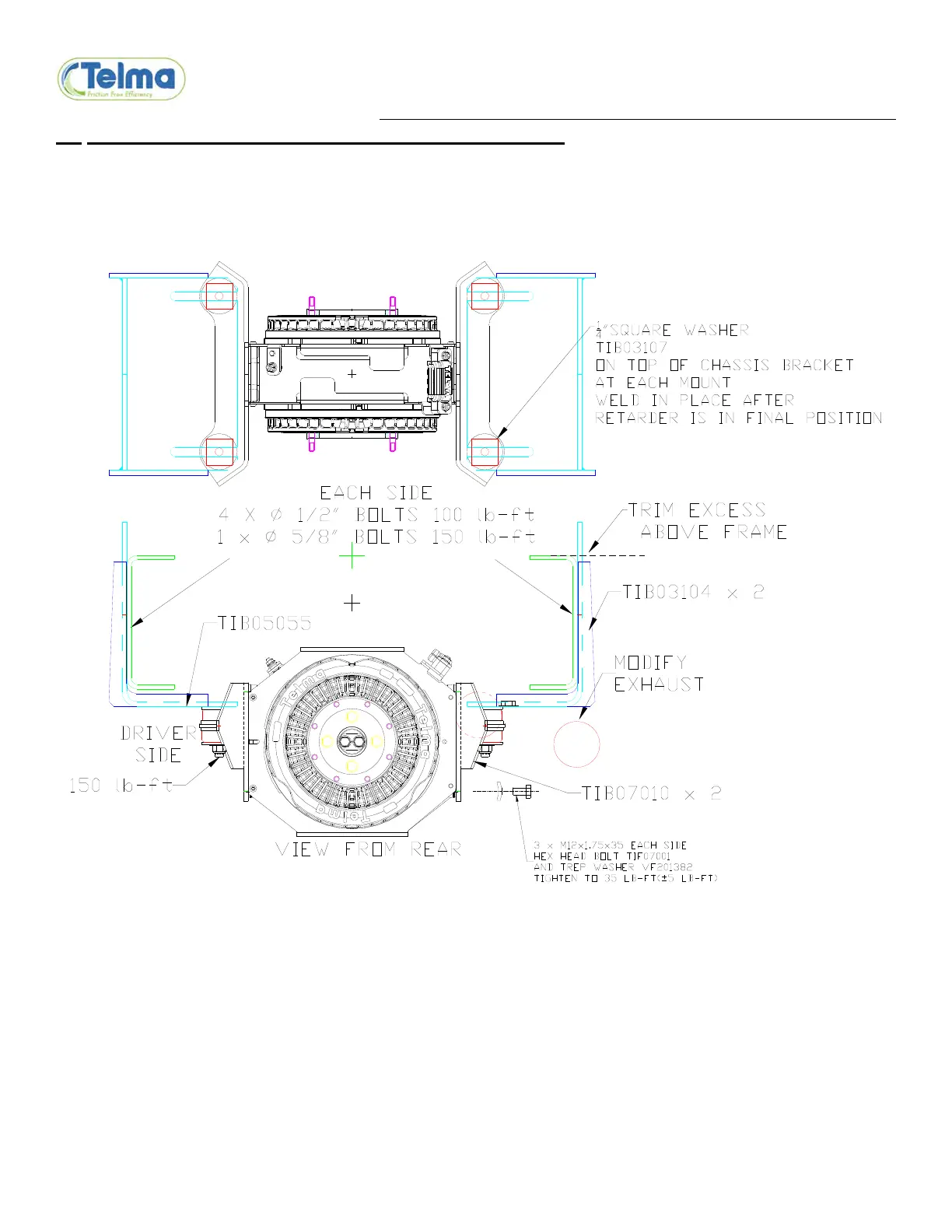
2.5 END and TOP VIEW - TELMA INSTALLED IN CHASSIS

Related product manuals