EasyManua.ls Logo

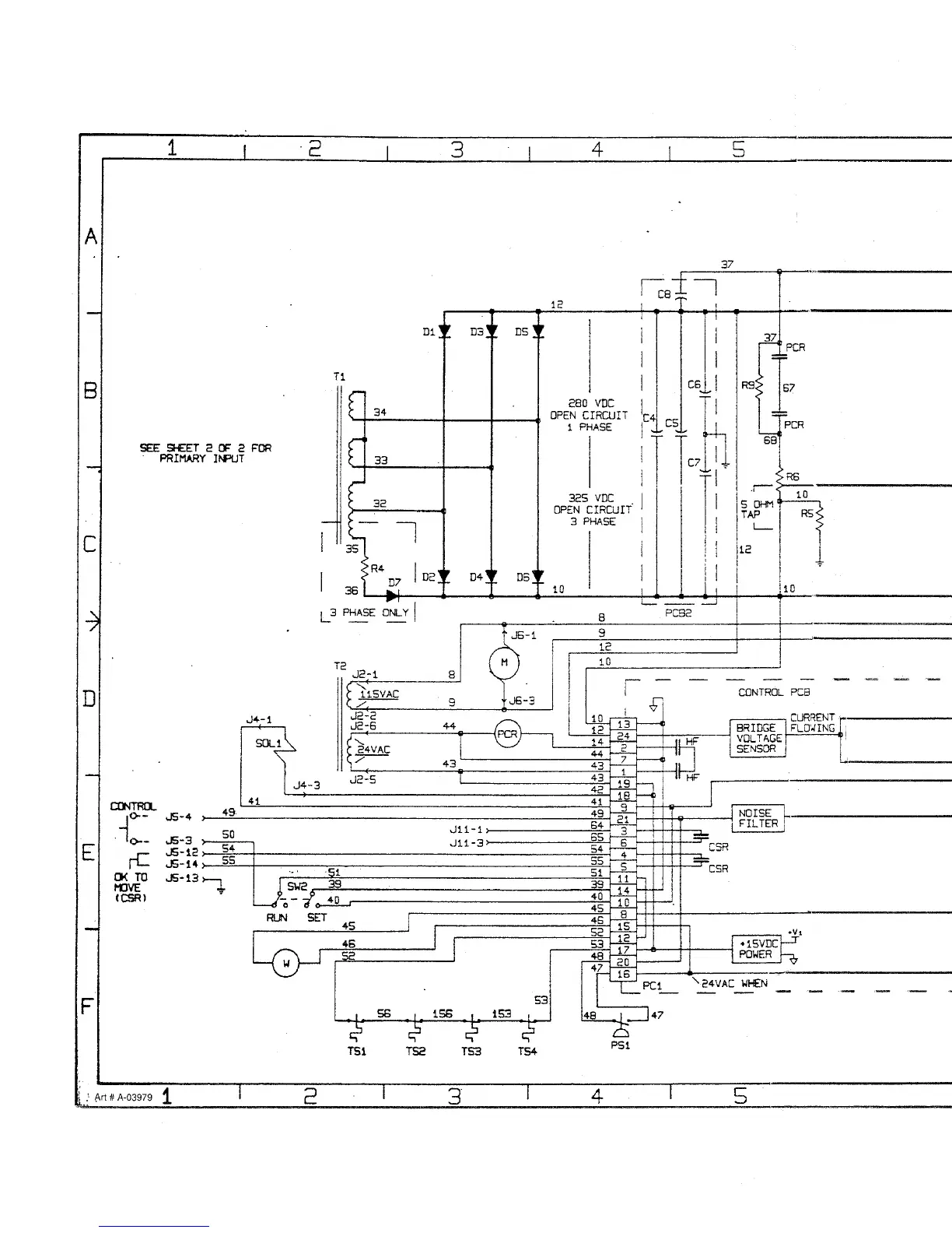
Thermal Arc PAK 5XT - Page 67

Thermal Arc PAK 5XT
70 pages
Print Icon
To Next Page IconTo Next Page
To Next Page IconTo Next Page
To Previous Page IconTo Previous Page
To Previous Page IconTo Previous Page
Loading...
Art # A-03979

Table of Contents

Related product manuals